Запчасти Case IH 4890 (8-268) - TRANSMISSION TOP COVER SYSTEM (08) - HYDRAULICS

Схема запчастей Case IH 4890 - (8-268) - TRANSMISSION TOP COVER SYSTEM (08) - HYDRAULICS
14
24
4
26
33
9
23
19
7
11
41
3
22
10
17
31
32
9
42
2
40
45
13
18
12
30
46
44
5
2
1
20
43
21
6
25
16
FIT
1:1
100%

Артикул

Название

Примечание

Количество

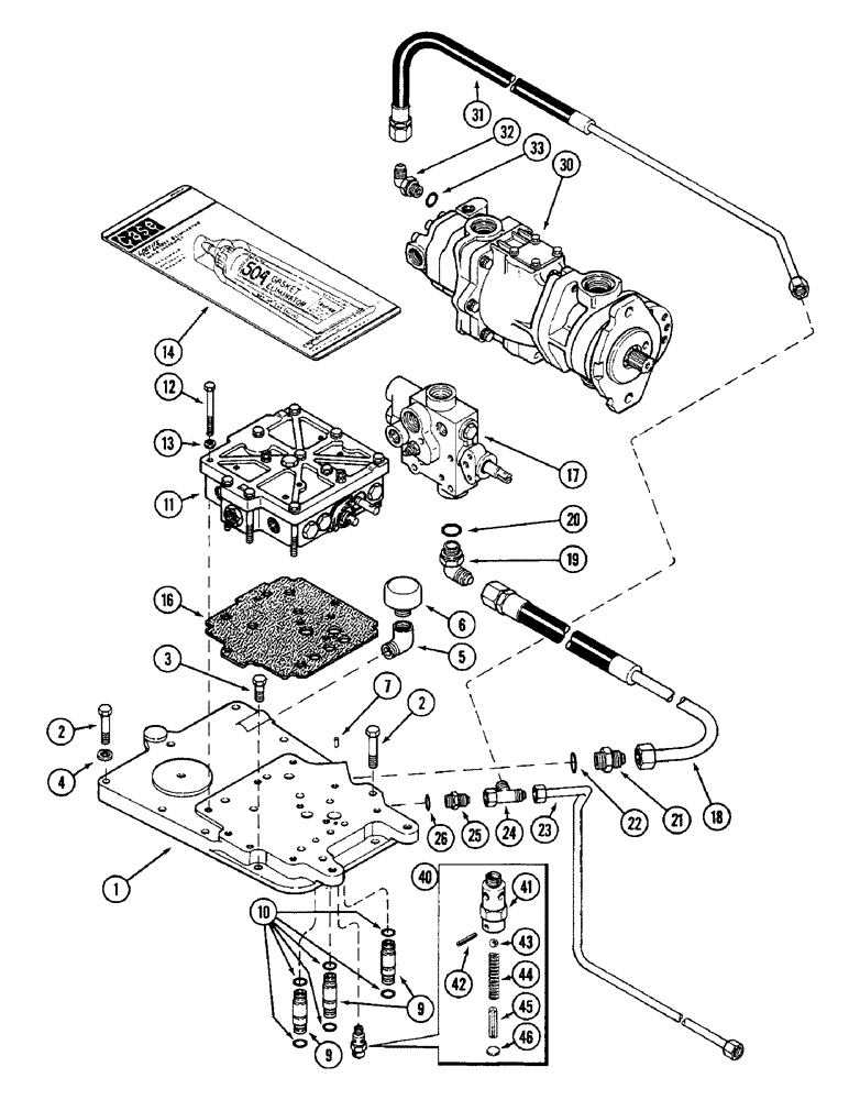
1

A153818

COVER

- top, transmission

1шт.

2

13-840

BOLT,Hex, 1/2" - 13 x 2-1/2", Gr 5

- 1/2 x 2-1/2" NC hex. (Grade 5)

3шт.

2

13-836

BOLT,Hex, 1/2" - 13 x 2-1/4", Gr 5

- 1/2 x 2-1/4" NC hex. (Grade 5)

7шт.

3

13-820

BOLT,Hex, 1/2" - 13 x 1-1/4", Gr 5, Full Thd

1шт.

4

92-8

LOCK WASHER,1/2"

9шт.

5

221-415

ELBOW,90 Degree, 3/4"-14, NPT

Street 90º, 3/4"-14, NPT

1шт.

6

A75179

BREATHER

- transmission oil

1шт.

7

D24005

PIN

- dowel, cover to housing, 3/16 x 1/2" (4.8 x 12.7 MM)

1шт.

9

A76120

TUBE

- oil distributor

3шт.

10

D31409

O-RING,0.07" Thk x 0.489" ID, -14, Cl 6, 90 Duro

- tube seal, 1/2 x 5/8 x 1/16" (12.7 x 15.9 x 1.6 MM)

6шт.

11

A148160

VALVE

ASSEMBLY - transmission control (See page 8-272)

1шт.

12

13-656

BOLT,Hex, 3/8" - 16 x 3-1/2", Gr 5

- 3/8 x 3-1/2" NC hex. (Grade 5)

10шт.

13

A63995

WASHER,10.8mm ID x 19.66mm OD x 0.86mm Thk

- flat, 27/64 x 3/4 x 1/32" (10.7 x 19.1 x 0.29 MM)

10шт.

14

B17428

LOCTITE

- gasket replacement, 2 ounces (50 CC)

1шт.

16

A155116

GASKET

- control valve to top cover

1шт.

17

REF

INSTRUCTION

VALVE ASSEMBLY - pressure regulator (See page 8-262)

1шт.

18

A138249

HOSE

- regulator valve to transmision cover

1шт.

19

218-5108

ELBOW,90 Degree Elbow, 1-1/16" - 12 Male JIC x 1-1/16" - 12 Male ORB

ASSEMBLY - 90 degree, Incl. Ref. 20

1шт.

20

218-5009

O-RING,0.116" Thk x 1.048" ID, -914, Cl 6, 90 Duro

- 1-3/64 x 1-1/4 x 7/64" (26.6 x 31.8 x 2.8 MM)

1шт.

21

218-5064

HYD CONNECTOR,1-1/16" - 12 Male JIC x 1-1/16" - 12 Male ORB

CONNECTOR ASSEMBLY - straight, Incl. Ref. 22

1шт.

22

218-5009

O-RING,0.116" Thk x 1.048" ID, -914, Cl 6, 90 Duro

- 1-3/64 x 1-1/4 x 7/64" (26.6 x 31.8 x 2.8 MM)

1шт.

23

A140427

TUBE

- oil cooler return

1шт.

24

218-845

TEE,37 Degree, 3/4"-16 x 3/4"-16, Fem Sw Run

CONNECTOR - swivel (Branch type)

1шт.

25

218-5059

HYD CONNECTOR,3/4"-16, 37 Degree x 3/4"-16, O-Ring

CONNECTOR ASSEMBLY - straight, Incl. Ref 26

1шт.

26

218-5345

O-RING,9-1, 90 Duro, .706" ID x .097" Thk

- 23/32 x 29/32 x 3/32" (18.3 x 23 x 2.4 MM)

1шт.

30

REF

INSTRUCTION

PUMP ASSEMBLY - hydraulic (See page 8-276)

1шт.

31

A151133

TUBE

- hydraulic pump relief valve drain

1шт.

32

218-5106

90 ELBOW,90 Degree Elbow, 3/4" - 16 Male JIC x 3/4" - 16 Male ORB

ASSEMBLY - 90 degree adjustable, Includes: Ref. 33

1шт.

40

A60890

VALVE

ASSEMBLY - relief, lube oil, Includes: Ref. 41 - 46

1шт.

41

NSS

NOT SOLD SEPARAT

BODY - valve (Order A60890)

1шт.

42

138-57

LOCK PIN,1/8" x 3/4", Slotted

PIN, (3.2 x 19.1 mm) 1/8" x 3/4", Slotted

1шт.

43

211-9

BALL,5/16" Dia

- 5/16" (7.9 MM) Diameter

1шт.

44

A60889

SPRING

- relief valve

1шт.

45

138-96

LOCK PIN,3/16" x 1", Slotted

PIN, , Spring guide (4.8 x 25.4 mm) 3/16" x 1", Slotted

1шт.

46

195-6

WASHER,#6

- 5/32 x 5/16 x 1/32" (3.97 x 7.94 x 0.79 MM)

1шт.

33

218-5006

O-RING,0.087" Thk x 0.644" ID, -908, Cl 6, 90 Duro

- 21/32 x 13/16 x 3/32" (16.7 x 20.6 x 2.4 MM)

1шт.

Выбрано товаров: 0