Запчасти Case IH 4890 (8-294) - REMOTE HYDRAULIC HOSES AND COUPLINGS, TWO CIRCUIT SYSTEM (08) - HYDRAULICS

Схема запчастей Case IH 4890 - (8-294) - REMOTE HYDRAULIC HOSES AND COUPLINGS, TWO CIRCUIT SYSTEM (08) - HYDRAULICS
3
1
5
17
10
3
14
2
2
9
18
6
5
8
8
3
4
16
5
15
7
4
FIT
1:1
100%

Артикул

Название

Примечание

Количество

1

REF

INSTRUCTION

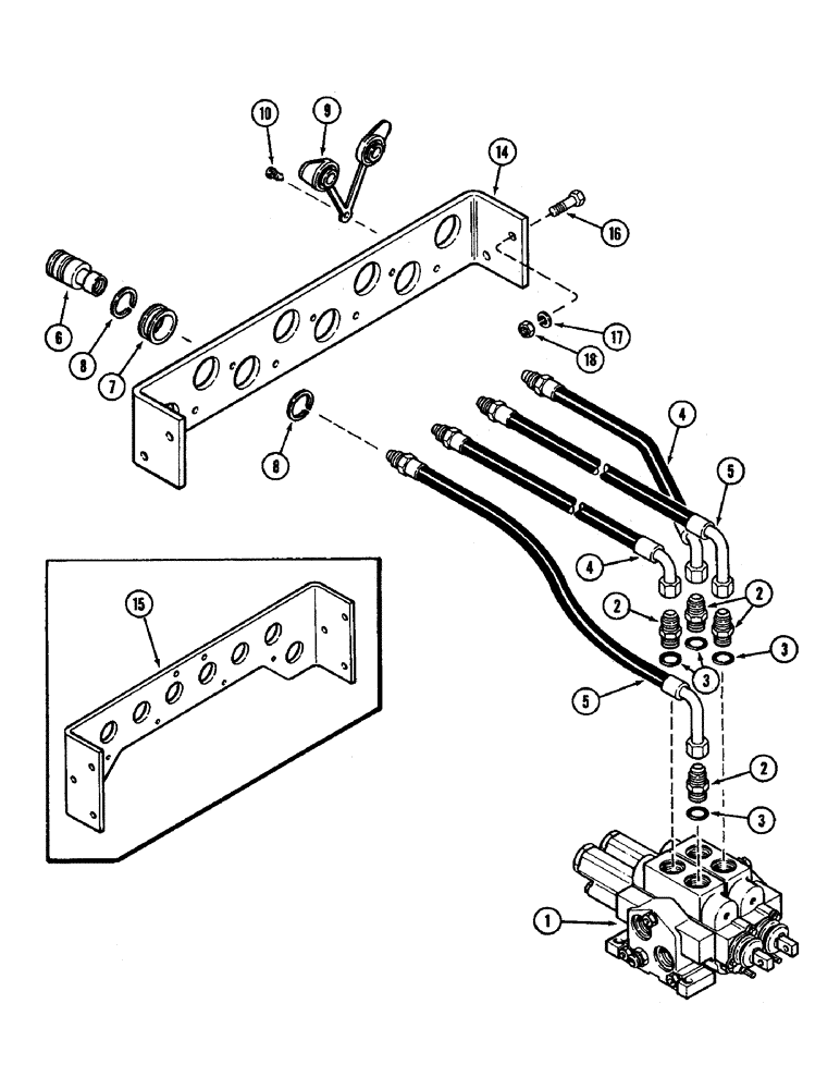
VALVE ASSEMBLY - remote hydraulic control (See Figure 8-304)

1шт.

2

218-5062

HYD CONNECTOR,7/8"-14, 37 Degree x 7/8"-14, O-Ring

CONNECTOR ASSEMBLY - straight, Includes: Ref. 3

4шт.

3

237-6010

O-RING,0.097" Thk x 0.755" ID, -910, Cl 6, 90 Duro

- 3/4 x 61/64 x 3/32" (19.1 x 24.2 x 2.4 MM)

1шт.

4

A162486

HOSE

- valve to coupling, 20-1/2" (520.7 MM), Start Serial: 8860450

2шт.

4

A160402

HOSE

- valve to coupling, 23-1/2" (596.9 MM), Serial Range: -8860450

2шт.

5

A162487

HOSE

- valve to coupling, 23" (584.2 MM), Start Serial: 8860450

2шт.

5

A160401

HOSE

- valve to coupling, 26" (660.4 MM), Serial Range: -8860450

2шт.

6

A147741

COUPLING, BREAK AWAY

COUPLING ASSEMBLY - breakaway (See Figure 8-312)

4шт.

7

A149221

RETAINER

- coupling to rear plate

4шт.

8

A137976

SNAP RING,#150, 1.408", Ext

RING - snap, retainer

8шт.

9

A145468

PLUG

- dust, coupling

2шт.

10

A162364

FASTENER

- plug to plate (Replaces 113-4 and 131-71)

2шт.

14

A165362

PLATE

- coupling mounting rear (Replaces A162453), Start Serial: 8860450

1шт.

15

A149229

PLATE

- rear, coupling mounting, Serial Range: -8860450

1шт.

16

13-824

BOLT,Hex, 1/2" - 13 x 1-1/2", Gr 5, Full Thd

6шт.

17

92-8

LOCK WASHER,1/2"

6шт.

18

25-108

NUT,1/2"-13, G5

- 1/2" NC hex.

6шт.

Выбрано товаров: 0