Запчасти Case IH 4890 (8-310) - REMOTE HYDRAULIC ATTACHMENTS, HYDRAULIC CYLINDER, HOSES AND COUPLINGS (08) - HYDRAULICS

Схема запчастей Case IH 4890 - (8-310) - REMOTE HYDRAULIC ATTACHMENTS, HYDRAULIC CYLINDER, HOSES AND COUPLINGS (08) - HYDRAULICS
3
20
1
24
16
5
9
6
2
25
3
5
4
22
15
2
10
7
21
4
8
23
11
FIT
1:1
100%

Артикул

Название

Примечание

Количество

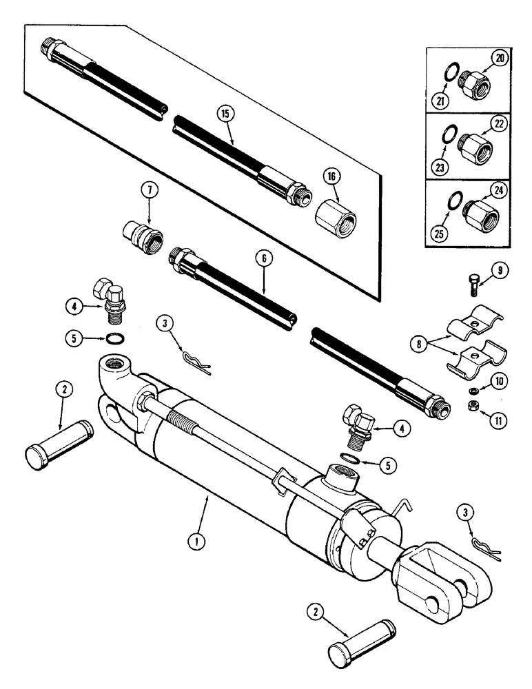
1

G33769

CYLINDER

ASSEMBLY - hydraulic, remote (See Figure 8-314)

1шт.

2

A27347

PIN

- cylinder yoke

2шт.

3

A29054

HAIR PIN COTTER

- retaining, yoke pin

2шт.

4

218-5201

90 ELBOW,90 Degree, 7/8"-14 O-Ring x 1/2" NPSM Fem

ASSEMBLY - 90 degree, Includes: Ref. 5

2шт.

5

237-6010

O-RING,0.097" Thk x 0.755" ID, -910, Cl 6, 90 Duro

- 3/4 x 61/64 x 3/32" (19.1 x 24.2 x 2.4 MM)

1шт.

6

A135006

HYDRAULIC HOSE,0.50" ID x 106.00", SAE 100R1 per SAE 100 R1

0.50" ID x 106.00", SAE 100R1 per SAE 100 R1

2шт.

6

A135007

HYDRAULIC HOSE,0.50" ID x 118.00", SAE 100R1 per SAE 100 R1

0.50" ID x 118.00", SAE 100R1 per SAE 100 R1

2шт.

7

A147889

COUPLING, BREAK AWAY

COUPLING ASSEMBLY - male breakaway (See Figure 8-312)

2шт.

8

A27440

CLAMP

- hose

2шт.

9

13-512

BOLT,Hex, 5/16" - 18 x 3/4", Gr 5

1шт.

10

92-5

LOCK WASHER,5/16"

1шт.

11

9635082

NUT,5/16" - 18, Gr 5

- 5/16" NC hex.

1шт.

15

A135109

HYDRAULIC HOSE,1/2" ID x 31" L, SAE 100R1

0.50" ID x , SAE 100R1 - Extension 31.00"

2шт.

16

A135110

ADAPTER

- hose, 1/2" PT x 7/8"-14

2шт.

20

A135687

ADAPTER

ASSEMBLY - coupling, 7/8"-14 male x 7/8"-18 female (For J I Case implement hose), Includes: Ref. 21

1шт.

21

237-6010

O-RING,0.097" Thk x 0.755" ID, -910, Cl 6, 90 Duro

- 3/4 x 61/64 x 3/32" (19.1 x 24.2 x 2.4 MM)

1шт.

22

A135688

ADAPTER

ASSEMBLY - coupling, 7/8"-14 male x 3/4"-16 female (For John Deere implement hose), Includes: Ref. 23

1шт.

23

237-6010

O-RING,0.097" Thk x 0.755" ID, -910, Cl 6, 90 Duro

- 3/4 x 61/64 x 3/32" (19.1 x 24.2 x 2.4 MM)

1шт.

24

218-5095

ADAPTER,7/8" - 14 ORB x 1/2" NPT

ASSEMBLY - coupling, 7/8"-14 male x 1/2" PT female (For International Harvester implement hose), Includes: Ref. 25

1шт.

25

237-6010

O-RING,0.097" Thk x 0.755" ID, -910, Cl 6, 90 Duro

- 3/4 x 61/64 x 3/32" (19.1 x 24.2 x 2.4 MM)

1шт.

Выбрано товаров: 20