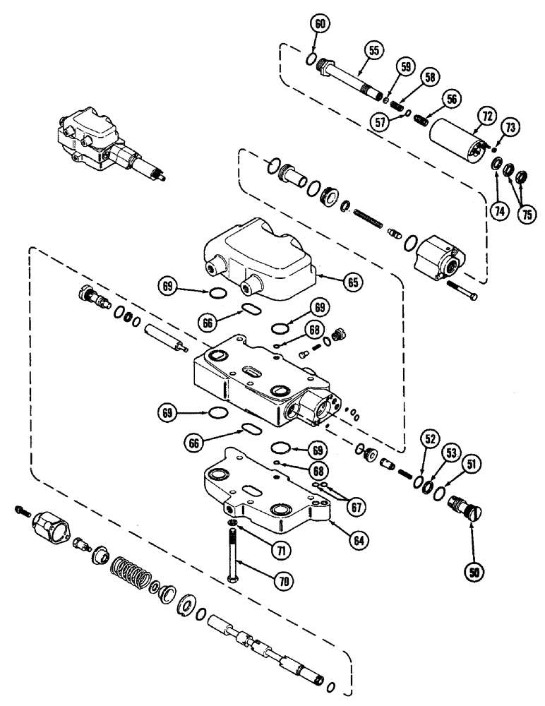
Запчасти Case IH 4890 (8-332) - HITCH CONTROL VALVE ASSEMBLY, P.I.N. 8860450 AND AFTER (08) - HYDRAULICS

Схема запчастей Case IH 4890 - (8-332) - HITCH CONTROL VALVE ASSEMBLY, P.I.N. 8860450 AND AFTER (08) - HYDRAULICS
55
73
59
69
69
66
71
57
65
58
56
68
69
69
68
52
66
75
60
50
51
74
64
72
53
67
70
FIT
1:1
100%

Артикул

Название

Примечание

Количество

A161686

VALVE

ASSEMBLY - hitch control (Continued from Figure 8-330), Includes: Ref. 50 - 75, 3 - 42 on Figure 8-330, and kits

1шт.

NSS

NOT SOLD SEPARAT

VALVE ASSEMBLY - three way (Continued from Figure 8-330), Includes: Ref. 50 - 60 and 3 - 42 on Figure 8-330

1шт.

50

A47978

PLUG

ASSEMBLY - lockout

1шт.

51

A41316

O-RING,0.103" Thk x 0.862" ID, -118, Cl 6, 90 Duro

- lockout plug

1шт.

Part of three way valve repair kit, P/N A47985

1шт.

52

D31410

O-RING,0.103" Thk x 0.674" ID, -115, Cl 6, 90 Duro

- lockout plug

1шт.

Part of three way valve repair kit, P/N A47985

1шт.

53

A41346

RING

- lockout plug backup

1шт.

Part of three way valve repair kit, P/N A47985

1шт.

A47957

CORE

ASSEMBLY - solenoid

1шт.

55

NSS

NOT SOLD SEPARAT

CORE ASSEMBLY - solenoid

1шт.

56

A47959

PLUG

- adjusting

1шт.

57

A47983

O-RING,2.38mm Thk x 18.82mm ID

- adjusting plug

1шт.

Part of three way valve repair kit, P/N A47985

1шт.

58

A47961

SPRING

- solenoid

1шт.

59

A47960

WASHER

- solenoid core

1шт.

60

A47982

O-RING,0.489" ID x 0.629" OD

- solenoid core

1шт.

Part of three way valve repair kit, P/N A47985

1шт.

A47985

SEAL

KIT - repair, threeway valve, Includes: Ref. 4, 10, 17, 23, 24, 28 - 30, 35 - 37, and 40 on Figure 8-330, and 51, 52, 53, 57 and 60 on Figure 8-332

1шт.

64

A47949

PLATE

- end, left

1шт.

65

A47952

PLATE

- end, right

1шт.

66

A47948

O-RING

- end, Serial Range: plate-valve

2шт.

Part of repair kit, P/N A47984

1шт.

67

A28090

O-RING,0.301" ID x 0.441" OD x 0.07"

-011, 70 Duro, .301" ID x .070" Thk - End plate to valve, 3/8 x 1/16" (9.92 x 1.78 MM)

2шт.

Part of repair kit, P/N A47984

1шт.

68

A47979

O-RING,0.07" Thk x 0.208" ID, -9, Cl 5, 75 Duro

- end plate to valve

2шт.

Part of repair kit, P/N A47984

1шт.

69

A47953

O-RING,0.364" ID x 0.504" OD

- end plate to valve, 1-1/8 x 1/16" (28.57 x 1.59 MM)

4шт.

Part of repair kit, P/N A47984

1шт.

70

A47956

BOLT

- end, Serial Range: plate-valve

4шт.

71

92-6

LOCK WASHER,3/8"

4шт.

72

A47947

COIL

ASSEMBLY - valve spool, Includes: Ref. 73

1шт.

73

129-13

NUT,#4-40

6шт.

74

A47955

WASHER

- coil

1шт.

75

A47950

NUT

- coil retaining

2шт.

A47984

SEAL

KIT - repair, between sections, Includes: Ref. 66, 67, 68, 69

1шт.

Выбрано товаров: 36