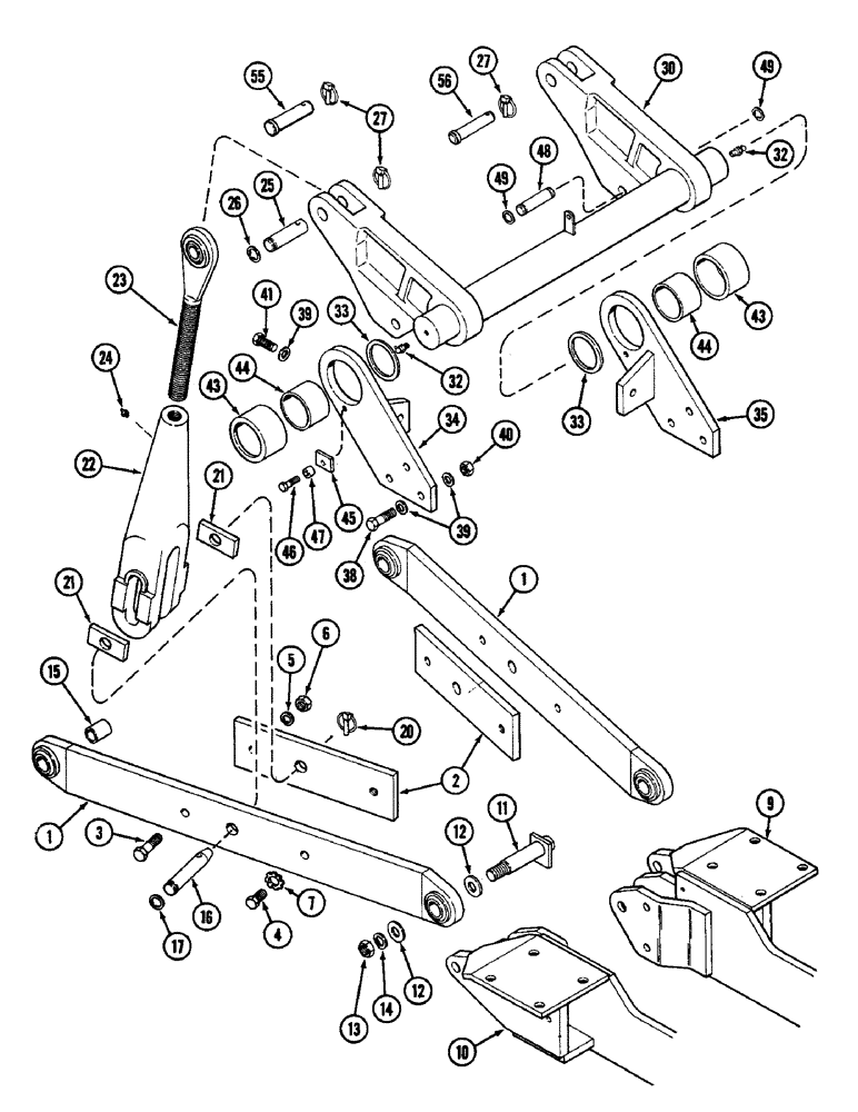
Запчасти Case IH 4890 (9-338) - THREE POINT HITCH, DRAFT ARMS, LIFT LINKS AND ROCKSHAFT PRIOR TO PIN 8860450 (09) - CHASSIS/ATTACHMENTS

Схема запчастей Case IH 4890 - (9-338) - THREE POINT HITCH, DRAFT ARMS, LIFT LINKS AND ROCKSHAFT PRIOR TO PIN 8860450 (09) - CHASSIS/ATTACHMENTS
49
44
24
32
26
43
4
20
16
41
27
30
1
55
35
6
40
49
48
3
23
13
14
15
22
12
46
44
2
33
7
21
34
12
56
47
43
33
39
27
39
45
9
10
25
5
11
21
17
32
38
1
FIT
1:1
100%

Артикул

Название

Примечание

Количество

1

A142852

ARM

- draft, RH and LH

2шт.

2

A142854

NO LONGER SERVICED

STIFFENER - draft arm

2шт.

3

113-730

BOLT,Hex, 3/4" - 10 x 2-3/4", Gr 5

- 3/4 x 2-3/4" NC hex. (Grade 5)

2шт.

4

113-713

BOLT,Hex, 3/4" - 10 x 1-3/4", Gr 5

2шт.

5

192-27

LOCK WASHER,3/4"

WASHER, LOCK, 3/4"

2шт.

6

129-108

NUT,3/4"-10, G5

2шт.

7

A34651

LOCK WASHER

- (3/4" external Shakeproof)

2шт.

9

A142850

BRACE

- drawbar LH (See Figure 9-348)

1шт.

10

A142847

BRACE

- drawbar RH (See Figure 9-348)

1шт.

11

A148142

PIN

- pivot, draft arm

2шт.

12

L10007

WASHER

- spacer, 1-1/2" ID x 1-3/4" OD x 13/64" wide (38.1 x 44.5 x 20.6 MM)

4шт.

13

131-487

LOCK NUT,1 1/4"-18

NUT - lock, 1-1/4" NF hex. (ESNA lock)

4шт.

14

D24516

WASHER

- nut, 1-9/32" ID x 2-1/4" OD x 1/4" wide (32.5 x 57.2 x 6.4 MM)

2шт.

15

L10463

BUSHING

- draft arm (Category II)

2шт.

16

A76286

PIN,31.6mm OD x 193.04mm L

- lower clevis, lift link (Order ref 56 and 27)

2шт.

17

17406

RING

- snap

2шт.

20

A64204

PIN

- klik

2шт.

21

A63515

PLATE

- stop, lower clevis

4шт.

22

A75969

LINK

- lift, lower

2шт.

23

A141049

ROD

- lift link

2шт.

24

219-1

LUBE NIPPLE,1/8" - 27 NPTF

FITTING - lube, 1/8" PT straight

1шт.

25

A76284

PIN

- upper, lift link (Order ref 55)

2шт.

26

17406

RING

- snap

2шт.

27

A30338

PIN

- klik

4шт.

30

A164418

SHAFT

ROCKSHAFT - hitch (Replaces A160528)

1шт.

32

219-36

LUBE NIPPLE,45 Degree Elbow, 1/8" - 27 NPTF

FITTING - lube, 1/8" PT x 45 degree

2шт.

33

A32804

WASHER

- spacer, 3-9/32 x 4-1/4 x 1/8" (83.3 x 108 x 3.2 MM)

1шт.

34

A146765

SUPPORT

- RH bearing, rockshaft

1шт.

35

A146766

SUPPORT

- LH bearing, rockshaft

1шт.

38

28-1248

BOLT,Hex, 3/4" - 16 x 3", Gr 8

- 3/4 x 3" NF hex. (Grade 8)

6шт.

39

D34666

WASHER,33.34mm ID x 63.5mm OD x 2.38mm Thk

- bearing support bolt

14шт.

40

131-186

LOCK NUT,3/4"-16, GB

NUT - 3/4" NF hex. (Grade 8)

6шт.

41

26-1228

BOLT,Hex, 3/4" - 10 x 1-3/4", Gr 8

- 3/4 x 1-3/4" NC (Grade 8)

2шт.

43

A146771

HOUSING

ASSEMBLY - rockshaft bearing, Includes: Ref. 44

2шт.

44

A146770

BUSHING

- rockshaft

1шт.

45

A146768

KEY

- retaining, bearing

2шт.

46

113-410

BOLT,Hex, 1/2" - 13 x 1-1/2", Gr 5, Full Thd

2шт.

47

A148908

SPACER

- 33/64 x 3/4 x 7/16" (13.0 x 19.05 x 10.92 MM) (Replaces 192-23 washer)

2шт.

48

A76282

PIN

- hydraulic lift cylinder to rockshaft arm (Order A162396 and A30338)

2шт.

49

A12667

RING

- retaining, cylinder pin

4шт.

55

A163277

PIN

- upper, lift link

2шт.

56

A164416

PIN

- hydraulic lift, Serial Range: cylinder-rockshaft

2шт.

Выбрано товаров: 42