Запчасти Case IH 4890 (9-358) - CHASSIS (09) - CHASSIS/ATTACHMENTS

Схема запчастей Case IH 4890 - (9-358) - CHASSIS (09) - CHASSIS/ATTACHMENTS
13
33
25
16
27
12
38
28
18
3
15
34
39
10
14
2
35
19
37
9
5
29
26
4
36
30
1
6
17
8
7
FIT
1:1
100%

Артикул

Название

Примечание

Количество

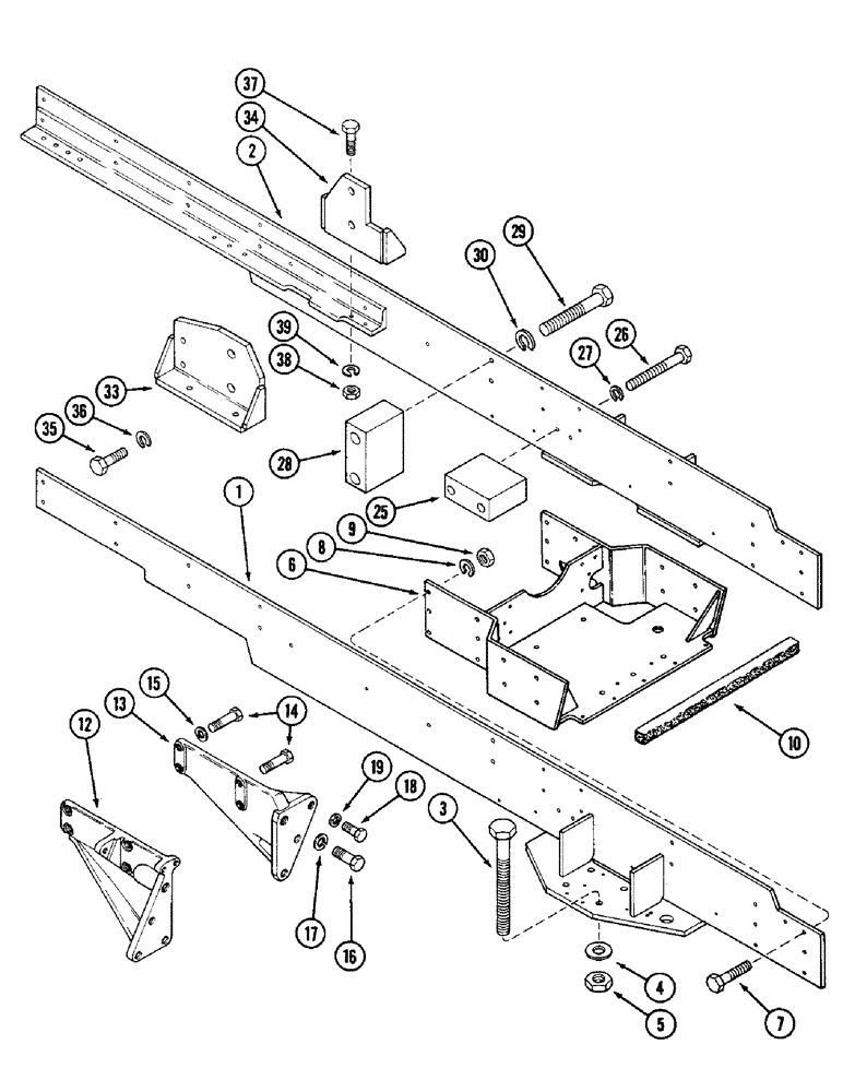
1

A152930

RAIL

- RH, chassis

1шт.

2

A152931

RAIL

- LH, Chassis

1шт.

3

28-18152

BOLT,Hex, 1-1/8" - 12 x 9-1/2", Gr 8

- 1-1/8 x 9-1/2" NF hex. (Grade 8)

8шт.

4

A152201

WASHER

- 1-3/16 x 2-1/2 x 3/16" (20.16 x 63.5 x 4.76 MM)

8шт.

5

131-189

LOCK NUT,1 1/8"-12, GB

NUT - lock, 1-1/8" NF hex.

8шт.

6

A162392

FRAME

- extension, chassis (Replaces A149186 and A161559)

1шт.

7

13-1036

BOLT,Hex, 5/8" - 11 x 2-1/4", Gr 5

8шт.

7

13-1040

BOLT,Hex, 5/8" - 11 x 2-1/2", Gr 5

4шт.

8

92-10

LOCK WASHER,5/8"

WASHER, LOCK, 5/8"

12шт.

9

25-1010

NUT,5/8"-11, G5

12шт.

10

A150488

SEAL

FOAM - seal 2" square x 34" long

1шт.

12

A140414

SUPPORT

- RH, engine mounting

1шт.

13

A148155

SUPPORT

- LH, engine mounting

1шт.

14

813-12035

BOLT,Hex, M12 x 1.75 x 35mm, Cl 8.8, Full Thd

- metric, 12 x 1.75 x 35 MM hex. (Engine to support)

8шт.

15

92-8

LOCK WASHER,1/2"

8шт.

16

13-1232

BOLT,Hex, 3/4" - 10 x 2", Gr 5

2шт.

17

92-12

LOCK WASHER,3/4"

WASHER, LOCK, 3/4"

2шт.

18

13-1024

BOLT,Hex, 5/8" - 11 x 1-1/2", Gr 5, Full Thd

6шт.

19

92-10

LOCK WASHER,5/8"

WASHER, LOCK, 5/8"

6шт.

25

A136981

BUSHING

SPACER - front, transmission mounting

2шт.

26

13-1088

BOLT,Hex, 5/8" - 11 x 5-1/2", Gr 5

- 5/8 x 5-1/2" NC hex. (Grade 5)

4шт.

27

92-10

LOCK WASHER,5/8"

WASHER, LOCK, 5/8"

4шт.

28

A136980

BUSHING

SPACER - center, transmission mounting

2шт.

29

26-1296

BOLT,Hex, 3/4" - 10 x 6", Gr 8

- 3/4 x 6" NC hex. (Grade 8)

4шт.

30

92-12

LOCK WASHER,3/4"

WASHER, LOCK, 3/4"

4шт.

33

A136965

BRACKET

- RH support, transmission rear

1шт.

34

A150395

BRACKET

- LH support, transmission rear

1шт.

35

13-1236

BOLT,Hex, 3/4" - 10 x 2-1/4", Gr 5

4шт.

36

92-12

LOCK WASHER,3/4"

WASHER, LOCK, 3/4"

4шт.

37

13-1036

BOLT,Hex, 5/8" - 11 x 2-1/4", Gr 5

4шт.

38

25-1010

NUT,5/8"-11, G5

4шт.

39

92-10

LOCK WASHER,5/8"

WASHER, LOCK, 5/8"

4шт.

Выбрано товаров: 32