Запчасти Case IH 4890 (9-394) - SEAT, CLOTH WITH SWIVEL, SUSPENSION PARTS, LATE PRODUCTION (09) - CHASSIS/ATTACHMENTS

Схема запчастей Case IH 4890 - (9-394) - SEAT, CLOTH WITH SWIVEL, SUSPENSION PARTS, LATE PRODUCTION (09) - CHASSIS/ATTACHMENTS
8
17
21
3
23
34
1
29
33
10
37
19
32
16
18
25
27
36
17
28
4
52
30
20
35
7
22
5
24
50
6
51
11
15
38
2
20
34
FIT
1:1
100%

Артикул

Название

Примечание

Количество

REF

INSTRUCTION

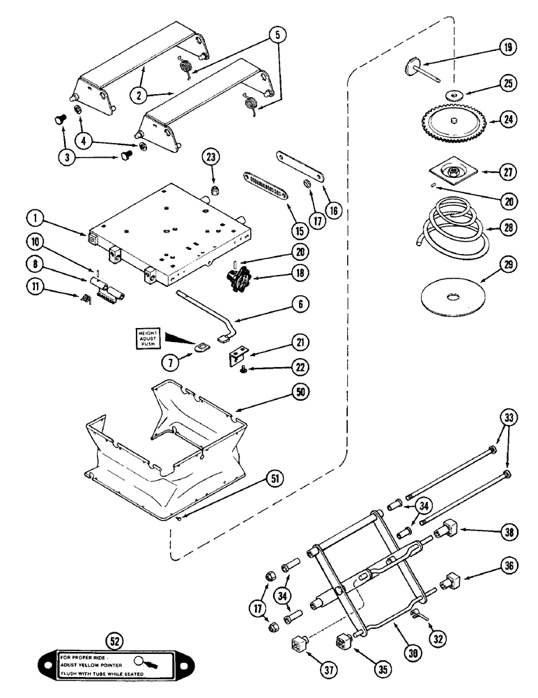
SEAT AND SUSPENSION ASSEMBLY - operator's (Continued from Figure 9-392), Includes: Ref. 1 - 52

1шт.

1

47761

SWITCH

PLATE - upper, suspension assembly (Replaces A47661)

1шт.

2

A47379

LINK

- cross, seat mounting

2шт.

3

A45473

STEP BOLT

BOLT - shoulder, 1/2" NC

4шт.

4

193-77

LOCK WASHER,Int Tooth, 1/2"

WASHER, LOCK, Int Tooth, 1/2"

4шт.

5

A47384

SPRING

- torsion

2шт.

6

A47764

LEVER

- height adjusting

1шт.

7

A47767

CAP

- lever

1шт.

8

A47381

LATCH

- height adjusting

1шт.

10

138-2070

PIN,5/32" x 3/4", Coiled

1шт.

11

A47382

SPRING

- latch return

1шт.

15

A47383

LINK

- notched, RH side

1шт.

16

D82860

LINK

- plain, LH side

1шт.

17

131-1402

THIN NUT,1/2"-13, GB, Thin

NUT, LOCK, , Fastener 1/2"-13, GB, Thin

6шт.

18

A47763

KNOB

ASSEMBLY - weight adjusting

1шт.

19

A45513

GEAR

- weight adjusting spinner

1шт.

20

138-2024

PIN,5/32" x 1", Coiled

2шт.

21

A45531

BRACKET

- shaft

1шт.

22

111-107

CARRIAGE BOLT,Short NK, 1/4"-20 x 1/2", G2

BOLT - 1/4 x 1/2" NC round head square neck (Grade 2)

2шт.

23

131-1351

FLANGE NUT,Flg, 1/4"-20

NUT, LOCK, Flg, 1/4"-20

2шт.

24

A45505

GEAR

- weight adjusting

1шт.

25

A47386

WASHER

- thrust, 41/64 x 2 x 1/64" (16.13 x 50.8 x 0.4 MM)

1шт.

27

A45504

SPRING WASHER

- spring

1шт.

28

A45497

SPRING

- conical, weight suspension

1шт.

29

A45530

PAD

- spring

1шт.

30

A47759

ARM

ASSEMBLY - weight suspension

1шт.

32

A47070

INDICATOR

- ride adjustment

1шт.

33

A47762

SHAFT

- bearing

2шт.

34

A47760

BUSHING

TUBE - bearing

4шт.

35

A45512

BLOCK

- slider, 1-3/16" (30.16 MM)

1шт.

36

A45516

BLOCK

- slider, 2-3/16" (55.56 MM)

1шт.

37

A45515

BLOCK

- slider, 1-9/16" (39.69 MM)

1шт.

38

P0045517A

WASHER

- slider, 2-9/16" (65.09 MM)

1шт.

50

A47359

BOOT

COVER - suspension

1шт.

51

151-705

CLIP,Rd 1/2" Hd, 1/4" Hole

- cover fastener, 1/4"

23шт.

52

A47778

DECAL

- ride adjusting

1шт.

Выбрано товаров: 36