Запчасти Case IH 4890 (2-14) - INTAKE MANIFOLD, 674 CUBIC INCH DIESEL ENGINE (02) - ENGINE

Схема запчастей Case IH 4890 - (2-14) - INTAKE MANIFOLD, 674 CUBIC INCH DIESEL ENGINE (02) - ENGINE
20
21
9
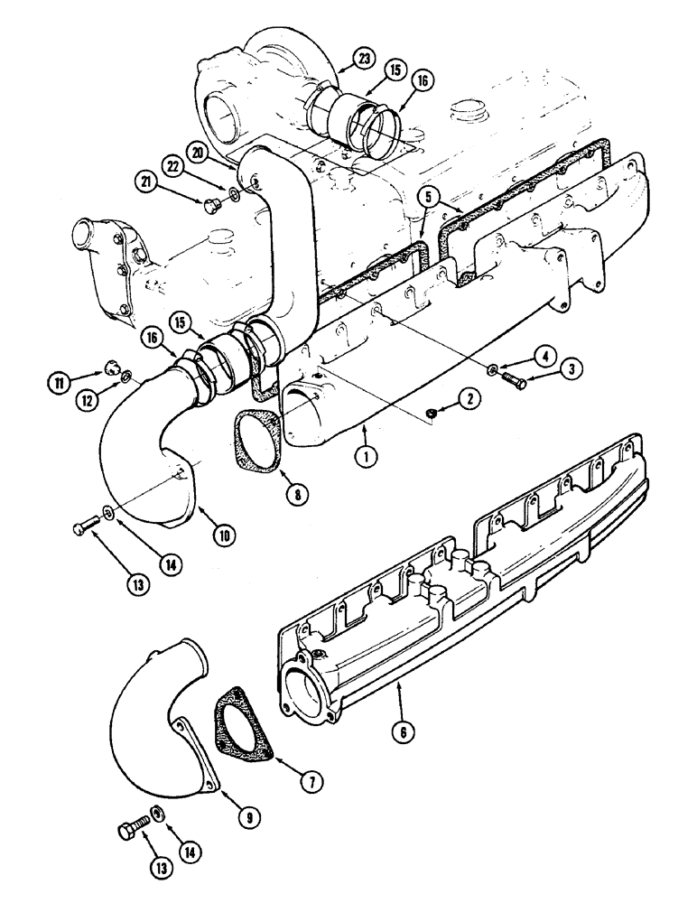
1
14
15
15
5
22
13
6
8
2
16
14
4
16
13
10
12
11
3
23
7
FIT
1:1
100%

Артикул

Название

Примечание

Количество

1

A45781

MANIFOLD

- intake

1шт.

Prior to engine serial no. 5243345. Prior to engine serial no. 3027228.

1шт.

A45866

INSERT

- manifold, threaded (Not shown)

4шт.

2

A45843

PLUG

- intake manifold

1шт.

3

813-10035

BOLT,Hex, M10 x 1.5 x 35mm, Cl 8.8, Full Thd

- 10 x 1.5 x 35 MM

20шт.

4

195-525

WASHER,3/8", SAE

- 13/32 x 13/16 x 1/16" (10.32 x 20.64 x 1.59 MM)

20шт.

5

A46360

GASKET

- intake, Serial Range: manifold-head

2шт.

6

A46531

MANIFOLD

- intake

1шт.

Engine serial no. 5243345 and after. Engine serial no. 3027228 and after.

1шт.

7

A46613

GASKET

-, Serial Range: elbow-manifold

1шт.

Engine serial no. 5243345 and after. Engine serial no. 3027228 and after.

1шт.

8

A46362

GASKET

-, Serial Range: elbow-manifold

1шт.

Prior to engine serial no. 5243345. Prior to engine serial no. 3027228.

1шт.

9

A46532

FITTING

ELBOW - intake to turbocharger tube

1шт.

Engine serial no. 5243345 and after. Engine serial no. 3027228 and after.

1шт.

10

A45784

FITTING

ELBOW - intake to turbocharger tube

1шт.

Prior to engine serial no. 5243345. Prior to engine serial no. 3027228.

1шт.

11

A45785

PLUG

- elbow

1шт.

12

A45788

SEALING WASHER

- plug

1шт.

13

813-10045

BOLT,Hex, M10 x 1.5 x 45mm, Cl 8.8

- 10 x 1.5 x 45 mm

1шт.

14

195-525

WASHER,3/8", SAE

- 13/32 x 13/16" (10.32 x 20.64 x 1.59 MM)

1шт.

15

A46881

INTAKE AIR HOSE

- Intake tube to turbocharger (Replaces A46292)

2шт.

16

214-264

HOSE CLAMP,#52, 2.81" - 3.75", Type F Worm

CLAMP - hose, 2-13/16" to 3-3/4" (71.4 MM to 95.4 MM)

4шт.

20

A45787

TUBE

- turbocharger

1шт.

21

A45764

PLUG

- tube

1шт.

22

A45766

GASKET

WASHER - plug

1шт.

23

REF

INSTRUCTION

TURBOCHARGER - engine (See Figure 2-22)

1шт.

Выбрано товаров: 27