Запчасти Case IH 4890 (9-452) - CAB RADIO KIT, CB RADIO ATTACHMENT KIT (09) - CHASSIS/ATTACHMENTS

Схема запчастей Case IH 4890 - (9-452) - CAB RADIO KIT, CB RADIO ATTACHMENT KIT (09) - CHASSIS/ATTACHMENTS
6
5
18
3
4
2
7
22
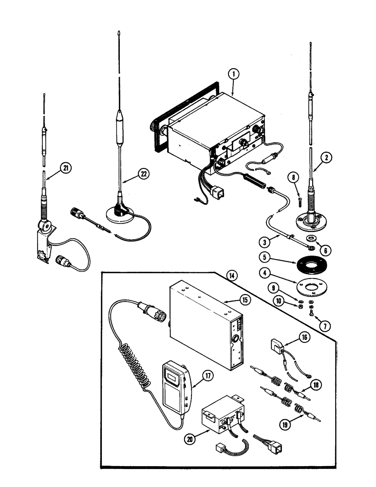
1
21
19
8
9
15
10
17
16
14
20
FIT
1:1
100%

Артикул

Название

Примечание

Количество

1

A149929

RADIO - AM, FM with tape player

1шт.

2

A149939

ANTENNA

MAST ASSEMBLY - CB antenna, Includes: Ref. 3 - 10

1шт.

3

NSS

NOT SOLD SEPARAT

CABLE - antenna

1шт.

4

NSS

NOT SOLD SEPARAT

BASE - antenna

1шт.

5

NSS

NOT SOLD SEPARAT

FLANGE - insulator

1шт.

6

195-513

WASHER,#10

- 7/32 x 1/2 x 3/64" (5.56 x 12.7 x 1.19 MM)

1шт.

7

182-525

SCREW,Sl Pan Hd, #10 - 32 x 3/8"

- #10-32 x 3/8" round slotted head

1шт.

8

182-538

SCREW,Slotted Pan Hd, #10-32 x 1"

- #10-32 x 1" round slotted head

3шт.

9

193-6

LOCK WASHER,Ext Tooth, #10

WASHER, LOCK, Ext Tooth, #10

2шт.

10

193-1000

NUT,Keps, w/LW,#10-32

- #10-32 hex. sems

4шт.

14

A162520

RADIO KIT - CB, Includes: Ref. 15 - 20

1шт.

Used on tractors equipped with radio only.

1шт.

15

NSS

NOT SOLD SEPARAT

UNIT - CB radio transceiver

1шт.

16

NSS

NOT SOLD SEPARAT

HARNESS - transceiver

1шт.

17

NSS

NOT SOLD SEPARAT

MICROPHONE - CB transmitting

1шт.

18

NSS

NOT SOLD SEPARAT

WIRE - relay control, 3/32" diameter plug-on (2.34 MM)

1шт.

19

NSS

NOT SOLD SEPARAT

WIRE - output, 9/64" diameter plug-in (3.45 MM)

1шт.

20

NSS

NOT SOLD SEPARAT

RELAY - control box

1шт.

21

A162517

ANTENNA

- CB radio

1шт.

22

A147274

ANTENNA - CB radio, magnetic mount

1шт.

Выбрано товаров: 20