Запчасти Case IH 4890 (9-462) - AIR CONDITIONING, HOSES AND TUBES (09) - CHASSIS/ATTACHMENTS

Схема запчастей Case IH 4890 - (9-462) - AIR CONDITIONING, HOSES AND TUBES (09) - CHASSIS/ATTACHMENTS
22
18
20
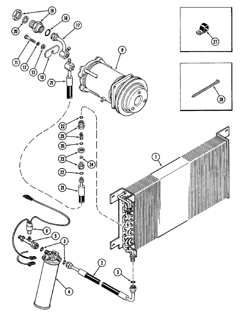
1
10
27
25
21
5
23
13
3
17
21
22
28
9
4
24
26
6
11
19
2
12
3
FIT
1:1
100%

Артикул

Название

Примечание

Количество

1

REF

INSTRUCTION

CONDENSER - (See Figure 9-460)

1шт.

2

A151071

HOSE

-, Serial Range: condenser-receiver-drier

1шт.

3

A61198

O-RING,0.07" Thk x 0.301" ID, -11

- 5/16 x 7/16 x 1/16" (7.94 x 11.11 x 1.59 MM)

3шт.

4

REF

INSTRUCTION

DRIER - receiver (See Figure 9-460)

1шт.

5

A149770

TUBE

- receiver-drier to cab connector

1шт.

6

A65779

SWITCH

- high pressure

1шт.

9

REF

INSTRUCTION

COMPRESSOR ASSEMBLY - air (See Figure 9-464), Includes: Ref. 10

1шт.

10

NSS

NOT SOLD SEPARAT

PLATE - rear

1шт.

11

814-10050

BOLT,Hex, M10 x 1.5 x 50mm, Cl 8.8

(Replaces 114-216) Hex, M10 x 50, 8.8

1шт.

12

192-21

LOCK WASHER,3/8"

WASHER, LOCK, 3/8"

1шт.

13

195-525

WASHER,3/8", SAE

- 13/32 x 13/16 x 1/16" (10.32 x 20.64 x 1.59 MM)

1шт.

17

A149772

TUBE

- cab, Serial Range: connection-compressor

1шт.

18

A61197

O-RING,1.78mm Thk x 27mm ID

- coupling, 1-3/64 x 1-13/16 x 1/16" (26.59 x 46.04 x 1.59 MM)

1шт.

19

A61194

COUPLING, BREAK AWAY

COUPLING ASSEMBLY - cab hose, Includes: Ref. 20

1шт.

20

A42668

GASKET

- coupling

1шт.

21

A149828

HOSE

-, Serial Range: compressor-condenser

1шт.

22

A61195

O-RING,0.364" ID x 0.5" OD

- coupling, 3/8 x 1/2 x 5/64" (9.52 x 12.7 x 1.98 MM)

2шт.

23

A61196

COUPLING, BREAK AWAY

COUPLING ASSEMBLY - hose, Includes: Ref. 24

1шт.

24

A42667

GASKET

- coupling

1шт.

25

A42663

COUPLING,1/2" - 20 NPT

COUPLING ASSEMBLY - condenser, Includes: Ref. 26

1шт.

26

A42665

O-RING,0.239" ID x 0.375" OD x 0.07"

- piston, 1/4 x 3/8 x 1/16" (6.35 x 9.52 x 1.59 MM)

1шт.

27

49855

CLAMP

- condenser hose

1шт.

28

L18331

CABLE TIE,375.9mm L, Nylon, Black

STRAP - nylon

1шт.

Выбрано товаров: 23