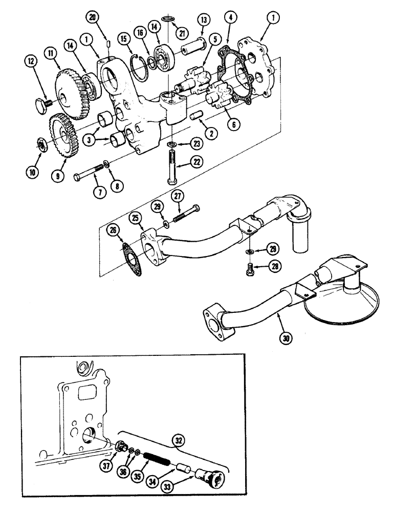
Запчасти Case IH 4890 (2-44) - OIL PUMP WITH OUT DAMPING PISTON, OIL PRESSURE VALVE, 674 CUBIC INCH DIESEL ENGINE (02) - ENGINE

Схема запчастей Case IH 4890 - (2-44) - OIL PUMP WITH OUT DAMPING PISTON, OIL PRESSURE VALVE, 674 CUBIC INCH DIESEL ENGINE (02) - ENGINE
1
12
9
10
7
26
14
20
4
29
15
3
27
23
25
32
6
13
11
1
28
2
16
35
21
14
36
29
22
33
8
5
30
37
34
FIT
1:1
100%

Артикул

Название

Примечание

Количество

A46458

PUMP

ASSEMBLY - engine oil, Includes: Ref. 1 - 16

1шт.

1

NSS

NOT SOLD SEPARAT

HOUSING ASSEMBLY - pump, Includes: Ref. 2 and 3

1шт.

2

A45953

PIN

DOWEL -, Serial Range: cover-body

2шт.

3

A45954

BUSHING

- gear (In cover and housing)

4шт.

4

A45964

GASKET

- cover (0.05 MM) (Use as required)

1шт.

4

A45965

GASKET

- cover (0.07 MM) (Use as required)

1шт.

4

A45966

GASKET

- cover (0.10 MM) (Use as required)

1шт.

5

NSS

NOT SOLD SEPARAT

GEAR - drive

1шт.

6

NSS

NOT SOLD SEPARAT

GEAR - driven

1шт.

7

813-8075

BOLT,Hex, M8 x 1.25 x 75mm, Cl 8.8

- 8 x 1.25 x 75 mm hex.

4шт.

8

195-103

WASHER,5/16"

- 3/8 x 7/8 x 5/64" (9.52 x 22.22 x 1.98 MM)

4шт.

9

A45961

GEAR

- pump drive

1шт.

10

A45962

NUT

- drive gear

1шт.

11

A45958

GEAR

- reverse idler

1шт.

12

A45959

BOLT

-, Serial Range: gear-shaft

1шт.

13

A45957

SHAFT

- reverse gear

1шт.

14

A45956

BALL BEARING

BEARING - reverse gear shaft

2шт.

15

A45972

RING

- snap, bearing

1шт.

16

A45955

BUSHING

SPACER - bearing

1шт.

20

A45969

PIN

DOWEL -, Serial Range: pump-engine

2шт.

21

A45913

O-RING,22.1 mm ID x 1.6 mm

- pump oil port

1шт.

22

813-10065

BOLT,Hex, M10 x 1.5 x 65mm, Cl 8.8

- 10 x 1.5 x 65 MM hex.

4шт.

23

195-525

WASHER,3/8", SAE

- 13/32 x 13/16 x 1/16" (10.32 x 20.64 x 1.59 MM)

4шт.

25

A45967

TUBE

- suction, oil, Serial Range: pump-pan

1шт.

Prior to engine serial no. 5251705.

1шт.

26

A45968

GASKET

- suction, Serial Range: tube-pump

1шт.

27

813-8070

BOLT,Hex, M8 x 1.25 x 70mm, Cl 8.8

- 8 x 1.25 x 70 MM hex. (Tube to pump)

2шт.

28

813-8016

BOLT,Hex, M8 x 1.25 x 16mm, Cl 8.8, Full Thd

- 8 x 1.25 x 16 MM hex. (Tube bracket)

1шт.

29

195-103

WASHER,5/16"

- 3/8 x 7/8 x 5/64" (9.52 x 22.22 x 1.98 MM)

3шт.

30

A46597

TUBE

- suction, oil, Serial Range: pump-pan

1шт.

Engine serial no. 5251705 and after.

1шт.

32

A46180

VALVE

ASSEMBLY - oil pressure, Includes: Ref. 33 - 37

1шт.

33

NSS

NOT SOLD SEPARAT

SEAT - valve

1шт.

34

NSS

NOT SOLD SEPARAT

VALVE - pressure

1шт.

35

NSS

NOT SOLD SEPARAT

SPRING - pressure

1шт.

36

A46181

SHIM

- valve

1шт.

37

NSS

NOT SOLD SEPARAT

PLUG - valve

1шт.

Выбрано товаров: 0