Запчасти Case IH 4890 (3-60) - FUEL INJECTION PUMP ASSY, 674 CUBIC INCH DIESEL ENGINE, ENGINE S/N 5224883 & AFTER, 3015590 & AFTER (03) - FUEL SYSTEM

Схема запчастей Case IH 4890 - (3-60) - FUEL INJECTION PUMP ASSY, 674 CUBIC INCH DIESEL ENGINE, ENGINE S/N 5224883 & AFTER, 3015590 & AFTER (03) - FUEL SYSTEM
13
27
11
21
4
20
26
7
28
10
12
30
2
17
8
34
32
25
18
31
24
15
16
7
9
19
33
1
9
8
22
6
5
3
14
29
FIT
1:1
100%

Артикул

Название

Примечание

Количество

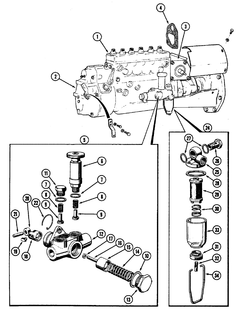
1

A46568

PUMP

INJECTION PUMP - fuel, with two hole delivery valves, Includes: Ref. 2 - 34

1шт.

1

A46555

PUMP

INJECTION PUMP - fuel, with one hole delivery valves, Includes: Ref. 2 - 34

1шт.

A46568 and A46555 Reference 08-05-86 dated service bulletin (AG55-86) not (AG55-82) to assure proper injection pump and nozzle combinations. Improper match will cause low power and excessive smoke.

1шт.

2

NSS

NOT SOLD SEPARAT

GOVERNOR ASSEMBLY - pump

1шт.

3

A46477

START SPRAY FLUID

COLD START UNIT - pump

1шт.

4

A46503

GASKET

- cold start unit

1шт.

5

NSS

NOT SOLD SEPARAT

PUMP ASSEMBLY - primer, Includes: Ref. 6 - 34

1шт.

Ref # 5 (NSS) - Dlr called in and stated A70684 may be the CIH part # for this area.

1шт.

6

A43343

CARTRIDGE

HAND PUMP - fuel primer

1шт.

A46465

KIT

- repair, Includes: Ref. 7 - 10

1шт.

7

A46127

GASKET

- hand pump and plug

2шт.

8

4A6110

SPRING - valve

2шт.

9

A46109

VALVE

- pump

2шт.

10

A46104

GASKET

- plug

1шт.

11

NSS

NOT SOLD SEPARAT

PLUG - valve spring

1шт.

12

NSS

NOT SOLD SEPARAT

HOUSING - pump

1шт.

13

NSS

NOT SOLD SEPARAT

PLUG - plunger spring

1шт.

14

B41222

SPRING

- plunger

1шт.

15

NSS

NOT SOLD SEPARAT

PLUNGER - pump

1шт.

16

NSS

NOT SOLD SEPARAT

SPINDLE - pressure

1шт.

17

NSS

NOT SOLD SEPARAT

RING - seal, spindle

1шт.

18

NSS

NOT SOLD SEPARAT

TAPPET - pump

1шт.

19

NSS

NOT SOLD SEPARAT

BLOCK - sliding

1шт.

20

NSS

NOT SOLD SEPARAT

ROLLER - pin

1шт.

21

NSS

NOT SOLD SEPARAT

PIN - roller

1шт.

22

NSS

NOT SOLD SEPARAT

RING - retainer

1шт.

24

A46113

FILTER

ASSEMBLY - primary, Includes: Ref. 25 - 34

1шт.

25

NSS

NOT SOLD SEPARAT

COVER - filter

1шт.

26

A46115

HOLLOW SCREW

- hollow

1шт.

27

A46125

GASKET

- washer

2шт.

A46466

KIT

- element, Includes: Ref. 28 - 32

1шт.

28

A43346

GASKET

- cover

1шт.

29

A43344

FILTER, ELEMENT

ELEMENT - filter

1шт.

30

A43345

SPRING

- element

1шт.

31

A43348

NUT

- tension brace

1шт.

32

A43349

STUD

SCREW - tension nut

1шт.

33

A46117

HOUSING

- glass

1шт.

34

A46119

BRACKET

BRACE - tension

1шт.

Выбрано товаров: 0