Запчасти Case IH 4890 (3-61A) - FUEL INJECTION PUMP ASSY, 674 CUBIC INCH DIESEL ENGINE, ENGINE S/N 5224883 & AFTER, 3015590 & AFTER (03) - FUEL SYSTEM

Схема запчастей Case IH 4890 - (3-61A) - FUEL INJECTION PUMP ASSY, 674 CUBIC INCH DIESEL ENGINE, ENGINE S/N 5224883 & AFTER, 3015590 & AFTER (03) - FUEL SYSTEM
11
14
4
11
5
13
10
16
3
15
1
5
20
15
1
11
6
2
16
19
16
12
15
21
7
FIT
1:1
100%

Артикул

Название

Примечание

Количество

A46568

PUMP

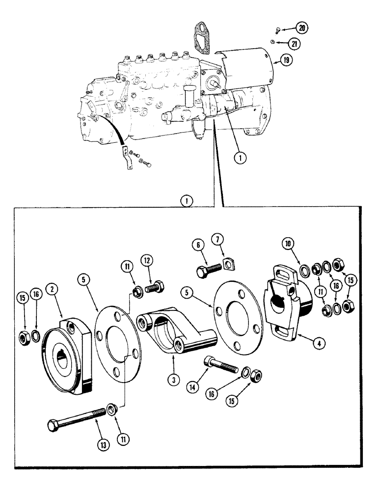
INJECTION PUMP - fuel (Continued from Figure 3-60), Includes: Ref. 1 - 21

1шт.

A46555

PUMP

INJECTION PUMP - fuel (Continued from Figure 3-60), Includes: Ref. 1 - 21

1шт.

A46568 and A46555 Reference 08-05-86 dated service bulletin (AG55-86) not (AG55-82) to assure proper injection pump and nozzle combinations. Improper match will cause low power and excessive smoke.

1шт.

1

A46474

COUPLING

ASSEMBLY - pump drive, Includes: Ref. 2 - 16

1шт.

2

A46131

COUPLING, BREAK AWAY

COUPLING - half, pump shaft

1шт.

3

A46132

HOUSING

DRIVER - coupling

1шт.

4

A46475

NO LONGER SERVICED

COUPLING - half, drive shaft (Replaces A45475

1шт.

5

A46134

DISC

- coupling

8шт.

6

813-10035

BOLT,Hex, M10 x 1.5 x 35mm, Cl 8.8, Full Thd

- 10 x 1.5 x 35 MM hex.

2шт.

7

A46135

PLATE

- washer

2шт.

10

A46140

WASHER

- flat

2шт.

11

A46136

BUSHING

- bolt

8шт.

12

A46467

BOLT

- pump coupling half

2шт.

13

813-10085

BOLT,Hex, M10 x 1.5 x 85mm, Cl 8.8

- driver, 10 x 1.5 x 85 MM hex.

2шт.

14

A46137

BOLT

- socket head

1шт.

15

A46138

NUT

- coupling

7шт.

16

192-22

LOCK WASHER,7/16"

WASHER, LOCK, 7/16"

7шт.

19

A46208

COVER

- drive coupling, injection pump

1шт.

20

813-8014

BOLT,Hex, M8 x 1.25 x 14mm, Cl 8.8, Full Thd

- 8 x 1.25 x 14 MM hex.

3шт.

21

195-103

WASHER,5/16"

- 3/8 x 7/8 x 5/64" (9.52 x 22.22 x 1.98 MM)

3шт.

Выбрано товаров: 0