Запчасти Case IH 4890 (4-092) - CAB, HEADLINER WIRING, PRIOR TO CAB SERIAL NO. 12033908 (04) - ELECTRICAL SYSTEMS

Схема запчастей Case IH 4890 - (4-092) - CAB, HEADLINER WIRING, PRIOR TO CAB SERIAL NO. 12033908 (04) - ELECTRICAL SYSTEMS
4
16
17
8
10
11
3
9
13
5
7
25
20
23
22
1
14
6
15
21
17
2
12
FIT
1:1
100%

Артикул

Название

Примечание

Количество

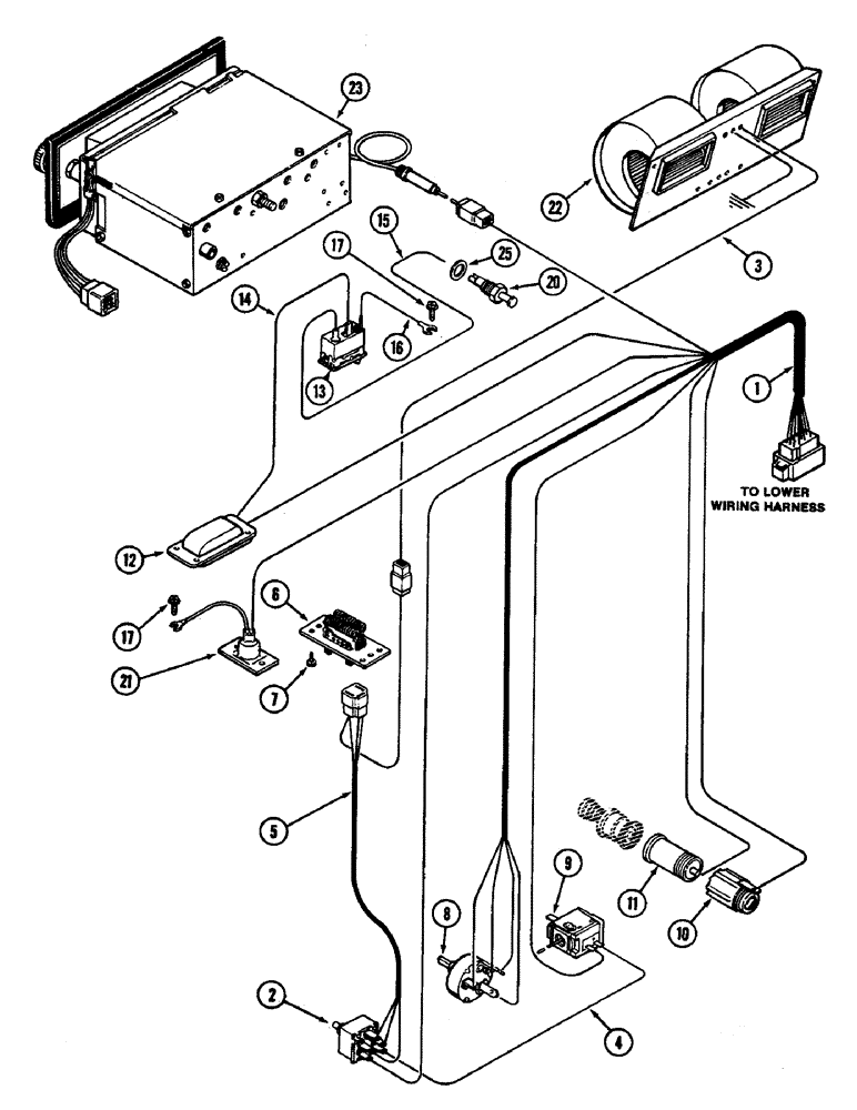
1

F64478

HARNESS

ASSEMBLY - headliner wiring

1шт.

2

REF

INSTRUCTION

SWITCH - blower (See Figure 9-446)

1шт.

3

F64443

ELECTRICAL WIRE

WIRE - switch to blower motor, red 88" (2235.2 MM)

1шт.

4

A42624

ELECTRICAL WIRE

WIRE - blower switch to air conditioning switch, black 6" (152.4 MM)

1шт.

5

F64222

HARNESS

- wire, blower switch resistor

1шт.

Cab serial no. 12016090 and after.

1шт.

6

F44900

RESISTOR

- voltage

1шт.

Cab serial no. 12016090 and after.

1шт.

7

187-579

SELF-TAP SCREW,Hex Wash Hd, #10 x 1/2"

SCREW - self-tapping, #10-16 x 1/2" washer head

2шт.

8

REF

INSTRUCTION

SWITCH - wiper (See Figure 9-446)

1шт.

9

REF

INSTRUCTION

SWITCH - air conditioning (See Figure 9-446)

1шт.

10

REF

INSTRUCTION

SHELL - lighter socket (See Figure 9-446)

1шт.

11

REF

INSTRUCTION

SOCKET - lighter (See Figure 9-446)

1шт.

12

REF

INSTRUCTION

LAMP - dome (See Figure 9-426)

1шт.

13

REF

INSTRUCTION

SWITCH - dome lamp (See Figure 9-426)

1шт.

14

F64126

ELECTRICAL WIRE

WIRE - switch to lamp, black 4" (101.6 MM)

1шт.

15

F64127

ELECTRICAL WIRE

WIRE - switch to door switch, white 70" (1778 MM)

1шт.

16

F64476

WIRE - switch to ground, black 15" (381 MM)

1шт.

17

187-1088

SELF-TAP SCREW,Hex Wash Hd, #10 x 1/2"

SCREW - self-tapping, #10-16 x 1/2" Phillips pan head

1шт.

20

F63895

SWITCH

- lamp, door opening

1шт.

21

REF

INSTRUCTION

LAMP - console (See Figure 9-426)

1шт.

22

REF

INSTRUCTION

BLOWER ASSEMBLY - (See Figure 9-432)

1шт.

23

REF

INSTRUCTION

RADIO - (See page 9-454)

1шт.

25

195-521

WASHER,5/16", SAE

- flat, 11/32 x 11/16 x 1/16" (8.7 x 17.5 x 1.6 MM)

1шт.

Выбрано товаров: 24