Запчасти Case IH 4890 (4-110) - COLD START BATTERY PACK (04) - ELECTRICAL SYSTEMS

Схема запчастей Case IH 4890 - (4-110) - COLD START BATTERY PACK (04) - ELECTRICAL SYSTEMS
13
17
15
6
29
28
8
12
14
30
31
26
10
5
25
14
9
4
12
7
32
23
22
9
7
1
3
13
21
16
2
8
6
11
24
5
10
27
FIT
1:1
100%

Артикул

Название

Примечание

Количество

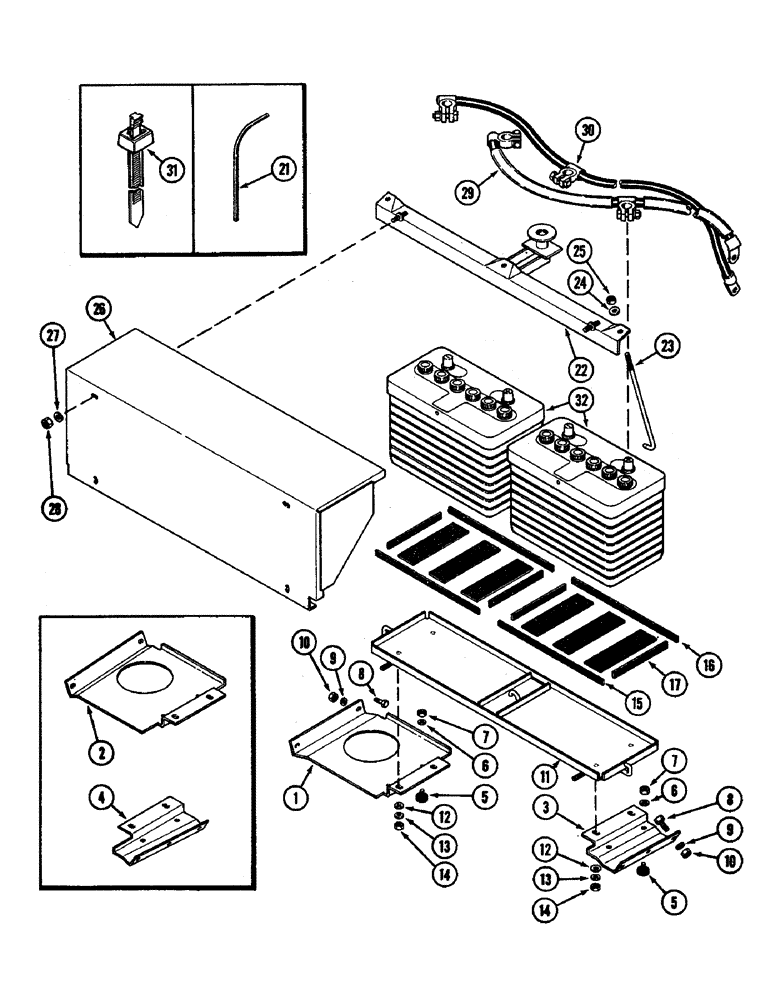
1

A150665

BRACKET

- mounting, rear straight

1шт.

2

A150667

BRACKET

- mounting, rear angle

1шт.

3

A150664

BRACKET

- mounting, front straight

1шт.

4

A150666

BRACKET

- mounting, front angle

1шт.

5

A150668

SHOCK ABSORBER

BUMPER - neoprene

4шт.

6

192-19

LOCK WASHER,Helical Spring, 0.256" ID, CST, ZND

WASHER, LOCK, 1/4"

4шт.

7

7770

NUT,Hex, 1/4 - 20, Cl 5

1/4"-20, G5

4шт.

8

113-208

BOLT,Hex, 3/8" - 16 x 1-1/4", Gr 5

5шт.

9

192-21

LOCK WASHER,3/8"

WASHER, LOCK, 3/8"

5шт.

10

129-103

NUT,Hex, 3/8" - 16, Gr 5

NUT, 3/8"-16, G5

5шт.

11

A150649

BASE

- battery pack

1шт.

12

195-525

WASHER,3/8", SAE

- 13/32 x 13/16 x 1/16" (10.32 x 20.64 x 1.59 MM)

4шт.

13

192-21

LOCK WASHER,3/8"

WASHER, LOCK, 3/8"

4шт.

14

129-103

NUT,Hex, 3/8" - 16, Gr 5

NUT, 3/8"-16, G5

4шт.

15

A150654

PAD

- face, battery pack, 1/8 x 2 x 7" (3.18 x 50.8 x 178 MM)

6шт.

To be installed with adhesive 345-19.

1шт.

16

A150653

PAD

- face, battery pack, 1/8 x 1/2 x 13-5/16" (3.8 x 12.7 x 338.14 MM)

4шт.

To be installed with adhesive 345-19.

1шт.

17

A150652

PAD

- face, battery pack, 1/8 x 1/2 x 6-11/16" (3.8 x 12.7 x 170 MM)

4шт.

To be installed with adhesive 345-19.

1шт.

21

A152966

TUBE

- drain, acid resistant vinyl, 3/16 x 5/16 x 25" (4.8 x 7.9 x 635 MM)

2шт.

22

A150658

CLAMP

ASSEMBLY - battery hold down

1шт.

23

A150663

STUD

- clamp

3шт.

24

195-521

WASHER,5/16", SAE

- 11/32 x 11/16 x 1/16" (8.73 x 17.46 x 1.59 MM)

3шт.

25

131-176

LOCK NUT,Prev Torque, Hex, 5/16" - 18, Gr A

NUT - 5/16" - 18 ESNA lock

3шт.

26

A150645

COVER

- battery pack

1шт.

27

195-104

WASHER,3/8"

- 7/16 x 1 x 5/32" (11.11 x 25.4 x 3.97 MM)

2шт.

28

131-52

NUT,3/8"-16, GC

NUT - 3/8" - 16 Esna lock

2шт.

29

A150739

CABLE

- battery, positive

1шт.

30

A150738

CABLE

- battery, negative

1шт.

31

A160890

STRAP

- wire harness

1шт.

32

A145205

WET BATTERY

- 12 volt

2шт.

Выбрано товаров: 32