Запчасти Case IH 4890 (4-124) - ALTERNATOR ASSEMBLY, WITH U.S. STANDARD MOUNTING HARDWARE (04) - ELECTRICAL SYSTEMS

Схема запчастей Case IH 4890 - (4-124) - ALTERNATOR ASSEMBLY, WITH U.S. STANDARD MOUNTING HARDWARE (04) - ELECTRICAL SYSTEMS
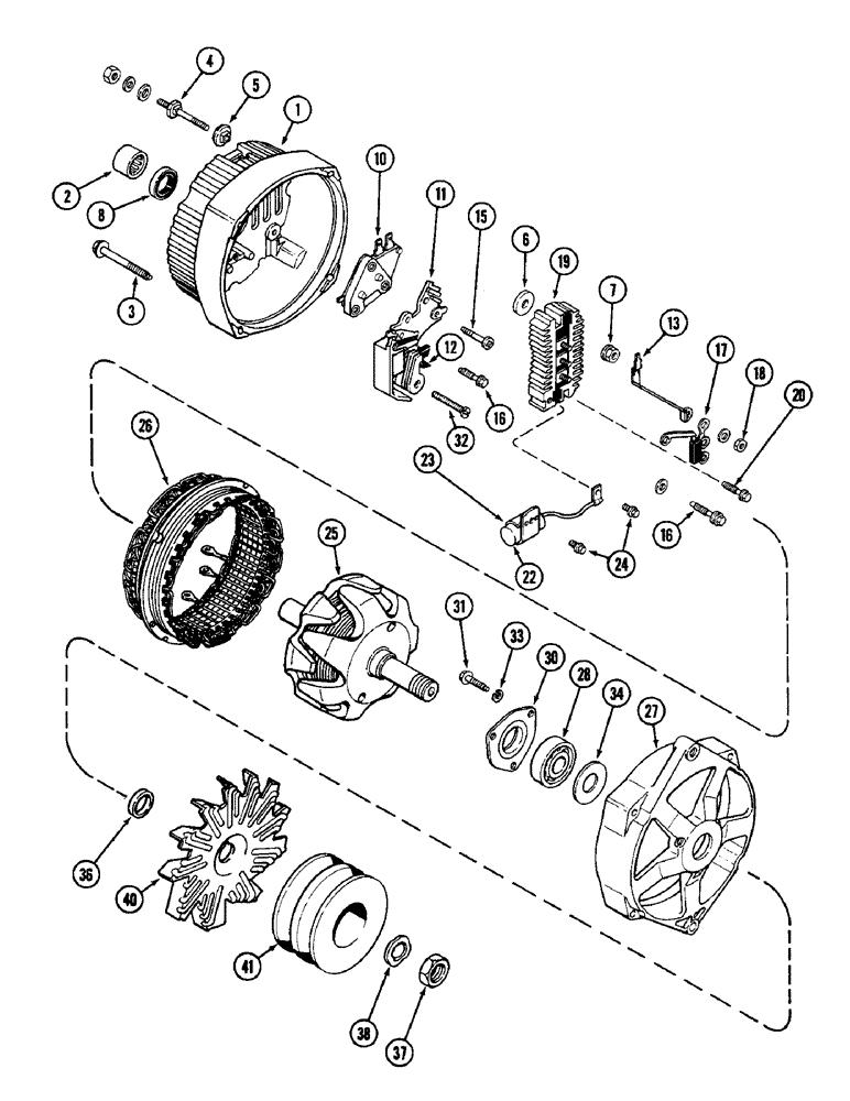
25
8
27
12
7
26
31
36
3
19
20
5
24
2
16
28
16
13
1
34
18
40
30
32
22
4
17
41
37
38
10
11
6
23
15
33
FIT
1:1
100%

Артикул

Название

Примечание

Количество

A147008

ALTERNATOR ASSEMBLY - engine (J I Case installed) (Order A145932 alternator and A137338 pulley), Includes: Ref. 1 - 41

1шт.

A145932

ALTERNATOR

ASSEMBLY - engine, 72 ampere (Delco #1102935) (Service only), Includes: Ref. 1 - 40

1шт.

1

A47041

FRAME

ASSEMBLY - slip ring end

1шт.

2

A47046

ROLLER BEARING,0.6699" ID x 0.9375" OD x 0.67"

BEARING - roller

1шт.

3

163-6

SCREW,Hex, #10 - 24 x 1 3/4"

BOLT - through, #10-24 x 1-3/4" hex. washer head

4шт.

A45225

MULTIPOLE CONNECTOR

TERMINAL KIT - battery

1шт.

4

NSS

NOT SOLD SEPARAT

STUD - terminal

1шт.

5

NSS

NOT SOLD SEPARAT

INSULATOR - terminal stud

1шт.

6

NSS

NOT SOLD SEPARAT

WASHER - insulator

1шт.

7

NSS

NOT SOLD SEPARAT

NUT - terminal stud

2шт.

10

A45213

REGULATOR

- voltage

1шт.

11

A47042

HOLDER

ASSEMBLY - brush (Includes brushes)

1шт.

12

A47626

COMMUTATOR BRUSH

BRUSH - (Order A47987)

2шт.

13

A47045

TERMINAL CONNECTOR

TERMINAL - relay

1шт.

15

A47043

SCREW,#8 - 32 x 21"

- brush holder, ground, #8-32 x 1-1/16"

1шт.

16

A45223

SCREW,Spcl, #8 - 32 x 1 1/8"

- brush holder, insulator

2шт.

17

A45219

DIODE ELEMENT

DIODE - alternator

1шт.

18

129-16

NUT,#8-32

3шт.

19

A45394

RECTIFIER

BRIDGE - alternator

1шт.

20

A45221

SCREW,Hex Wshr Hd, #8 - 32 x 0.99"

- rectifier bridge, #8-32 x 1"

1шт.

22

A47734

CAPACITOR

- alternator (Replaces A45017)

1шт.

23

A45227

CLAMP

BRACKET - capacitor mounting

1шт.

24

A45228

SELF-TAP SCREW,Hex Wash Hd, #8-32 x .59", Spc

SCREW - capacitor, #8-32 x 3/8" hex.

2шт.

25

A47039

ROTOR

ASSEMBLY - alternator (Includes slip rings)

1шт.

26

A47040

STATOR

ASSEMBLY - alternator

1шт.

27

A45612

FRAME

- drive end (Order A47836)

1шт.

28

A45627

BALL BEARING,0.9843" ID x 2.4409" OD x 0.6693"

BEARING - ball, rotor shaft drive end

1шт.

30

A45616

PLATE

- bearing retainer

1шт.

31

182-550

SCREW,Cross Pan Hd, #10-24 x 1/2"

- #10-24 x 1/2" pan head

3шт.

32

182-558

SCREW,Slotted Pan Hd, #8-32 x 1 1/4"

- #10-32 x 1-1/4" pan head

1шт.

33

192-18

LOCK WASHER,Helical Spring, #10, 0.196" ID, CST, ZND

WASHER, LOCK, #10

3шт.

34

A45614

WASHER

- grease slinger, 63/64 x 1-15/16 x 1/32" (25.0 x 49.21 x 0.79 MM)

1шт.

36

A45613

COLLAR

- outer, rotor shaft

1шт.

37

A25995

NUT

- rotor shaft

1шт.

38

A40792

WASHER

- lock

1шт.

40

A45615

FAN

- alternator

1шт.

41

A137338

PULLEY

- drive (Two groove)

1шт.

Ref #41 -- See Service Manual - section 4240 for proper installation of double pulley.

1шт.

Выбрано товаров: 38