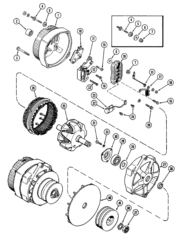
Запчасти Case IH 4890 (4-126) - ALTERNATOR ASSEMBLY, WITH METRIC MOUNTING HARDWARE (04) - ELECTRICAL SYSTEMS

Схема запчастей Case IH 4890 - (4-126) - ALTERNATOR ASSEMBLY, WITH METRIC MOUNTING HARDWARE (04) - ELECTRICAL SYSTEMS
7
11
2
24
7
13
3
15
22
40
28
33
38
16
16
6
32
4
30
5
20
27
23
34
25
26
6
19
36
5
4
31
10
41
1
37
17
18
12
FIT
1:1
100%

Артикул

Название

Примечание

Количество

A160636

ALTERNATOR

ASSEMBLY - engine, 72 ampere (Delco no. 1103129), Includes: Ref. 1 - 40

1шт.

1

A47595

FRAME

ASSEMBLY - slip ring end

1шт.

2

A47578

ROLLER BEARING,0.6694" ID x 0.937" OD x 0.73"

BEARING - roller

1шт.

3

163-6

SCREW,Hex, #10 - 24 x 1 3/4"

BOLT - through, #10-24 x 1-3/4" hex. washer head

4шт.

A47597

TERMINAL CONNECTOR

TERMINAL KIT - battery

1шт.

4

NSS

NOT SOLD SEPARAT

STUD - terminal

1шт.

5

NSS

NOT SOLD SEPARAT

INSULATOR - terminal stud

1шт.

6

NSS

NOT SOLD SEPARAT

WASHER - insulator

1шт.

7

NSS

NOT SOLD SEPARAT

NUT - terminal stud

2шт.

10

A45213

REGULATOR

- voltage

1шт.

11

A47042

HOLDER

ASSEMBLY - brush (Includes brushes), Includes: Ref. 12

1шт.

12

A47676

BRUSH, COMMUTATOR

BRUSH

2шт.

13

A47045

TERMINAL CONNECTOR

TERMINAL - relay

1шт.

15

A47043

SCREW,#8 - 32 x 21"

- brush holder, ground, #8-32 x 1-1/16"

1шт.

16

A45223

SCREW,Spcl, #8 - 32 x 1 1/8"

- brush holder, insulator

2шт.

17

A45219

DIODE ELEMENT

DIODE - alternator

1шт.

18

129-16

NUT,#8-32

3шт.

19

A45394

RECTIFIER

BRIDGE - alternator

1шт.

20

A45221

SCREW,Hex Wshr Hd, #8 - 32 x 0.99"

- rectifier bridge, #8-32 x 1"

1шт.

22

A45017

CAPACITOR

- alternator

1шт.

23

A45227

CLAMP

BRACKET - capacitor mounting

1шт.

24

A45228

SELF-TAP SCREW,Hex Wash Hd, #8-32 x .59", Spc

SCREW - capacitor, #8-32 x 3/8" hex.

2шт.

25

A47039

ROTOR

ASSEMBLY - alternator (Includes slip rings)

1шт.

26

A47620

STATOR

ASSEMBLY - alternator (Order A47040)

1шт.

27

A47621

FRAME

- drive end

1шт.

28

A45627

BALL BEARING,0.9843" ID x 2.4409" OD x 0.6693"

BEARING - ball, rotor shaft drive end

1шт.

30

A45616

PLATE

- bearing retainer

1шт.

31

182-550

SCREW,Cross Pan Hd, #10-24 x 1/2"

- #10-24 x 1/2" pan head

3шт.

32

A47581

SCREW,#8 - 32 x 1.43"

- #10-32 x 1-13/32" (Brush holder) Pan head

1шт.

33

192-18

LOCK WASHER,Helical Spring, #10, 0.196" ID, CST, ZND

WASHER, LOCK, #10

3шт.

34

A45614

WASHER

- grease slinger, 63/64 x 1-15/16 x 1/32" (25.0 x 49.21 x 0.79 MM)

1шт.

36

A45613

COLLAR

- outer, rotor shaft

1шт.

37

A25995

NUT

- rotor shaft

1шт.

38

A40792

WASHER

- lock

1шт.

40

A45615

FAN

- alternator

1шт.

41

A137338

PULLEY

- drive (Two groove)

1шт.

Ref #41 -- See Service Manual - section 4240 for proper installation of double pulley.

1шт.

Выбрано товаров: 37