Запчасти Case IH 4890 (5-142) - REAR STEERING HYDRAULICS, PRIORITY AND CONTROL VALVES, P.I.N 8860450 & AFTER (05) - STEERING

Схема запчастей Case IH 4890 - (5-142) - REAR STEERING HYDRAULICS, PRIORITY AND CONTROL VALVES, P.I.N 8860450 & AFTER (05) - STEERING
5
28
48
35
19
23
51
15
7
33
27
4
24
6
18
21
4
17
56
24
13
38
12
29
22
25
55
24
2
43
34
50
14
37
45
26
20
32
27
36
1
42
16
16
7
8
39
49
47
25
28
44
57
46
3
15
5
8
25
FIT
1:1
100%

Артикул

Название

Примечание

Количество

1

REF

INSTRUCTION

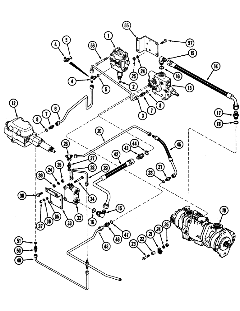
VALVE ASSEMBLY - rear steering control (See Figure 5-158)

1шт.

2

129-16

NUT,#8-32

Valve stud #8-32

3шт.

3

A162182

TUBE

- regulator valve to steering valve

1шт.

4

218-5105

ELBOW,90 Degree Elbow, 9/16" - 18 Male JIC x 9/16" - 18 Male ORB

ASSEMBLY - 90 degree, 9/16" PT (Without hitch) (Includes ref. 5)

1шт.

4

218-5182

TEE,9/16" - 18 Male JIC x 9/16" - 18 Male JIC x 9/16" - 18 Male ORB

ASSEMBLY - tube, 9/16" PT (With hitch), Includes: Ref. 5

1шт.

5

218-5005

O-RING,0.078" Thk x 0.468" ID, -906, Cl 6, 90 Duro

6-1, 90 Duro, .468" ID x .078" Thk, tee (11.89 x 1.98 mm)

1шт.

6

A162611

TUBE

- hitch valve to steering valve

1шт.

7

218-5057

HYD CONNECTOR,9/16" - 18 JIC x 9/16" - 18 ORB

CONNECTOR - 9/16" PT, straight, Incl. Ref. 8

2шт.

8

218-5005

O-RING,0.078" Thk x 0.468" ID, -906, Cl 6, 90 Duro

6-1, 90 Duro, .468" ID x .078" Thk, connector (11.89 x 1.98 mm)

1шт.

12

REF

INSTRUCTION

VALVE ASSEMBLY - hitch control (See Figure 8-330)

1шт.

13

REF

INSTRUCTION

VALVE ASSEMBLY - pressure regulator (See Figure 8-264)

1шт.

14

A148749

HOSE

- hydraulic pump to regulator valve

1шт.

15

218-5108

ELBOW,90 Degree Elbow, 1-1/16" - 12 Male JIC x 1-1/16" - 12 Male ORB

ASSEMBLY - 1-1/16" PT, 90 degree, Incl. Ref. 16

2шт.

16

218-5008

O-RING,0.116" Thk x 0.924" ID, -912, Cl 6, 90 Duro

- 15/16 x 7/64" (23.47 x 2.95 MM)

1шт.

17

218-5077

HYD CONNECTOR,1-1/16" - 12 Male JIC x 1-5/16" - 12 Male ORB

CONNECTOR ASSEMBLY - hose, Incl. Ref. 18

1шт.

18

218-5010

O-RING,0.116" Thk x 1.171" ID, -916, Cl 6, 90 Duro

- 1-11/64 x 7/64" (29.74 x 2.95 MM)

1шт.

19

REF

INSTRUCTION

PUMP ASSEMBLY - hydraulic (See Figure 8-276 through 8-284)

1шт.

20

A162184

TUBE

- priority sensing

1шт.

21

49845

CLAMP

CLIP - tube retaining

1шт.

22

A140442

BUSHING

SPACER - clip to side plate, 13/32 x 3/4 x 1" (10.32 x 19.05 x 25.4 MM)

1шт.

23

13-636

BOLT,Hex, 3/8" - 16 x 2-1/4", Gr 5

Clip retaining Hex, 3/8"-16 x 2 1/4", G5

1шт.

24

92-6

LOCK WASHER,3/8"

7шт.

25

129-103

NUT,Hex, 3/8" - 16, Gr 5

NUT, (Replaces 25-106) 3/8"-16, G5

7шт.

26

218-836

TEE,37 Degree, 9/16"-18 x 9/16"-18, Fem Sw Br

- connector, 9/16" PT

1шт.

27

218-5352

HYD CONNECTOR,9/16"-18, 37 Degree x 7/16"-20, O-Ring

CONNECTOR ASSEMBLY - straight, Includes: Ref. 28

2шт.

28

218-5003

O-RING,0.072" Thk x 0.351" ID, -904, Cl 6, 90 Duro

- 23/64 x 5/64" (8.92 x 1.83 MM)

1шт.

29

A162180

TUBE

- priority valve drain

1шт.

32

REF

INSTRUCTION

VALVE ASSEMBLY - steering priority (See Figure 5-160)

1шт.

33

A161768

BRACKET

- mounting, priority valve

1шт.

34

13-544

BOLT,Hex, 5/16" - 18 x 2-3/4", Gr 5

2шт.

35

95-5

WASHER,3/8" x 7/8" x .083"

- 5/16" flat

2шт.

36

92-5

LOCK WASHER,5/16"

2шт.

37

9635082

NUT,5/16" - 18, Gr 5

- 5/16" NC hex.

2шт.

38

13-620

BOLT,Hex, 3/8" - 16 x 1-1/4", Gr 5, Full Thd

2шт.

39

95-6

WASHER,3/8"

- flat 3/8"

2шт.

42

A162188

TUBE

AND HOSE ASSEMBLY - regulator valve to priority valve

1шт.

43

218-5064

HYD CONNECTOR,1-1/16" - 12 Male JIC x 1-1/16" - 12 Male ORB

CONNECTOR ASSEMBLY - straight, Incl. Ref. 44

1шт.

44

218-5008

O-RING,0.116" Thk x 0.924" ID, -912, Cl 6, 90 Duro

- 15/16 x 7/64" (23.47 x 2.95 MM)

1шт.

45

A162183

HOSE

ASSEMBLY - pump to priority valve

1шт.

46

218-5059

HYD CONNECTOR,3/4"-16, 37 Degree x 3/4"-16, O-Ring

CONNECTOR ASSEMBLY - straight, Incl. Ref 47

1шт.

48

A162253

TUBE

ASSEMBLY -, Serial Range: valve-sump

1шт.

49

A163223

TUBE

- hitch valve drain

1шт.

50

218-5053

HYD CONNECTOR,7/16" - 20 JIC x 7/16" - 20 ORB

CONNECTOR ASSEMBLY - straight, Incl. Ref. 51

1шт.

51

218-5003

O-RING,0.072" Thk x 0.351" ID, -904, Cl 6, 90 Duro

- 11/32 x 5/64" (8.92 x 1.83 MM)

1шт.

55

A161768

BRACKET

- rear steering valve support

1шт.

56

113-252

BOLT,Hex, 3/8" - 16 x 3-3/4", Gr 5

2шт.

57

113-209

BOLT,Hex, 3/8" - 16 x 1-1/2", Gr 5

2шт.

47

218-5006

O-RING,0.087" Thk x 0.644" ID, -908, Cl 6, 90 Duro

- 41/64 x 3/32" (16.36 x 2.21 MM)

1шт.

Выбрано товаров: 48