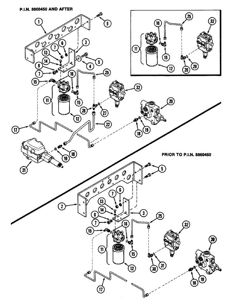
Запчасти Case IH 4890 (5-147A) - REAR STEERING FILTER SYSTEM (05) - STEERING

Схема запчастей Case IH 4890 - (5-147A) - REAR STEERING FILTER SYSTEM (05) - STEERING
27
18
29
14
13
5
22
14
16
12
6
19
7
4
1
25
25
5
3
32
30
18
15
26
6
31
19
7
5
12
18
12
11
16
17
13
3
15
20
25
19
17
16
7
11
21
7
2
32
20
6
15
11
15
32
15
6
28
FIT
1:1
100%

Артикул

Название

Примечание

Количество

1

A165362

PLATE

- remote coupling mounting, Start Serial: 8860450

1шт.

2

A149229

PLATE

- remote coupling mounting, Serial Range: -8860450

1шт.

3

A164803

BRACKET

- filter mounting

1шт.

Part of rear steering filter kit, P/N A165035

1шт.

4

A156428

WASHER

SPACER - bracket, 21/32 x 2-1/8 x 23/64" (16.67 x 53.97 x 9.13 MM)

1шт.

Part of rear steering filter kit, P/N A165035

1шт.

5

13-828

BOLT,Hex, 1/2" - 13 x 1-3/4", Gr 5

- 1/2 x 1-3/4" NC hex.

2шт.

Part of rear steering filter kit, P/N A165035

1шт.

6

92-8

LOCK WASHER,1/2"

2шт.

Part of rear steering filter kit, P/N A165035

1шт.

7

25-108

NUT,1/2"-13, G5

- 1/2" NC hex.

2шт.

Part of rear steering filter kit, P/N A165035

1шт.

11

A165030

FILTER, ENGINE OIL

FILTER ASSEMBLY - rear steering, Includes: Ref. 12

1шт.

Part of rear steering filter kit, P/N A165035

1шт.

12

A165029

HYDRAULIC OIL FILTER

ELEMENT - steering filter

1шт.

13

13-612

BOLT,Hex, 3/8" - 16 x 3/4", Gr 5, Full Thd

4шт.

Part of rear steering filter kit, P/N A165035

1шт.

14

92-6

LOCK WASHER,3/8"

4шт.

15

218-5128

ELBOW,90° Elbow, 9/16" - 18 Male JIC x 3/4" - 16 Male ORB

Assy, Incl. Ref. 16 90º, 9/16"-18, 37º x 3/4"-16, O-Ring

2шт.

Part of rear steering filter kit, P/N A165035

1шт.

16

218-5005

O-RING,0.078" Thk x 0.468" ID, -906, Cl 6, 90 Duro

6-1, 90 Duro, .468" ID x .078" Thk (11.89 ID x 1.98 mm width)

1шт.

17

A164805

TUBE

ASSEMBLY - filter inlet

1шт.

Part of rear steering filter kit, P/N A165035

1шт.

18

218-5057

HYD CONNECTOR,9/16" - 18 JIC x 9/16" - 18 ORB

CONNECTOR - straight, Incl. Ref. 19

2шт.

19

218-5005

O-RING,0.078" Thk x 0.468" ID, -906, Cl 6, 90 Duro

6-1, 90 Duro, .468" ID x .078" Thk (11.89 ID x 1.98 mm width)

1шт.

20

218-5105

ELBOW,90 Degree Elbow, 9/16" - 18 Male JIC x 9/16" - 18 Male ORB

VALVE ASSEMBLY - pressure regulator

1шт.

21

A161686

VALVE

ASSEMBLY - hitch control

1шт.

22

A162611

TUBE

- hitch valve to steering control valve

1шт.

25

A164804

TUBE

ASSEMBLY - filter outlet

1шт.

Part of rear steering filter kit, P/N A165035

1шт.

26

218-5182

TEE,9/16" - 18 Male JIC x 9/16" - 18 Male JIC x 9/16" - 18 Male ORB

- tube (P.I.N. 8860450 and after, with hitch), Includes: Ref. 27

1шт.

27

218-5005

O-RING,0.078" Thk x 0.468" ID, -906, Cl 6, 90 Duro

6-1, 90 Duro, .468" ID x .078" Thk (11.89 ID x 1.98 mm width)

1шт.

28

218-5105

ELBOW,90 Degree Elbow, 9/16" - 18 Male JIC x 9/16" - 18 Male ORB

- 90 degree (P.I.N. 8860450 and after, without hitch), Includes: Ref. 29

1шт.

Part of rear steering filter kit, P/N A165035

1шт.

29

218-5005

O-RING,0.078" Thk x 0.468" ID, -906, Cl 6, 90 Duro

6-1, 90 Duro, .468" ID x .078" Thk (11.89 ID x 1.98 mm width)

1шт.

30

218-51505

FITTING

ELBOW - 90 degree, Includes: Ref. 31, Serial Range: -8860450

1шт.

31

218-5005

O-RING,0.078" Thk x 0.468" ID, -906, Cl 6, 90 Duro

6-1, 90 Duro, .468" ID x .078" Thk (11.89 ID x 1.98 mm width)

1шт.

32

A145924

VALVE

ASSEMBLY - rear steering control

1шт.

A165035

FILTER

KIT - rear steering filter, Includes: Ref. 3, 4, 5, 6, 7, 11, 13, 15, 17, 25 and 28, Machinery item, Serial Range: -8861530

1шт.

Выбрано товаров: 39