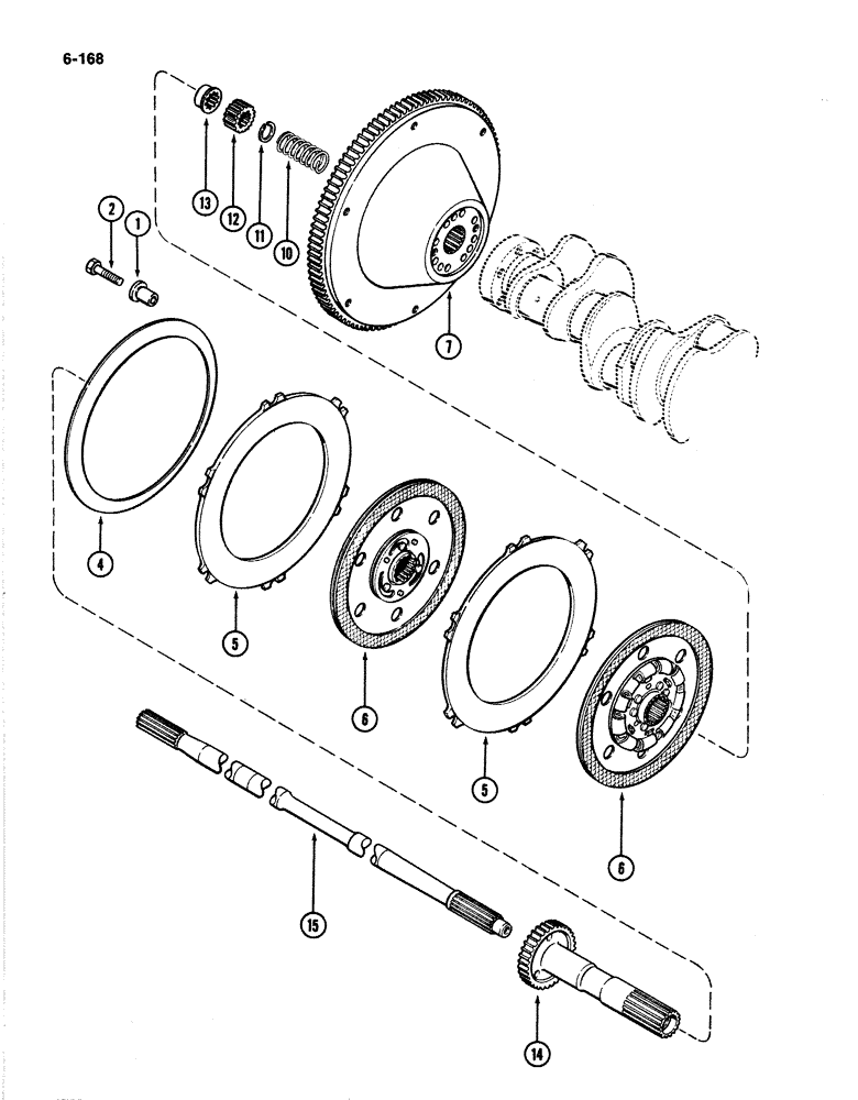
Запчасти Case IH 4894 (6-168) - TRANSMISSION CLUTCH ASSEMBLY (06) - POWER TRAIN

Схема запчастей Case IH 4894 - (6-168) - TRANSMISSION CLUTCH ASSEMBLY (06) - POWER TRAIN
11
2
6
10
5
1
4
7
13
5
14
15
6
12
FIT
1:1
100%

Артикул

Название

Примечание

Количество

1

A155866

SPRING SHACKLE

RETAINER - spring

1шт.

2

26-840

BOLT,Hex, 1/2" - 13 x 2-1/2", Gr 8

- hex, 1/2 NC x 2-1/2 inch (Grade 8)

6шт.

4

A151101

SPRING

- plate, torque limiter

1шт.

5

A155859

PLATE

- pressure

2шт.

6

A179080

DRIVEN PLATE

PLATE - driven (Replaces A155491)

2шт.

7

REF

INSTRUCTION

FLYWHEEL ASSEMBLY - engine (See Figure 2-40)

1шт.

10

A65416

SPRING

- drive sleeve, PTO shaft

1шт.

11

A76480

RING

- snap, drive sleeve and spring

1шт.

12

A136781

SLEEVE

- PTO shaft drive

1шт.

13

A76482

BUSHING,20T

- drive gear shaft

1шт.

14

A148351

GEAR

ASSEMBLY - planetary input (See Figure 6-172)

1шт.

15

A148126

SHAFT

- PTOand hydraulic pump drive

1шт.

Выбрано товаров: 12