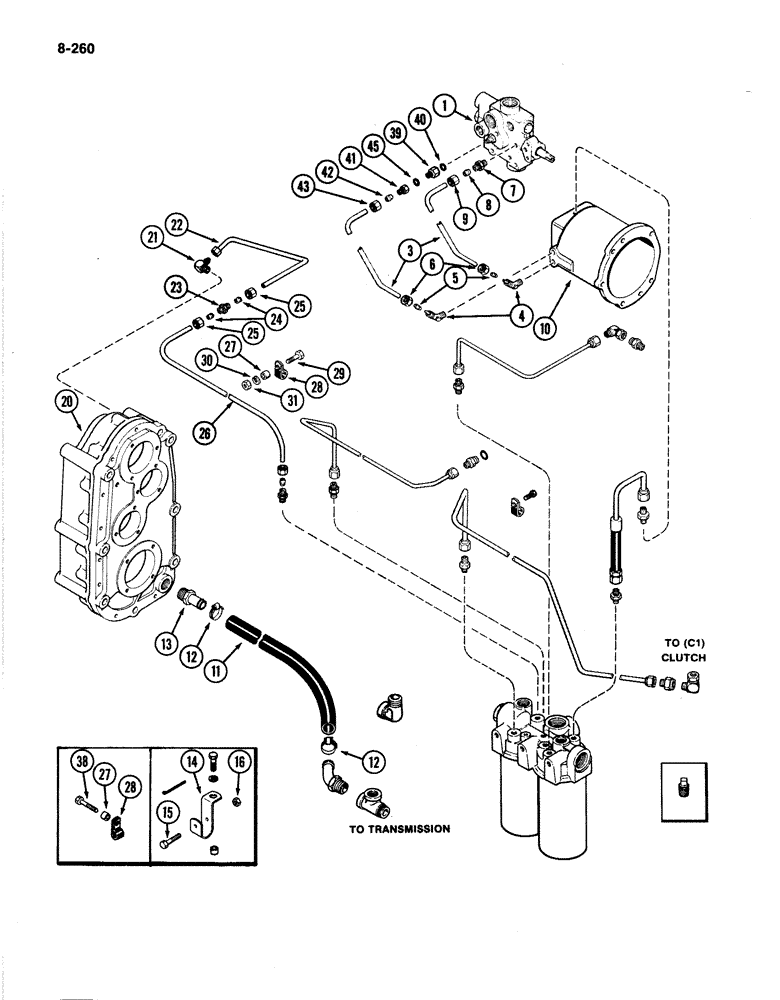
Запчасти Case IH 4894 (8-260) - PTO HYDRAULICS AND LUBRICATION TUBES (08) - HYDRAULICS

Схема запчастей Case IH 4894 - (8-260) - PTO HYDRAULICS AND LUBRICATION TUBES (08) - HYDRAULICS
15
10
30
16
6
1
13
7
29
39
4
43
31
23
40
28
24
25
11
22
27
14
21
41
12
28
38
27
12
9
8
25
45
20
42
26
5
3
FIT
1:1
100%

Артикул

Название

Примечание

Количество

1

REF

INSTRUCTION

VALVE ASSEMBLY - hydraulic regulator (See Figures 8-272 or 274)

1шт.

3

A75811

TUBE

HOSE - 34 inch long (864 mm) (Order A67323, cut to desired length)

2шт.

4

222-2726

ELBOW,45 Degree, 17/32"-24 x 1/4" NPT, Comp

ASSEMBLY - 45 degree, 3/8 tube 17/32-24 thread 1/4 inch PT, Includes: Ref. 5 and 6

2шт.

5

222-2611

SLEEVE

- flanged, 3/8 inch tube

1шт.

6

222-2601

NUT

NUT - hex 3/8 tube 17/32-24 inch

1шт.

7

222-2631

FITTING,17/32"-24 x 1/8" NPT Fem, Comp

CONNECTOR ASSEMBLY - straight, 3/8 tube x 1/8 inch PT, Includes: Ref. 8 and 9

1шт.

8

222-2611

SLEEVE

- flanged, 3/8 inch tube

1шт.

9

222-2601

NUT

NUT - hex, 3/8 tube 17/32-24 inch thread

1шт.

10

REF

INSTRUCTION

HOUSING - PTO clutch (See Figure 6-242)

1шт.

11

W17738

HOSE

- PTO drain

1шт.

12

214-256

HOSE CLAMP,#20, 0.81" - 1.75", Type F Worm

CLAMP - hose, 1-3/16 To 1-3/4 inch

2шт.

13

217-156

FITTING,1" Hose Barb x 1" Male NPTF

CONNECTOR - 1 PT x 1 inch hose ID barb end

1шт.

14

A169271

BRACKET

SUPPORT - PTO drain hose

1шт.

15

113-110

BOLT,Hex, 5/16" - 18 x 2-1/4", Gr 5

Hex, 5/16"-18 x 2 1/4", G5

1шт.

16

131-176

LOCK NUT,Prev Torque, Hex, 5/16" - 18, Gr A

NUT - hex lock, 5/16 inch NC

1шт.

20

REF

INSTRUCTION

HOUSING - PTO (See Figure 6-246)

1шт.

21

218-533

ELBOW,45 Degree, 9/16-18" 37 Degree x 1/4"-18, NPTF

(3/8" tube) 45º, 9/16-18" 37º x 1/4"-18, NPTF

1шт.

22

A169971

TUBE

ASSEMBLY - PTO lubrication

1шт.

23

222-2651

HYD CONNECTOR,17/32"-24

CONNECTOR ASSEMBLY - straight, 3/8 tube x 17/32-24 thread, Includes: Ref. 24 and 25

1шт.

24

222-2611

SLEEVE

- flanged, 3/8 inch tube

2шт.

25

222-2601

NUT

NUT - 17/32 inch 24, 3/8 inch tube

2шт.

26

A61107

TUBE

- PTO lubrication, 65 inch long (1651 mm) (Order A62027)

1шт.

27

A76093

BUSHING

SPACER - tube clamp, 1/2 inch long (13 mm)

2шт.

28

49845

CLAMP

- tube

4шт.

29

113-209

BOLT,Hex, 3/8" - 16 x 1-1/2", Gr 5

2шт.

30

192-21

LOCK WASHER,3/8"

WASHER, LOCK, 3/8"

4шт.

31

129-103

NUT,Hex, 3/8" - 16, Gr 5

NUT, 3/8"-16, G5

4шт.

38

187-1300

SELF-TAP SCREW,Hex, 3/8" - 18 x 1"

SCREW - hex, self-tapping, 3/8 x 1 inch

2шт.

39

218-5425

CONNECTOR, ELEC

CONNECTOR ASSEMBLY - straight, 3/8 inch tube 9/16-18 thread x 1/4 inch PT, Includes: Ref. 40

1шт.

40

218-5005

O-RING,0.078" Thk x 0.468" ID, -906, Cl 6, 90 Duro

- 11/32 x 5/64 Inch (9 x 2 mm)

1шт.

41

222-2666

FITTING,17/32"-24 x 1/4" NPT Fem, Comp

CONNECTOR ASSEMBLY - straight, 3/8 inch tube 17/32-24, thread x 1/4 inch PT, Includes: Ref. 42 and 43

1шт.

42

222-2611

SLEEVE

- flanged, 3/8 inch tube

1шт.

43

222-2601

NUT

NUT - hex, 3/8 tube 17/32-24 inch

1шт.

45

218-5005

O-RING,0.078" Thk x 0.468" ID, -906, Cl 6, 90 Duro

- 11/32 O.D. x 5/64 inch width (9 x 2 mm)

1шт.

Выбрано товаров: 34