Запчасти Case IH 4894 (8-282) - TRANSMISSION TOP COVER SYSTEM (08) - HYDRAULICS

Схема запчастей Case IH 4894 - (8-282) - TRANSMISSION TOP COVER SYSTEM (08) - HYDRAULICS
4
45
15
44
3
10
5
26
19
31
17
11
2
40
12
7
18
9
1
21
30
16
33
10
42
23
13
6
41
14
46
22
24
2
25
43
32
20
FIT
1:1
100%

Артикул

Название

Примечание

Количество

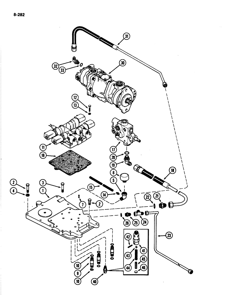
1

A157774

COVER

- top, transmission

1шт.

2

13-840

BOLT,Hex, 1/2" - 13 x 2-1/2", Gr 5

- hex, 1/2 NC x 2-1/2 inch

3шт.

2

13-836

BOLT,Hex, 1/2" - 13 x 2-1/4", Gr 5

- hex, 1/2 NC x 2-1/4 inch

7шт.

3

13-820

BOLT,Hex, 1/2" - 13 x 1-1/4", Gr 5, Full Thd

1шт.

4

92-8

LOCK WASHER,1/2"

9шт.

5

A169038

ELBOW UNION

ELBOW - seat adapter

1шт.

6

A75179

BREATHER

BREATER - transmission oil

1шт.

7

D24005

PIN

- dowel, Serial Range: cover-housing

1шт.

9

A76120

TUBE

- oil distributor

3шт.

10

G102845

O-RING,0.07" Thk x 0.489" ID, -14, Cl 6, 90 Duro

- tube seal

6шт.

11

REF

INSTRUCTION

VALVE ASSEMBLY - transmission control (See Figure 6-154)

1шт.

12

113-233

BOLT,Hex, 3/8" - 16 x 1-3/4", Gr 5

- hex, 3/8 NC x 3-1/2 inch

9шт.

13

192-21

LOCK WASHER,3/8"

WASHER, LOCK, 3/8"

9шт.

14

218-441

HYD CONNECTOR,7/16" - 20 Male JIC x 1/8" - 27 Male NPTF

CONNECTOR - straight, 1/4 tube 7/16-20 thread x 1/8 inch PT

1шт.

15

REF

INSTRUCTION

HOSE - seat, Serial Range: vent-breather

1шт.

16

A157776

MANIFOLD GASKET

- control valve to top cover

1шт.

17

REF

INSTRUCTION

VALVE ASSEMBLY - pressure regulator (See Figure 8-272, 274)

1шт.

18

A138249

HOSE

- regulator, Serial Range: valve-transmission

1шт.

19

218-5108

ELBOW,90 Degree Elbow, 1-1/16" - 12 Male JIC x 1-1/16" - 12 Male ORB

ASSEMBLY - 90 degree, 3/4 tube 7/16-14 inch thread, Incl. Ref. 20

1шт.

20

218-5009

O-RING,0.116" Thk x 1.048" ID, -914, Cl 6, 90 Duro

- 1-3/64 ID x 7/64 inch width (27 x 3 mm)

1шт.

21

218-5064

HYD CONNECTOR,1-1/16" - 12 Male JIC x 1-1/16" - 12 Male ORB

CONNECTOR ASSEMBLY- straight, 3/4 tube x 1-1/16-12 inch thread, Incl. Ref. 22

1шт.

22

218-5009

O-RING,0.116" Thk x 1.048" ID, -914, Cl 6, 90 Duro

- 1-3/64 ID x 7/64 inch width (27 x 3 mm)

1шт.

23

A140427

TUBE

- oil cooler return

1шт.

24

218-845

TEE,37 Degree, 3/4"-16 x 3/4"-16, Fem Sw Run

CONNECTOR - swivel (Branch Type) 1/2 tube 3/4-16 inch thread

1шт.

25

218-5059

HYD CONNECTOR,3/4"-16, 37 Degree x 3/4"-16, O-Ring

CONNECTOR ASSEMBLY - straight, 1/2 tube 3/4-16 inch thread, Incl. Ref 26

1шт.

26

218-5345

O-RING,9-1, 90 Duro, .706" ID x .097" Thk

- 23/32 ID x 3/32 inch width (18 x 2 mm)

1шт.

30

REF

INSTRUCTION

PUMP ASSEMBLY - hydraulic (See Figure 8-284)

1шт.

31

A151133

TUBE

- hydraulic pump relief valve drain

1шт.

32

218-5106

90 ELBOW,90 Degree Elbow, 3/4" - 16 Male JIC x 3/4" - 16 Male ORB

ASSEMBLY - 90 degree adjustable, 1/2 tube 3/4-16 inch thread, Includes: Ref. 33

1шт.

40

A60890

VALVE

ASSEMBLY - relief, lube oil, Includes: Ref. 41

1шт.

41

NSS

NOT SOLD SEPARAT

BODY - Valve (Order A60890) (Reference No. A37579), lubricating oil relief valve assy

1шт.

42

138-57

LOCK PIN,1/8" x 3/4", Slotted

PIN, (3 x 19 mm), Lubricating oil relief valve assy 1/8" x 3/4", Slotted

1шт.

43

211-9

BALL,5/16" Dia

- 5/16 inch (8 MM) diameter, lubricating oil relief valve assy

1шт.

44

A60889

SPRING

- relief ball, lubricating oil vavle assy

1шт.

45

138-96

LOCK PIN,3/16" x 1", Slotted

PIN, , Spring guide (5 x 25) lubricating oil relief valve assy 3/16" x 1", Slotted

1шт.

46

195-506

WASHER,#6

- flat, 5/32 x 5/16 x 1/32 inch (4 x 8 x 1 mm), lubricating oil relief vavle assy

1шт.

33

218-5006

O-RING,0.087" Thk x 0.644" ID, -908, Cl 6, 90 Duro

- 21/32 ID x 3/32 inch width (17 x 2 mm)

1шт.

Выбрано товаров: 37