Запчасти Case IH 4894 (8-284) - TRIPLE HYDRAULIC PUMP ASSEMBLY, CHARGE PUMP SECTION (08) - HYDRAULICS

Схема запчастей Case IH 4894 - (8-284) - TRIPLE HYDRAULIC PUMP ASSEMBLY, CHARGE PUMP SECTION (08) - HYDRAULICS
16
9
7
11
4
13
14
20
2
8
15
1
3
12
10
11
5
6
11
17
FIT
1:1
100%

Артикул

Название

Примечание

Количество

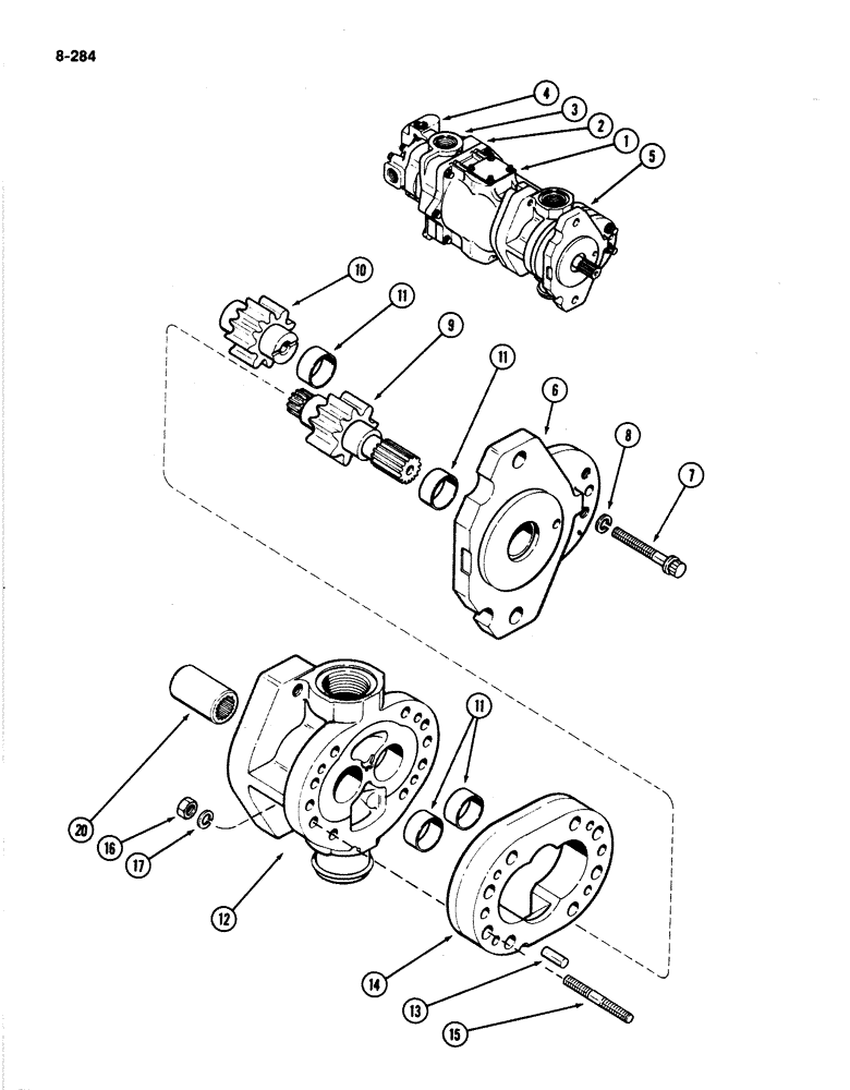
A166506

PUMP

ASSEMBLY - triple hydraulic, Includes: Ref. 1 - 20

1шт.

J I Case installed. For Repairs order A166507 pump and A47882 relief spool.

1шт.

1

NSS

NOT SOLD SEPARAT

PUMP ASSEMBLY - piston (See Figure 8-286)

1шт.

2

REF

INSTRUCTION

COMPENSATOR ASSEMBLY - (See Figure 8-290)

1шт.

3

REF

INSTRUCTION

PUMP ASSEMBLY - gear (See Figure 8-292)

1шт.

4

REF

INSTRUCTION

VALVE ASSEMBLY - flow divider, front steering (See Figure 8-292)

1шт.

5

A47640

PUMP

ASSEMBLY - charge, Includes: Ref. 5 - 17

1шт.

6

NSS

NOT SOLD SEPARAT

COVER - front

1шт.

7

NSS

NOT SOLD SEPARAT

SCREW - cap

4шт.

8

NSS

NOT SOLD SEPARAT

WASHER - lock

4шт.

9

NSS

NOT SOLD SEPARAT

GEAR - drive

1шт.

10

NSS

NOT SOLD SEPARAT

GEAR - driven

1шт.

11

NSS

NOT SOLD SEPARAT

BUSHING - gear

4шт.

12

NSS

NOT SOLD SEPARAT

BODY - pump

1шт.

13

NSS

NOT SOLD SEPARAT

DOWEL - body

2шт.

14

NSS

NOT SOLD SEPARAT

BODY - center section

1шт.

15

NSS

NOT SOLD SEPARAT

STUD - body

4шт.

16

NSS

NOT SOLD SEPARAT

NUT - stud

4шт.

17

NSS

NOT SOLD SEPARAT

WASHER - lock

4шт.

20

A47641

COUPLING, BREAK AWAY

COUPLING - charge, Serial Range: pump-piston

1шт.

Выбрано товаров: 20