Запчасти Case IH 4894 (9-360) - DRAWBAR AND SUPPORTS (09) - CHASSIS/ATTACHMENTS

Схема запчастей Case IH 4894 - (9-360) - DRAWBAR AND SUPPORTS (09) - CHASSIS/ATTACHMENTS
47
30
34
22
21
46
46
5
23
9
8
8
8
24
9
37
36
26
8
3
2
43
8
25
44
27
5
6
4
11
29
10
20
51
12
1
50
28
38
19
35
FIT
1:1
100%

Артикул

Название

Примечание

Количество

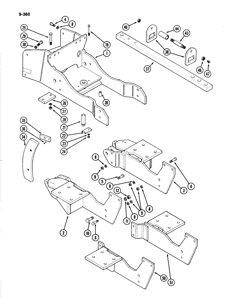
1

A166946

DRAWBAR

SUPPORT - drawbar

1шт.

2

A161987

BRACE

- drawbar, right (with hitch)

1шт.

3

A161986

BRACKET

BRACE - drawbar, left (with hitch)

1шт.

4

113-708

BOLT,Hex, 3/4" - 10 x 2", Gr 5

6шт.

5

113-705

BOLT,Hex, 3/4" - 10 x 2-1/2", Gr 5

- hex, 3/4 NC x 2-1/2 inch

6шт.

6

113-730

BOLT,Hex, 3/4" - 10 x 2-3/4", Gr 5

- hex, 3/4 NC x 2-3/4 inch

5шт.

8

192-27

LOCK WASHER,3/4"

WASHER, LOCK, 3/4"

16шт.

9

129-108

NUT,3/4"-10, G5

10шт.

10

113-917

BOLT,Hex, 1" - 8 x 2-3/4", Gr 5, Full Thd

2шт.

11

192-31

LOCK WASHER,1"

WASHER, LOCK, 1"

2шт.

12

129-110

NUT,1"-8, G5

2шт.

19

113-411

BOLT,Hex, 1/2" - 13 x 4-1/2", Gr 5

2шт.

20

R40103

SPACER

- drawbar bolt

2шт.

21

T38569

PIN,38.1mm OD x 127mm L

- drawbar pivot

1шт.

22

T38570

LOCK

- drawbar pin

1шт.

23

192-23

LOCK WASHER,1/2"

WASHER, LOCK, 1/2"

2шт.

24

129-105

NUT,Hex, 1/2" - 13, Gr 5

2шт.

25

113-725

BOLT,Hex, 3/4" - 10 x 5-1/2", Gr 5

- hex, 3/4 NC x 5-1/2 inch

2шт.

26

T38563

PLATE

- drawbar

1шт.

27

192-27

LOCK WASHER,3/4"

WASHER, LOCK, 3/4"

2шт.

28

129-108

NUT,3/4"-10, G5

2шт.

29

113-705

BOLT,Hex, 3/4" - 10 x 2-1/2", Gr 5

- hex, 3/4 NC x 2-1/2 inch

4шт.

30

192-27

LOCK WASHER,3/4"

WASHER, LOCK, 3/4"

4шт.

34

A165275

BLOCK

- sway

2шт.

35

A162548

BUSHING

SPACER ASSEMBLY - sway block, Includes: Ref. 36

4шт.

36

138-304

LOCK PIN,1/4" x 1 1/4", Slotted

PIN, 1/4" x 1 1/4", Slotted

1шт.

37

A167190

DRAWBAR

- tractor

1шт.

38

A167104

PLATE

HANGER - drawbar roller

2шт.

43

T38572

PIN

- drawbar roller

1шт.

44

A145831

BUSHING

- drawbar roller

1шт.

46

131-477

LOCK NUT,1"-8

NUT - hex lock, 1 inch NC

2шт.

47

219-55

LUBE NIPPLE,90 Degree Elbow, 1/8" - 27 NPTF

NIPPLE, LUBE, 90º, 1/8" NPT x .84" lg

1шт.

50

A138537

BRACE

- drawbar support, R.H. (without hitch)

1шт.

51

A138542

BRACE

- drawbar support, L.H. (without hitch)

1шт.

Выбрано товаров: 34