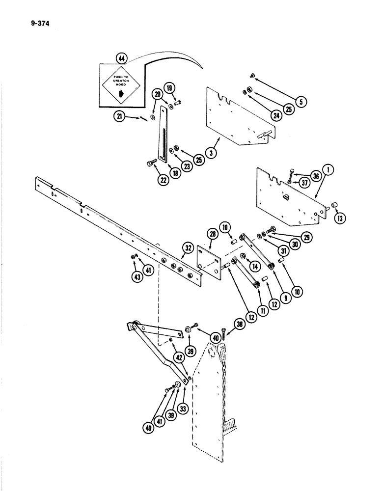
Запчасти Case IH 4894 (9-374) - HOOD HINGE AND LIFT (09) - CHASSIS/ATTACHMENTS

Схема запчастей Case IH 4894 - (9-374) - HOOD HINGE AND LIFT (09) - CHASSIS/ATTACHMENTS
5
10
25
31
14
3
12
22
13
19
36
39
23
42
41
43
30
9
38
28
41
33
29
39
21
18
40
40
20
24
10
12
1
37
25
11
32
44
FIT
1:1
100%

Артикул

Название

Примечание

Количество

1

A165249

HINGE

PLATE - hinge pivot, right

1шт.

3

A165251

HINGE

PLATE - hinge pivot, left

1шт.

5

121-228

SERRATED BOLT,Hex, 3/8" - 16 x 3/4"

6шт.

9

A166855

LINK ASSY.

ARM ASSEMBLY - hinge pivot, lower, Includes: Ref. 10

2шт.

10

A59809

BUSHING,12.8mm ID x 15.93mm OD x 25.4mm L

- pivot

2шт.

11

A166853

LINK ASSY.

ARM ASSEMBLY - hinge pivot, upper, Includes: Ref. 12

2шт.

12

A59809

BUSHING,12.8mm ID x 15.93mm OD x 25.4mm L

- pivot

2шт.

13

A161642

BUSHING

SPACER - front linkage, 33/64 x 1 x 5/8 inch (13 x 25 x 16 mm)

4шт.

14

131-425

PUSH-ON NUT,Push, 1/2"

NUT, LOCK, Push, 1/2"

8шт.

18

A164841

PLATE

- hinge arm, lock

1шт.

19

A12470

PIN

- lock, Serial Range: plate-arm

1шт.

20

A30752

WASHER

- flat, 17/32 x 1-1/16 x 1/32 inch (13 x 27 x 1 mm)

2шт.

21

132-49

COTTER PIN,1/8" x 1 1/8"

Pin, Split (Cotter), 1/8" x 1 1/8"

1шт.

22

113-412

BOLT,Hex, 1/2" - 13 x 1-3/4", Gr 5

1шт.

23

A161623

LOCK WASHER

- hinge lock

2шт.

24

192-23

LOCK WASHER,1/2"

WASHER, LOCK, 1/2"

1шт.

25

129-105

NUT,Hex, 1/2" - 13, Gr 5

2шт.

28

A162890

PLATE

- hood support pivot, right

1шт.

28

A162891

PLATE

- hood support pivot, left (Right shown)

1шт.

29

113-410

BOLT,Hex, 1/2" - 13 x 1-1/2", Gr 5, Full Thd

4шт.

30

192-23

LOCK WASHER,1/2"

WASHER, LOCK, 1/2"

4шт.

31

195-533

WASHER,1/2", SAE

- flat, 17/32 x 1-1/16 x 3/32 inch (13 x 27 x 2 mm)

4шт.

32

A161609

BRACKET

SUPPORT - hood lift angle, right

1шт.

32

A161608

BRACKET

SUPPORT - hood lift angle, left (Right shown)

1шт.

33

A163664

ARM

- hood lift assist, right

1шт.

33

A163665

ARM

- hood lift assist, left (Right shown)

1шт.

36

A146118

BOLT

- stop

1шт.

37

129-103

NUT,Hex, 3/8" - 16, Gr 5

NUT, 3/8"-16, G5

1шт.

38

113-250

BOLT,Hex, 3/8" - 16 x 2-1/2", Gr 5, Full Thd

2шт.

39

A160153

BUSHING

SPACER - arm assist

4шт.

40

113-208

BOLT,Hex, 3/8" - 16 x 1-1/4", Gr 5

4шт.

41

192-21

LOCK WASHER,3/8"

WASHER, LOCK, 3/8"

4шт.

42

195-525

WASHER,3/8", SAE

- flat, 13/32 x 13/16 x 1/16 inch (10 x 21 x 2 mm)

1шт.

43

129-103

NUT,Hex, 3/8" - 16, Gr 5

NUT, 3/8"-16, G5

4шт.

44

321-3985

DECAL

- lock plate

1шт.

A181953

SPRING

CYLINDER gas-charged, for hood

1шт.

Выбрано товаров: 36