Запчасти Case IH 4894 (9-426) - CAB FRONT WINDSHIELD WIPER (09) - CHASSIS/ATTACHMENTS

Схема запчастей Case IH 4894 - (9-426) - CAB FRONT WINDSHIELD WIPER (09) - CHASSIS/ATTACHMENTS
16
9
13
19
8
4
15
11
20
28
3
25
21
10
6
1
27
29
2
5
12
7
14
26
17
FIT
1:1
100%

Артикул

Название

Примечание

Количество

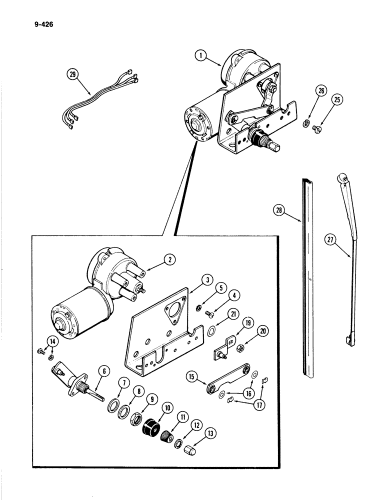
1

F96900

MOTOR HOUSING

WIPER ASSEMBLY - windshield (See Figure 9-428), Includes: Ref. 1 - 21

1шт.

1

F96764

WIPER

ASSEMBLY - windshield (American Bosch) (Order F96900 or F98245), Includes: Ref. 2 - 21

1шт.

2

NSS

NOT SOLD SEPARAT

MOTOR - wiper (Reference No. F96765)

1шт.

3

NSS

NOT SOLD SEPARAT

BRACKET - mounting (Order F96764)

1шт.

4

174-214

SCREW,Sl Rnd Hd, 1/4" - 28 x 5/8"

- round head, 1/4 NF x 5/8 inch

3шт.

5

193-57

LOCK WASHER,Ext Tooth, 1/4"

WASHER, LOCK, Ext Tooth, 1/4"

3шт.

D71415

SHAFT

ASSEMBLY - wiper arm, Includes: Ref. 6 - 13

1шт.

6

NSS

NOT SOLD SEPARAT

SHAFT AND PIVOT - wiper arm (Order D71415)

1шт.

7

D71417

SPECIAL WASHER

WASHER - fiber

1шт.

8

D71418

WASHER

- steel

1шт.

9

D71419

NUT

- shaft

1шт.

10

D71420

CAP

BOOT - rubber

1шт.

11

D71421

TOOL

DRIVER - knurled, wiper arm

1шт.

12

193-87

LOCK WASHER,Ext-Int Tooth, 1/2"

WASHER - internal lock, 5/16 inch

1шт.

13

D71422

NUT

- arm fastener

1шт.

14

D71416

SCREW

- round head, No. 10-32 x 5/16 inch (includes washer)

2шт.

15

D71427

LINK,85.85mm L

- motor to shaft pivot

1шт.

16

A22431

WASHER

- link clip

2шт.

17

D71414

CLIP

- link to drive arm and shaft

2шт.

19

F64210

LEVER

ARM - drive

1шт.

20

F44452

LOCK NUT

- lock, arm to motor shaft

1шт.

21

D71411

WASHER

- spring

1шт.

25

182-548

SCREW,Slotted Pan Hd, 1/4"-28 x 3/8"

- pan head slotted, 1/4 x 3/8 inch

2шт.

26

192-19

LOCK WASHER,Helical Spring, 0.256" ID, CST, ZND

WASHER, LOCK, 1/4"

2шт.

27

A165060

WIPER ARM

ARM - wiper blade, 18 inch (457 mm) black

1шт.

28

A165059

WIPER

BLADE - wiper, 20 inch (508 mm) black

1шт.

29

F64530

ELECTRICAL WIRE

WIRE ASSEMBLY - extension, wiper

1шт.

F98245

SERVICE KIT - wiper (Includes F96764 and Ref. 29)

1шт.

Выбрано товаров: 28