Запчасти Case IH 4894 (2-12) - ETHER STARTING AID 674 CUBIC INCH DIESEL ENGINE (02) - ENGINE

Схема запчастей Case IH 4894 - (2-12) - ETHER STARTING AID 674 CUBIC INCH DIESEL ENGINE (02) - ENGINE
6
7
3
16
17
41
33
23
32
42
2
15
8
24
45
20
5
19
1
29
9
30
25
43
12
46
31
4
27
44
26
10
18
11
FIT
1:1
100%

Артикул

Название

Примечание

Количество

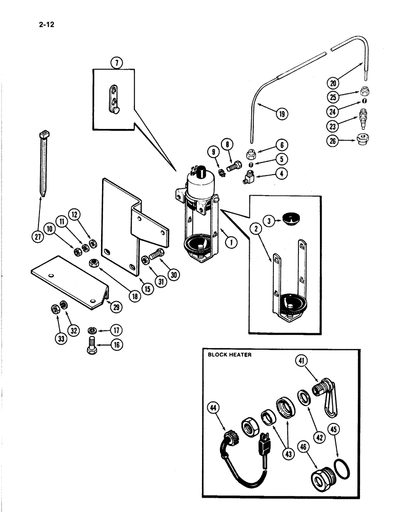
1

A143381

SOLENOID

ASSEMBLY - ether injection, Includes: Ref. 2 - 6

1шт.

2

D77648

BAIL

HANGER ASSEMBLY - ether can

1шт.

3

R30786

GASKET

- ether can

1шт.

4

222-615

ELBOW,90 Degree, 5/16"-24 x 1/8" NPT, Comp

Assy, Incl. Ref 5 & 6 90º, 5/16"-24 x 1/8" NPT, Comp

1шт.

5

222-650

SLEEVE,1/8" Tube, Comp

1шт.

6

222-660

FLANGE NUT,5/16"-24, 45 Degree Fl, Comp

for 1/8" tube 5/16"-24, 45º Fl, Comp

1шт.

7

R30812

LINK

- hanger extension

2шт.

8

113-102

BOLT,Hex, 5/16" - 18 x 3/4", Gr 5

Hex, 5/16"-18 x 3/4", G5, Full Thd

2шт.

9

193-71

LOCK WASHER,Ext-Int Tooth, 5/16"

WASHER, LOCK, Ext-Int Tooth, 5/16"

2шт.

10

9635082

NUT,5/16" - 18, Gr 5

2шт.

11

192-20

LOCK WASHER,Helical Spring, 0.318" ID, CST, ZND

WASHER, LOCK, 5/16"

2шт.

12

195-521

WASHER,5/16", SAE

- flat, 11/32 x 11/16 x 1/16 inch (9 x 17 x 2 mm)

2шт.

15

A165456

BRACKET

- solenoid support (Replaces A146674)

1шт.

16

113-206

BOLT,Hex, 3/8" - 16 x 3/4", Gr 5, Full Thd

2шт.

17

192-21

LOCK WASHER,3/8"

WASHER, LOCK, 3/8"

2шт.

18

129-103

NUT,Hex, 3/8" - 16, Gr 5

NUT, 3/8"-16, G5

2шт.

19

A138483

TUBE

- plastic, solenoid to injector (Cut to desired length

1шт.

20

A39358

TUBE

- plastic, solenoid to injector (Order A67322)

1шт.

23

A145069

NOZZLE INJECTION

INJECTOR ASSEMBLY - turbocharger intake, Includes: Ref. 24 and 25

1шт.

24

222-650

SLEEVE,1/8" Tube, Comp

1шт.

25

222-660

FLANGE NUT,5/16"-24, 45 Degree Fl, Comp

for 1/8" tube 5/16"-24, 45º Fl, Comp

1шт.

26

221-1084

REDUCER,Hex, 1/4" x 1/8" NPT

BUSHING - reducer, 1/4 PT to 1/8 inch PT

1шт.

27

R38237

STRAP

- harness, plastic

2шт.

29

A165455

BRACKET

SUPPORT - solenoid bracket

1шт.

30

113-207

BOLT,Hex, 3/8" - 16 x 1", Gr 5

2шт.

31

195-103

WASHER,5/16"

- flat, 3/8 x 7/8 x 5/64 inch (9 x 22 x 2 mm)

2шт.

32

192-21

LOCK WASHER,3/8"

WASHER, LOCK, 3/8"

2шт.

33

129-103

NUT,Hex, 3/8" - 16, Gr 5

NUT, 3/8"-16, G5

2шт.

A155436

RESISTOR

HEATER KIT - engine coolant, cylinder block, Includes: Ref. 40 - 44

1шт.

Item # A155436 subs to 3 diff. part #'s depending on the use. A182017 & A182020 fit in a frost plug hole

1шт.

Approx. 1-7/8" dia. A182059 has a 1" thread. by bb 4/16/96

1шт.

40

A45115

NUT

- element, cylinder block heater

1шт.

41

NSS

NOT SOLD SEPARAT

ELEMENT - heater, cylinder block

1шт.

42

A45114

GASKET

- element, cylinder block heater

1шт.

43

NSS

NOT SOLD SEPARAT

PLUG AND SPACER - element (Discard and Use Ref. 45 and 46), cylinder block heater

1шт.

44

A44813

CABLE EXTENSION

CORD - 12 inch (305 mm), cylinder block heater

1шт.

45

A45719

O-RING,39.3 mm ID x 1.6 mm

- fitting, cylinder block heater

1шт.

46

A150514

FITTING

- element, cylinder block heater

1шт.

Выбрано товаров: 38