Запчасти Case IH 4894 (9-438) - AIR CONDITIONING HOSES AND TUBES (09) - CHASSIS/ATTACHMENTS

Схема запчастей Case IH 4894 - (9-438) - AIR CONDITIONING HOSES AND TUBES (09) - CHASSIS/ATTACHMENTS
27
28
21
6
19
17
12
2
1
22
24
9
3
3
11
26
10
25
18
23
21
20
4
22
13
5
FIT
1:1
100%

Артикул

Название

Примечание

Количество

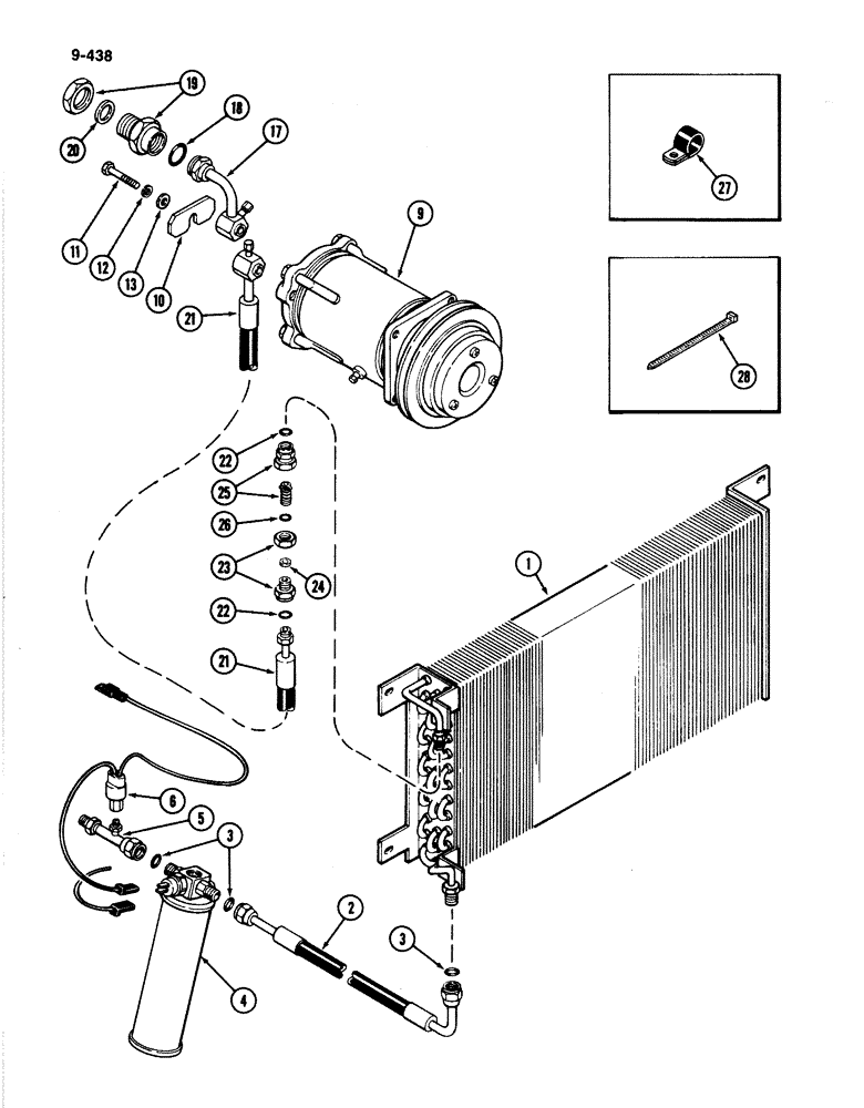
1

REF

INSTRUCTION

CONDENSER - air (See Figure 9-436)

1шт.

2

A151071

HOSE

-, Serial Range: condenser-receiver-drier

1шт.

3

A61198

O-RING,0.07" Thk x 0.301" ID, -11

- 5/16 inch (8 mm) ID

3шт.

4

REF

INSTRUCTION

RECEIVER-DRIER (See Figure 9-436)

1шт.

5

A149770

TUBE

- receiver-drier to cab connector

1шт.

6

A65779

SWITCH

- high pressure

1шт.

9

REF

INSTRUCTION

COMPRESSOR ASSEMBLY - air (See Figure 9-440), Includes: Ref. 10

1шт.

10

NSS

NOT SOLD SEPARAT

PLATE - rear

1шт.

11

814-10050

BOLT,Hex, M10 x 1.5 x 50mm, Cl 8.8

1шт.

12

192-21

LOCK WASHER,3/8"

WASHER, LOCK, 3/8"

1шт.

13

195-525

WASHER,3/8", SAE

- flat, 13/32 x 13/16 x 1/16 inch (10 x 21 x 2 mm)

1шт.

17

A149772

TUBE

- cab, Serial Range: connection-compressor

1шт.

18

A61197

O-RING,1.78mm Thk x 27mm ID

- coupling

1шт.

19

A61194

COUPLING, BREAK AWAY

COUPLING ASSEMBLY - cab hose, Includes: Ref. 20

1шт.

20

A42668

GASKET

- coupling

1шт.

21

A149828

HOSE

-, Serial Range: compressor-condenser

1шт.

22

A61195

O-RING,0.364" ID x 0.5" OD

- coupling, 3/8 inch (10 mm) ID

2шт.

23

A61196

COUPLING, BREAK AWAY

COUPLING ASSEMBLY - hose, Includes: Ref. 24

1шт.

24

A42667

GASKET

- coupling

1шт.

25

A42663

COUPLING,1/2" - 20 NPT

COUPLING ASSEMBLY - condenser, Includes: Ref. 26

1шт.

26

A42665

O-RING,0.239" ID x 0.375" OD x 0.07"

- piston

1шт.

27

49855

CLAMP

- condenser hose

1шт.

28

R38237

STRAP

- nylon

1шт.

Выбрано товаров: 23