Запчасти Case IH 4894 (2-36) - CYLINDER BLOCK 674 CUBIC INCH DIESEL ENGINE (02) - ENGINE

Схема запчастей Case IH 4894 - (2-36) - CYLINDER BLOCK 674 CUBIC INCH DIESEL ENGINE (02) - ENGINE
37
25
1
26
33
10
25
25
28
36
9
33
1
2
5
3
32
24
6
8
27
14
25
32
17
20
16
15
13
39
22
21
11
30
12
40
31
35
FIT
1:1
100%

Артикул

Название

Примечание

Количество

A46507

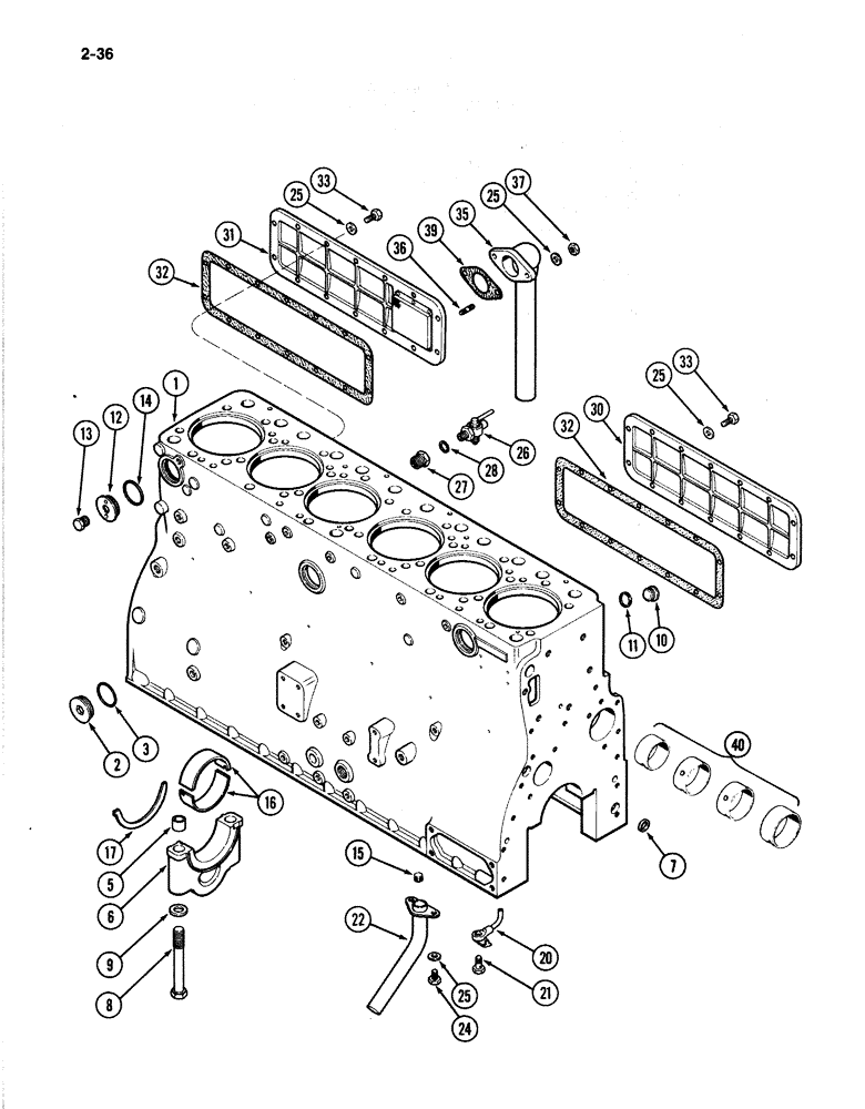
CRANKCASE

BLOCK ASSEMBLY - cylinder, short (Includes stripped block, pistons, sleeves, connecting rods and bearings, crankshaft and bearings, camshaft and timing gears

1шт.

1

A70918

BLOCK

ASSEMBLY - cylinder, stripped, Includes: Ref. 2 - 9

1шт.

If equipped, uses A70915 sleeve, Figure 2-42

1шт.

1

A70658

BLOCK

ASSEMBLY - cylinder, stripped, Includes: Ref. 2 - 9

1шт.

If equipped, uses A70915 sleeve, Figure 2-42

1шт.

2

A45818

PLUG

- right side

3шт.

3

A45845

O-RING,45.8 mm ID x 49 mm OD

- plug

3шт.

5

A5819

GUIDE - bearing, Serial Range: cap-block

14шт.

6

NSS

NOT SOLD SEPARAT

CAP - main bearing (Order block)

7шт.

7

A45853

SEALING WASHER

- washer

3шт.

8

A45847

SCREW,Hex, M18 x 145mm

BOLT - bearing cap

14шт.

9

A45848

WASHER

- bolt, bearing cap

14шт.

10

A45849

PLUG

- left side

1шт.

11

A45850

GASKET

GASKET - plug

1шт.

12

A45854

PLUG

- right side

1шт.

13

A45851

PLUG

- 3/8 inch PT

1шт.

14

A45845

O-RING,45.8 mm ID x 49 mm OD

- plug

1шт.

15

A45846

PLUG

- cylinder block

1шт.

16

REF

INSTRUCTION

LINER - bearing, crankshaft (See Figure 2-38)

14шт.

17

A45828

WASHER

- thrust, center bearing (3.429 mm, Standard)

4шт.

17

A45829

WASHER

- thrust (3.505 mm, oversize)

4шт.

17

A45830

WASHER

- thrust (3.556 mm, oversize)

4шт.

17

A46344

WASHER

- thrust (3.683 mm, oversize)

4шт.

20

A46515

NOZZLE CAP

NOZZLE - piston cooling

6шт.

21

A46361

BANJO BOLT

- nozzle (Hollow)

6шт.

22

A46596

TUBE

- drain

1шт.

24

814-8016

BOLT,Hex, M8 x 1.25 x 16mm, Cl 8.8, Full Thd

- hex, M8 16 mm

2шт.

25

195-521

WASHER,5/16", SAE

- flat, 11/32 x 11/16 x 1/16 inch (9 x 17 x 2 mm)

32шт.

26

A46155

VALVE

- drain, cylinder block

1шт.

27

A46156

CONNECTOR, ELEC

CONNECTOR - drain, Serial Range: valve-block

1шт.

28

A45852

GASKET

- drain connector

1шт.

30

A70670

COVER

- front, side

1шт.

31

A70672

COVER

- rear, side (With breather opening)

1шт.

32

A45856

GASKET

- cover

2шт.

33

814-8025

BOLT,Hex, M8 x 1.25 x 25mm, Cl 8.8, Full Thd

- hex, M8 x 25 mm

28шт.

35

A70698

TUBE

- breather

1шт.

36

A45882

STUD

- breather flange

2шт.

37

825-1108

NUT,Hex, M8, Cl 8

2шт.

39

A46436

GASKET

- breather tube

1шт.

40

REF

INSTRUCTION

BUSHING - camshaft (See Figure 2-34)

4шт.

Выбрано товаров: 40