Запчасти Case IH 4894 (3-58) - FUEL INJECTION PUMP 674 CUBIC INCH DIESEL ENGINE (03) - FUEL SYSTEM

Схема запчастей Case IH 4894 - (3-58) - FUEL INJECTION PUMP 674 CUBIC INCH DIESEL ENGINE (03) - FUEL SYSTEM
2
32
3
1
23
5
7
8
9
29
25
7
24
10
27
15
8
21
28
31
11
2
9
30
26
6
14
12
16
34
27
22
33
13
FIT
1:1
100%

Артикул

Название

Примечание

Количество

1

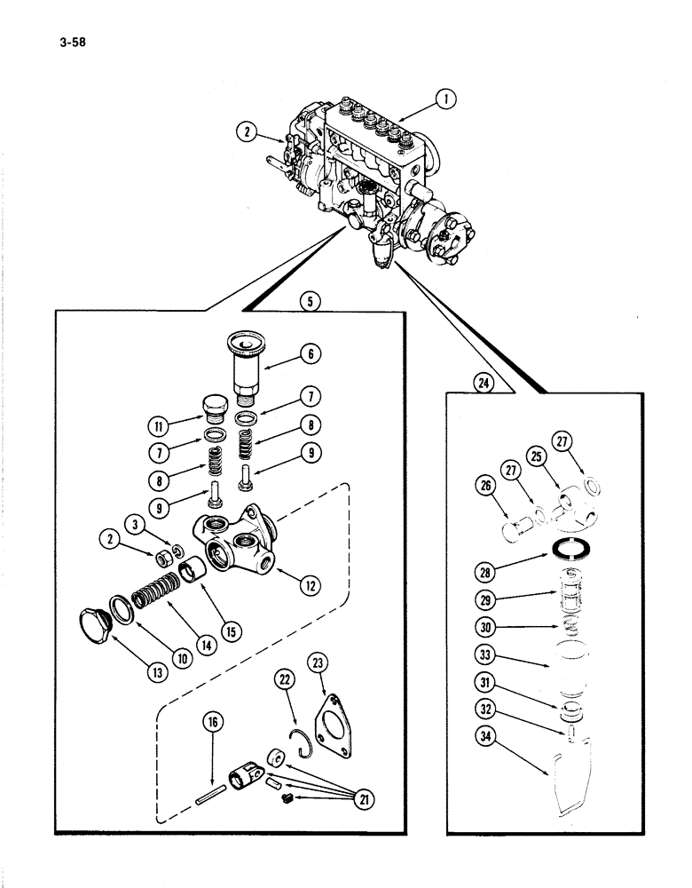
A70681

PUMP, FUEL INJECTION

INJECTION PUMP - fuel

1шт.

2

825-1006

NUT,M6, Cl 8

- hex, M6

3шт.

3

192-19

LOCK WASHER,Helical Spring, 0.256" ID, CST, ZND

WASHER, LOCK, , Includes: Ref. 5 - 34 1/4"

3шт.

5

A70684

PUMP

ASSEMBLY - transfer

1шт.

6

A43343

CARTRIDGE

HAND PUMP - fuel primer

1шт.

A46465

KIT

- repair, Includes: Ref. 7 - 10

1шт.

7

A43351

SEAL

GASKET - hand pump and plug

2шт.

8

NSS

NOT SOLD SEPARAT

SPRING - valve (Reference No. A46110)

2шт.

9

NSS

NOT SOLD SEPARAT

VALVE - pump (Reference No. A46109)

2шт.

10

NSS

NOT SOLD SEPARAT

GASKET - plug (Reference No. A46104)

1шт.

11

NSS

NOT SOLD SEPARAT

PLUG - valve spring

1шт.

12

NSS

NOT SOLD SEPARAT

HOUSING - pump

1шт.

13

NSS

NOT SOLD SEPARAT

PLUG - plunger spring

1шт.

14

A70903

SPRING

- plunger (Order A46465 kit)

1шт.

15

NSS

NOT SOLD SEPARAT

PLUNGER - pump

1шт.

16

NSS

NOT SOLD SEPARAT

SPINDLE - pressure (Reference No. A46101)

1шт.

21

NSS

NOT SOLD SEPARAT

ROLLER ASSEMBLY - (Reference No. A70904)

1шт.

22

NSS

NOT SOLD SEPARAT

RING - retaining

1шт.

23

A46322

GASKET

- mounting, transfer pump

1шт.

24

A46113

FILTER

ASSEMBLY - primary

1шт.

25

NSS

NOT SOLD SEPARAT

COVER - filter (Reference No. A46114)

1шт.

26

A46115

HOLLOW SCREW

- hollow

1шт.

27

A46464

GASKET

- washer

2шт.

A46466

KIT

- repair

1шт.

28

A43346

GASKET

- cover

1шт.

29

A43344

FILTER, ELEMENT

ELEMENT - filter

1шт.

30

A43345

SPRING

- element

1шт.

31

A43348

NUT

- tension brace

1шт.

32

A43349

STUD

SCREW - tension nut

1шт.

33

A43347

BOWL

HOUSING - glass

1шт.

34

A43350

CLAMP

BRACE - tension

1шт.

Выбрано товаров: 31