Запчасти Case IH 4894 (6-148) - CLUTCH HOUSING (06) - POWER TRAIN

Схема запчастей Case IH 4894 - (6-148) - CLUTCH HOUSING (06) - POWER TRAIN
15
28
34
26
1
3
27
5
30
14
27
33
22
24
31
23
4
32
13
29
27
2
12
25
7
6
28
FIT
1:1
100%

Артикул

Название

Примечание

Количество

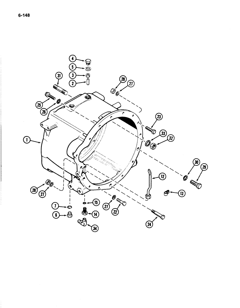
1

A140730

HOUSING

- clutch

1шт.

2

A58049

TUBE

- oil fill, (C1) and (C4) clutch

2шт.

3

A58050

PLUG

- fill tube

2шт.

4

214389

PLUG,3/4" - 16 ORB

Assy, Includes Ref. 5 Hex Hd, 3/4"-16 ORB

2шт.

6

214389

PLUG,3/4" - 16 ORB

Drain, Includes Ref. 7 Hex Hd, 3/4"-16 ORB

1шт.

12

A146610

TUBE

- lubricating, (C1) clutch

1шт.

13

49838

CLAMP

- tube

1шт.

14

A148901

FITTING

- tube, 3/4 - 16 x 1/2 inch tube

1шт.

22

113-410

BOLT,Hex, 1/2" - 13 x 1-1/2", Gr 5, Full Thd

5шт.

22

113-412

BOLT,Hex, 1/2" - 13 x 1-3/4", Gr 5

1шт.

23

113-421

BOLT,Hex, 1/2" - 13 x 2", Gr 5

1шт.

23

80087972

BOLT,Hex, 1/2" - 13 x 2 1/2", Gr 5

- hex, 1/2 NC x 2-1/2 inch

1шт.

23

113-427

BOLT,Hex, 1/2" - 13 x 3-1/4", Gr 5

1шт.

24

A149764

STEP BOLT

BOLT - dowel, 1/2 NC x 3-9/64 inch

1шт.

24

A149765

STEP BOLT

BOLT - dowel, 1/2 NC x 2-21/32 inch

1шт.

25

166-89

12 PT SCREW,1/2" - 13 x 2", Gr 8

BOLT - 12 point head, 1/2 NC x 2 inch

2шт.

25

166-88

12 PT SCREW,Flg, 1/2" - 13 x 1 3/4", Gr 8

BOLT - 12 point head, 1/2 NC x 1-3/4 inch

3шт.

26

A34650

LOCK WASHER

- heavy lock, 1/2 inch

13шт.

27

193-87

LOCK WASHER,Ext-Int Tooth, 1/2"

WASHER, LOCK, Ext-Int Tooth, 1/2"

3шт.

28

129-105

NUT,Hex, 1/2" - 13, Gr 5

3шт.

29

113-1236

BOLT - hex, 3/4 NC x 2-1/4 inch

1шт.

29

113-730

BOLT,Hex, 3/4" - 10 x 2-3/4", Gr 5

- hex, 3/4 NC x 2-3/4 inch

1шт.

30

193-15

LOCK WASHER,Ext Tooth, 3/4"

WASHER, LOCK, Ext Tooth, 3/4"

2шт.

31

A151866

STUD

- transmission housing

4шт.

32

25-1114

NUT,7/8"-14, G5

- hex, 7/8 inch NF

4шт.

33

193-75

LOCK WASHER,7/8"

WASHER - internal lock, 7/8 inch

4шт.

34

218-1055

ELBOW,90 Degree, 3/4"-16, 37 Degree x 1/4"-18, NPTF

- 90 degree, 1/2 tube x 1/4 inch PT

1шт.

5

218-5006

O-RING,0.087" Thk x 0.644" ID, -908, Cl 6, 90 Duro

- 41/64 x 13/16 x 3/32 inch (16 x 21 x 2 mm)

1шт.

7

218-5006

O-RING,0.087" Thk x 0.644" ID, -908, Cl 6, 90 Duro

- 41/64 x 13/16 x 3/32 inch (16 x 21 x 2 mm)

1шт.

15

218-5006

O-RING,0.087" Thk x 0.644" ID, -908, Cl 6, 90 Duro

- 41/64 x 13/16 x 3/32 inch (16 x 21 x 2 mm)

1шт.

Выбрано товаров: 30