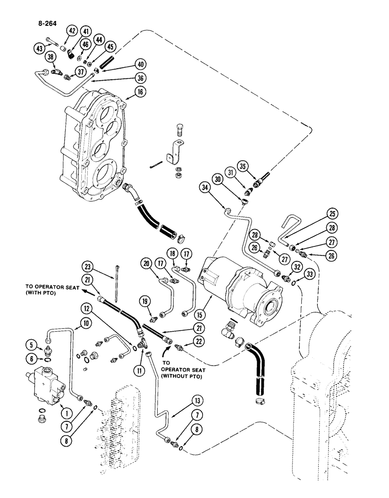
Запчасти Case IH 4994 (8-264) - TRANSMISSION HYDRAULIC CIRCUIT, PTO LUBE AND REGULATOR VALVE (08) - HYDRAULICS

Схема запчастей Case IH 4994 - (8-264) - TRANSMISSION HYDRAULIC CIRCUIT, PTO LUBE AND REGULATOR VALVE (08) - HYDRAULICS
13
36
31
1
15
22
7
37
8
26
46
26
12
32
27
28
44
10
7
11
45
21
23
27
16
21
34
6
43
41
35
20
30
5
28
18
17
38
25
19
17
33
8
42
40
FIT
1:1
100%

Артикул

Название

Примечание

Количество

1

REF

INSTRUCTION

VALVE ASSEMBLY - PTO and pressure regulator (See Figure 8-268 or 270)

1шт.

5

218-5044

HYD CONNECTOR,9/16" - 18 Male JIC x 1-1/16" - 12 Male ORB

CONNECTOR ASSEMBLY - straight, 3/8 tube 9/16-18 thread x 3/4 tube 1-1/16-12 inch thread, Includes: Ref. 6

1шт.

6

218-5008

O-RING,0.116" Thk x 0.924" ID, -912, Cl 6, 90 Duro

- 15/16 x 1-5/32 x 7/64 inch (24 x 29 x 3 mm)

1шт.

7

218-5057

HYD CONNECTOR,9/16" - 18 JIC x 9/16" - 18 ORB

CONNECTOR ASSEMBLY - straight, 3/8 tube 9/16-18 inch thread, Incl. Ref. 8

2шт.

8

218-5005

O-RING,0.078" Thk x 0.468" ID, -906, Cl 6, 90 Duro

6-1, 90 Duro, .468" ID x .078" Thk (12 x 16 x 2 mm)

1шт.

10

A166309

TUBE ASSY.

TUBE ASSEMBLY -, Serial Range: valve-transmission

1шт.

11

218-5192

TEE,9/16" - 18 Male JIC x 9/16" - 18 Male JIC x 3/4" - 16 Male ORB

ASSEMBLY - adjustable, 3/8 tube 9/16-18 thread x 1/2 tube 3/4-16 inch thread, Includes: Ref. 12

1шт.

13

A166310

TUBE

ASSEMBLY -, Serial Range: valve-transmission

1шт.

15

REF

INSTRUCTION

HOUSING - PTO clutch (See Figure 6-243)

1шт.

16

REF

INSTRUCTION

HOUSING - PTO (See Figure 6-244)

1шт.

17

218-443

HYD CONNECTOR,9/16" - 18 Male JIC x 1/4" - 18 Male NPTF

CONNECTOR - straight, 3/8 tube 9/16-18 thread x 1/4 inch PT

2шт.

18

A166307

TUBE ASSY.

TUBE ASSEMBLY - clutch pressure, PTO

1шт.

19

218-453

HYD CONNECTOR,9/16" - 18 Male JIC x 1/8" - 27 Male NPTF

CONNECTOR, HYD., , Adapter, Straight, 3/8 tube 9/16"-18, 37º x 1/8"-27, NPTF

1шт.

20

A166308

TUBE ASSY.

TUBE ASSEMBLY - brake, PTO clutch

1шт.

21

H256529

HYDRAULIC HOSE,6.35 mm ID x 838.20 mm, SAE 100R1A

- Return extension, Operator seat 6.35 mm ID x 838.20 mm, SAE 100R1A

1шт.

22

218-1024

HYD CONNECTOR,9/16"-18, 37 Degree x 3/8"-18, NPTF

CONNECTOR, HYD., 9/16"-18, 37° x 3/8"-18, NPTF, 3/8" tube (without PTO)

1шт.

23

R38237

STRAP

- tie, hose

3шт.

25

A167506

TUBE ASSEMBLY - vent, PTO (with PTO)

1шт.

26

222-1836

FITTING

CONNECTOR ASSEMBLY - straight, 1/2 tube 11/16-20 thread x 3/8 inch PT, Includes: Ref. 27 and 28

2шт.

27

222-2612

BUSHING

SLEEVE - 1/2 inch tube OD

1шт.

28

222-2602

NUT - hex, 1/2 tube 11/16-20 inch thread

1шт.

30

217-1012

ADAPTER,1/4" - 18 Male NPTF x 3/8" - 18 Female NPTF

- 1/4 male PT x 3/8 inch female PT

1шт.

31

218-554

TEE,3/4"-16, 37 Degree x 3/8"-18, NPTF Br

- connector, 1/2 tube 3/4-16 thread x 3/8 inch PT

1шт.

32

A177325

CONNECTOR, ELEC

CONNECTOR ASSEMBLY - flow restriction

1шт.

34

A167659

TUBE

ASSEMBLY - lube, PTO clutch

1шт.

35

A167067

HOSE ASSY.

HOSE - PTO lube

1шт.

36

A169631

TUBE

ASSEMBLY - PTO lube

1шт.

37

A180324

ORIFICE

- PTO lube

1шт.

38

218-1055

ELBOW,90 Degree, 3/4"-16, 37 Degree x 1/4"-18, NPTF

- 90 degree, 1/2 tube 3/4-16 thread x 1/4 inch PT

1шт.

40

214-253

HOSE CLAMP,#10, 0.56" - 1.06", Type F Worm

CLAMP - hose, 9/16 to 1-1/16 inch

1шт.

41

49838

CLAMP

- tube

1шт.

42

A70686

BRACKET

SPACER - clamp

1шт.

43

113-257

BOLT,Hex, 3/8" - 16 x 2-1/2", Gr 5

1шт.

44

192-21

LOCK WASHER,3/8"

WASHER, LOCK, 3/8"

1шт.

45

129-103

NUT,Hex, 3/8" - 16, Gr 5

NUT, 3/8"-16, G5

1шт.

46

195-104

WASHER,3/8"

- flat, 7/16 x 1 x 1/16 inch (11 x 25 x 2 mm)

1шт.

12

218-5006

O-RING,0.087" Thk x 0.644" ID, -908, Cl 6, 90 Duro

- 41/64 x 13/16 x 3/32 inch (16 x 21 x 2 mm)

1шт.

33

218-5006

O-RING,0.087" Thk x 0.644" ID, -908, Cl 6, 90 Duro

- 41/64 x 1/2 x 5/64 inch (16 x 13 x 2 mm)

1шт.

Выбрано товаров: 38