Запчасти Case IH 4994 (1-15) - PICTORIAL INDEX, PTO HYDRAULICS (00) - PICTORIAL INDEX

Схема запчастей Case IH 4994 - (1-15) - PICTORIAL INDEX, PTO HYDRAULICS (00) - PICTORIAL INDEX
6
9
15
14
5
1
4
3
11
10
2
8
13
16
12
7
FIT
1:1
100%

Артикул

Название

Примечание

Количество

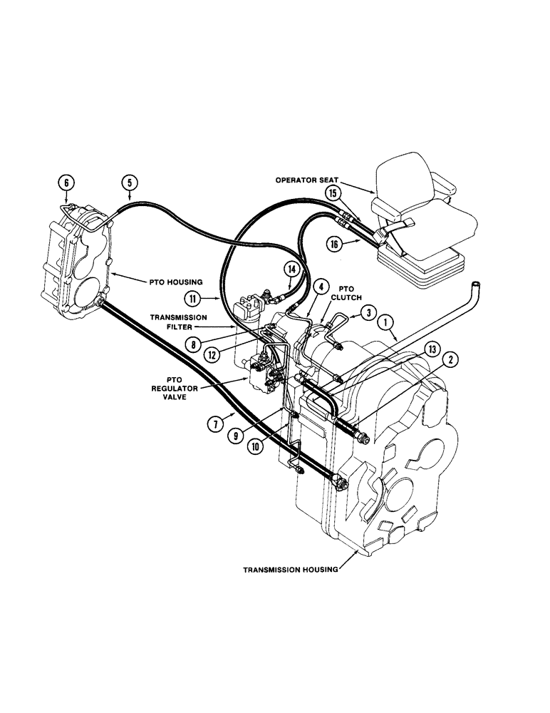
1

Transmission filler tube, Page 6-161

1шт.

2

Transmission filler hose, Page 6-161

1шт.

3

Transmission clutch vent tube, Page 8-265

1шт.

4

PTO clutch lubrication tube, Page 8-265

1шт.

5

PTO clutch lubrication hose, Page 8-265

1шт.

6

PTO clutch lubrication tube, Page 8-26

1шт.

7

PTO drain hose, Page 8-267

1шт.

8

PTO clutch pressure tube, Page 8-265

1шт.

9

PTO regulator valve to tansmission tube, Page 8-265

1шт.

10

PTO regulator valve to transmission tube, Page 8-265

1шт.

11

Seat hydraulic return hose, Page 8-265

1шт.

12

PTO clutch brake tube, Page 8-265

1шт.

13

PTO clutch drain hose, Page 8-267

1шт.

14

Seat hydraulic pressure hose, Page 8-263

1шт.

15

Seat hydraulic return hose, Page 9-381

1шт.

16

Seat hydraulic pressure hose, Page 9-381

1шт.

Выбрано товаров: 16