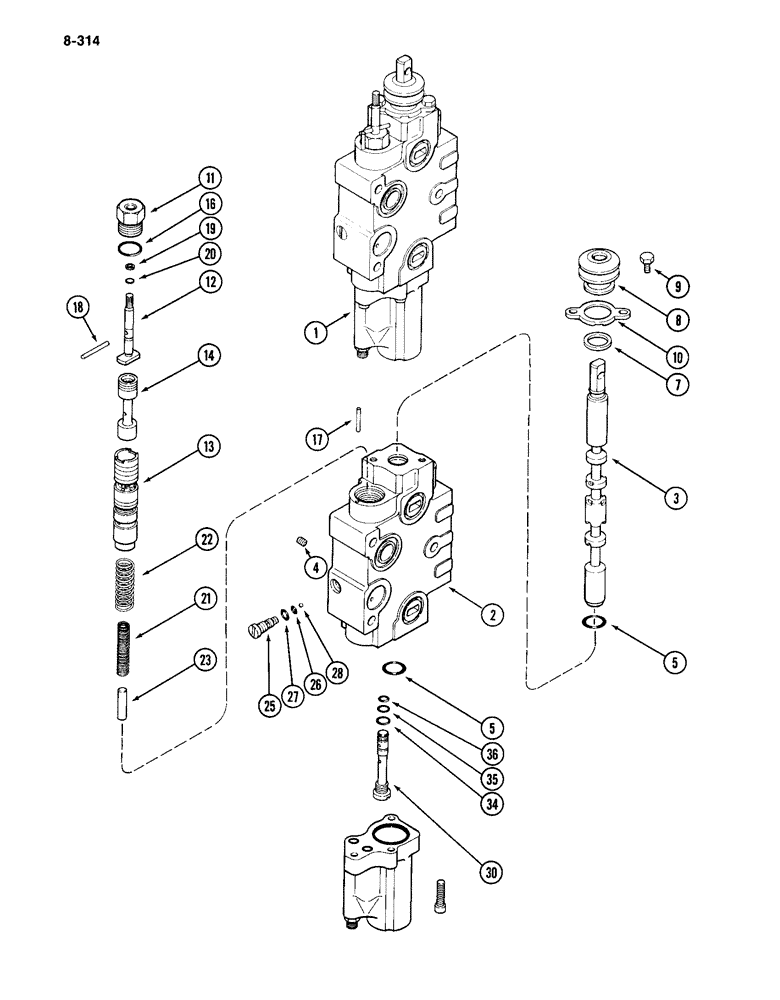
Запчасти Case IH 4994 (8-314) - REMOTE VALVE BODY ASSEMBLY, TWO CIRCUIT AND ADD ON FOR THIRD AND FOURTH CIRCUIT WITHOUT LOAD CHECK (08) - HYDRAULICS

Схема запчастей Case IH 4994 - (8-314) - REMOTE VALVE BODY ASSEMBLY, TWO CIRCUIT AND ADD ON FOR THIRD AND FOURTH CIRCUIT WITHOUT LOAD CHECK (08) - HYDRAULICS
14
27
4
2
9
22
23
7
19
28
16
17
11
34
25
18
13
5
20
1
26
3
12
35
36
8
10
30
5
21
FIT
1:1
100%

Артикул

Название

Примечание

Количество

1

A169029

VALVE

BODY ASSEMBLY - remote valve, Includes: Ref. 2 - 27 and 40 - 76 on Figure 8-316

1шт.

2

NSS

NOT SOLD SEPARAT

BODY - valve (Order A169029)

1шт.

3

NSS

NOT SOLD SEPARAT

SPOOL - valve (Order A169029)

1шт.

4

A47105

PLUG

- expansion

1шт.

5

A27365

O-RING,0.103" Thk x 0.75" ID, -116, Cl 5, 75 Duro

- body, 3/4 inch (19 mm ) ID

2шт.

A48938

KIT

FILTER KIT - body and spool, Includes: Ref. 7 - 10

1шт.

7

A47205

SEAL,22.61mm ID x 32.13mm OD x 2.67mm Thk

FILTER - spool

1шт.

8

A47188

COVER

- dust

1шт.

9

86019274

SCREW,Hex, 1/4"-20 x 1/2", G5

- retainer

3шт.

10

A47196

RETAINER

- filter

1шт.

11

A48925

PLUG

HOUSING - flow control

1шт.

12

A48929

SHAFT

- adjusting

1шт.

13

A48956

TUBE

- flow control

1шт.

14

A48957

SPOOL

- flow control

1шт.

A48941

SEAL

KIT - flow control, Includes: Ref. 16 - 27

1шт.

16

237-6010

O-RING,0.097" Thk x 0.755" ID, -910, Cl 6, 90 Duro

- housing, 3/4 x 61/64 x 3/32 inch (19 x 24 x 2 mm)

1шт.

17

138-61

LOCK PIN,1/8" x 1", Slotted

PIN, 1/8" x 1", Slotted

1шт.

18

138-63

LOCK PIN,1/8" x 1 1/4", Slotted

PIN, 1/8" x 1 1/4", Slotted

1шт.

19

D71056

RING,Split, 4.47mm ID x 7.21mm OD x 1.32mm Thk

- back up

1шт.

20

A27880

O-RING,0.07" Thk x 0.18" ID, -8, Cl 5, 75 Duro

- shaft

1шт.

21

A48960

SPRING

- inner

1шт.

22

A48959

SPRING

- outer

1шт.

23

A48937

PIN

- guide, spring

1шт.

A47210

PLUG

ASSEMBLY - shuttle, secondary, Includes: Ref. 25 - 27

1шт.

25

A47204

PLUG

- shuttle

1шт.

A48939

KIT

SEAL KIT - shuttle, Includes: Ref. 26 and 27

1шт.

A48939

KIT

SEAL KIT - shuttle

1шт.

26

A47101

O-RING,0.07" Thk x 0.176" ID, -8, Cl 6, 90 Duro

-008, 90 Duro, .176" ID x .070" Thk, shuttle

1шт.

27

218-5002

O-RING,0.064" Thk x 0.301" ID, -903, Cl 6, 90 Duro

3-1, .301" ID x .064" Thk, shuttle

1шт.

28

211-255

BALL,3/16 Dia

(5 mm), chrome steel 3/16 Dia

1шт.

30

A47209

SPOOL

SHUTTLE ASSEMBLY - primary, Includes: Ref. 34 - 36

1шт.

N6632

SEAL KIT

SEAL KIT - shuttle, Includes: Ref. 34 - 36

1шт.

34

218-5003

O-RING,0.072" Thk x 0.351" ID, -904, Cl 6, 90 Duro

- shuttle, 11/32 x 1/2 x 5/64 inch (9 x 13 x 2 mm)

1шт.

35

D31411

O-RING,0.07" Thk x 0.239" ID, -10, Cl 6, 90 Duro

-010, 90 Duro, .239" ID x .070" Thk (6 mm ID), shuttle

1шт.

36

A47223

O-RING,0.07" Thk x 0.208" ID, -9, Cl 6, 90 Duro

- shuttle, 7/32 inch (6 mm) ID

1шт.

Выбрано товаров: 0