Запчасти Case IH 4994 (8-326) - REMOTE HYDRAULIC ATTACHMENTS, HYDRAULIC CYLINDER, HOSES AND COUPLINGS (08) - HYDRAULICS

Схема запчастей Case IH 4994 - (8-326) - REMOTE HYDRAULIC ATTACHMENTS, HYDRAULIC CYLINDER, HOSES AND COUPLINGS (08) - HYDRAULICS
23
5
19
33
5
8
31
22
32
2
3
1
3
2
18
17
30
24
20
12
14
9
7
4
21
4
25
6
13
FIT
1:1
100%

Артикул

Название

Примечание

Количество

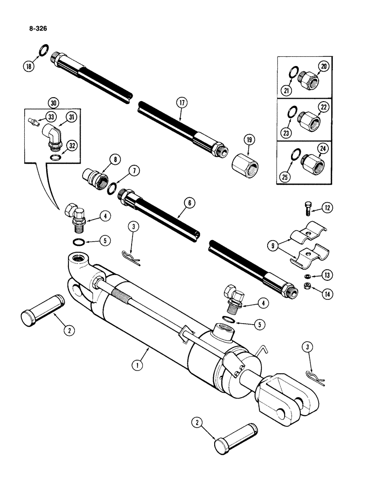
A149501

CYLINDER ATTACHMENT - portable, hydraulic (Machinery Item), Includes: Ref. 1 - 19

1шт.

1

G33769

CYLINDER

ASSEMBLY - hydraulic, remote (See Figure 8-328)

1шт.

2

A27347

PIN

- cylinder yoke

2шт.

3

A29054

HAIR PIN COTTER

- retaining, yoke pin

2шт.

4

218-5201

90 ELBOW,90 Degree, 7/8"-14 O-Ring x 1/2" NPSM Fem

ASSEMBLY - 90 degree swivel, 5/8 tube 7/8-14 thread x 1/2 inch NPSM, Includes: Ref. 5

2шт.

5

237-6010

O-RING,0.097" Thk x 0.755" ID, -910, Cl 6, 90 Duro

- 3/4 x 61/64 x 3/32 inch (19 x 24 x 2 mm)

1шт.

6

A135006

HYDRAULIC HOSE,0.50" ID x 106.00", SAE 100R1 per SAE 100 R1

(Includes Ref 7) 0.50" ID x 106.00", SAE 100R1 per SAE 100 R1

2шт.

6

A135007

HYDRAULIC HOSE,0.50" ID x 118.00", SAE 100R1 per SAE 100 R1

Assy 0.50" ID x 118.00", SAE 100R1 per SAE 100 R1

2шт.

7

237-6010

O-RING,0.097" Thk x 0.755" ID, -910, Cl 6, 90 Duro

- 3/4 x 61/64 x 3/32 inch (19 x 24 x 2 mm)

1шт.

8

A147889

COUPLING, BREAK AWAY

COUPLING ASSEMBLY - male breakaway (See Figure 8-324)

2шт.

9

A27440

CLAMP

- hose

2шт.

12

113-102

BOLT,Hex, 5/16" - 18 x 3/4", Gr 5

Hex, 5/16"-18 x 3/4", G5, Full Thd

1шт.

13

192-20

LOCK WASHER,Helical Spring, 0.318" ID, CST, ZND

WASHER, LOCK, 5/16"

1шт.

14

9635082

NUT,5/16" - 18, Gr 5

1шт.

17

A135109

HYDRAULIC HOSE,1/2" ID x 31" L, SAE 100R1

0.50" ID x , SAE 100R1 - Assy, Extension 31.00"

2шт.

18

237-6010

O-RING,0.097" Thk x 0.755" ID, -910, Cl 6, 90 Duro

- 3/4 x 61/64 x 3/32 inch (19 x 24 x 2 mm)

1шт.

19

A135110

ADAPTER

- hose, 1/2 PT x 7/8-14 inch

2шт.

20

A135687

ADAPTER

ASSEMBLY - coupling, 7/8-14 male x 7/8-18 inch female (For J I Case implement hose), hydraulic, Includes: Ref. 21

1шт.

21

237-6010

O-RING,0.097" Thk x 0.755" ID, -910, Cl 6, 90 Duro

- 3/4 x 61/64 x 3/32 inch (19 x 24 x 2 mm)

1шт.

22

A135688

ADAPTER

ASSEMBLY - coupling, 7/8-14 male x 3/4-16 inch female (For John Deere implement hose), hydraulic, Includes: Ref. 23

1шт.

23

237-6010

O-RING,0.097" Thk x 0.755" ID, -910, Cl 6, 90 Duro

- 3/4 x 61/64 x 3/32 inch (19 x 24 x 2 mm)

1шт.

24

218-5095

ADAPTER,7/8" - 14 ORB x 1/2" NPT

ASSEMBLY - coupling, 7/8-14 male x 1/2 inch PT female (For International Harvester implement hose), hydraulic, Includes: Ref. 25

1шт.

25

237-6010

O-RING,0.097" Thk x 0.755" ID, -910, Cl 6, 90 Duro

- 3/4 x 61/64 x 3/32 inch (19 x 24 x 2 mm)

1шт.

30

A65954

REGULATOR

ASSEMBLY - return flow, cylinder

1шт.

31

A65955

ELBOW,90 Degree, 7/8"-14" O-Ring x 1/2" NPT Fem

ASSEMBLY - 90 degree, 7/8-14 thread x 1/2 inch PT, cylinder return flow regulator, Includes: Ref. 32 and 33

1шт.

32

237-6010

O-RING,0.097" Thk x 0.755" ID, -910, Cl 6, 90 Duro

- 3/4 x 27/32 x 3/32 inch (19 x 21 x 2 mm)

1шт.

33

A57369

SPOOL

- regulator

1шт.

Выбрано товаров: 0