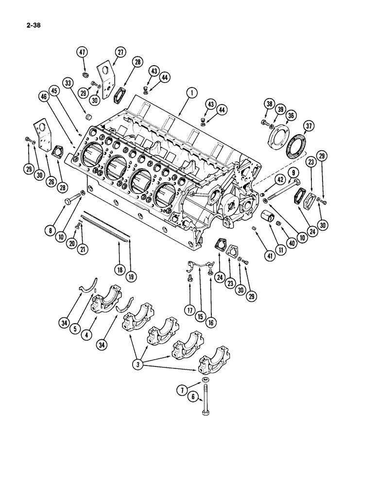
Запчасти Case IH 4994 (2-38) - CYLINDER BLOCK, 866 CUBIC INCH DIESEL ENGINE (02) - ENGINE

Схема запчастей Case IH 4994 - (2-38) - CYLINDER BLOCK, 866 CUBIC INCH DIESEL ENGINE (02) - ENGINE
29
43
17
18
46
30
5
28
42
41
27
44
19
29
36
29
3
16
10
45
28
24
30
9
6
47
23
44
7
23
40
11
24
1
15
30
43
10
20
21
26
30
34
8
33
37
4
29
39
38
34
FIT
1:1
100%

Артикул

Название

Примечание

Количество

A70647

ENGINE ASSEMBLY

BLOCK ASSEMBLY - cylinder, short (Includes block, pistons, connecting, rods, crankshaft, camshaft and timing gears), Includes: Ref. 3 - 11

1шт.

1

A46869

BLOCK

ASSEMBLY - cylinder, stripped, Includes: Ref. 3 - 11

1шт.

3

A46771

CAP

- bearing

4шт.

4

A48639

CAP

- bearing

1шт.

5

A70932

PIN

- cap guide (Replaces A46856)

5шт.

6

A46748

SCREW,Hex, M20 x 150mm

BOLT - hex, M20 x 150 mm

10шт.

7

A46751

WASHER

- cap mounting bolt

10шт.

8

A46774

BOLT,Hex, M14 x 2 x 95mm, Cl 10.9

BOLT - hex, M14 x 95 mm

9шт.

9

A46775

BOLT,Hex, M14 x 2 x 228mm, Cl 10.9

BOLT - hex, M14 x 228 mm

1шт.

10

A46712

WASHER

- cap, Serial Range: mounting-block

10шт.

11

A46773

BUSHING

- hydraulic pump

1шт.

15

A48675

NOZZLE INJECTION

NOZZLE - gallery cooling

4шт.

16

814-8025

BOLT,Hex, M8 x 1.25 x 25mm, Cl 8.8, Full Thd

- hex, M8 x 25 mm

4шт.

17

A48642

SCREW,Banjo, M10 x 1 x 22mm

BOLT - nozzle mounting

4шт.

18

A70820

COVER

- side

2шт.

19

A46788

GASKET

- side cover

2шт.

20

A45950

BOLT

- cover retaining

24шт.

21

195-521

WASHER,5/16", SAE

- flat, 11/32 x 11/16 x 1/16 inch (9 x 17 x 2 mm)

24шт.

23

A48551

COVER

- front

2шт.

25

A46789

GASKET

- front cover

2шт.

26

A48532

EYE

- lifting, right

1шт.

27

A48643

EYE

- lifting, left

1шт.

28

A46789

GASKET

- lifting eye

2шт.

29

814-10025

BOLT,Hex, M10 x 1.5 x 25mm, Cl 8.8, Full Thd

16шт.

30

195-525

WASHER,3/8", SAE

- flat, 13/32 x 13/16 x 1/16 inch (10 x 21 x 2 mm)

16шт.

33

A46735

PLUG

- oil

1шт.

34

A45828

WASHER

- bearing

4шт.

36

A46763

COVER

- hydraulic pump

1шт.

37

A46764

GASKET

- pump cover

1шт.

38

814-12030

BOLT,Hex, M12 x 1.75 x 30mm, Cl 8.8, Full Thd

- hex, M12 x 30 mm

4шт.

39

195-533

WASHER,1/2", SAE

- flat, 17/32 x 1-1/16 x 7/64 inch (13 x 27 x 3 mm)

4шт.

40

A46768

PLUG

- cylinder block, 1/2-14 inch PT

2шт.

41

A46845

PLUG

- cylinder block, 3/8-18 inch PT

4шт.

42

A45843

PLUG

- cylinder block, 1/4-18 inch PT

3шт.

43

A46713

PLUG

- cylinder block hex, M16

2шт.

44

A45852

GASKET

- plug

2шт.

45

A46752

DOWEL

PIN - dowel, head to cylinder block

16шт.

46

A46660

PIN

- spring, head to cylinder block

16шт.

47

A70928

PLUG

- square head pipe, 1/2 inch PT (Replaces A46724)

1шт.

Выбрано товаров: 39