Запчасти Case IH 4994 (4-106) - STARTER MOUNTING / ALTERNATOR MOUNTING (04) - ELECTRICAL SYSTEMS

Схема запчастей Case IH 4994 - (4-106) - STARTER MOUNTING / ALTERNATOR MOUNTING (04) - ELECTRICAL SYSTEMS
29
17
1
13
10
8
11
18
24
31
20
9
12
14
28
22
3
2
30
4
19
25
32
23
21
FIT
1:1
100%

Артикул

Название

Примечание

Количество

1

REF

INSTRUCTION

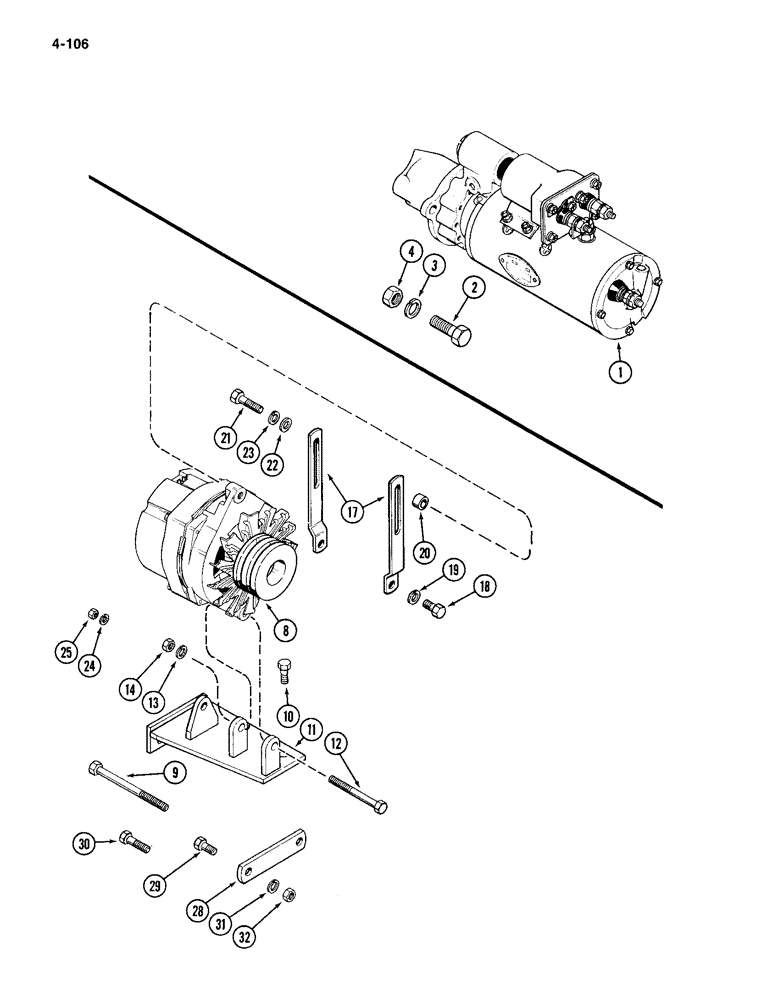
STARTER ASSEMBLY - engine (See Figure 4-108), mounting

1шт.

87297380

REMAN-STARTER

Remanufactured Starter; For N.A. only

1шт.

87297381

CORE-STARTER

Return number - For N.A. only

1шт.

2

813-16040

BOLT,Hex, M16 x 2 x 40mm, Cl 8.8, Full Thd

Bolt, Hex, M16 x 40, 8.8, Full Thd

3шт.

3

892-1116

LOCK WASHER,M16

WASHER - lock, M16

3шт.

4

131-1308

JAM NUT,Jam, 1/2"-13

NUT - hex lock, 1/2 inch NC

1шт.

8

REF

INSTRUCTION

ALTERNATOR MOUNTING - engine (See Figure 4-112)

1шт.

9

81410120

BOLT - hex, M10 x 120 mm

2шт.

10

814-10020

BOLT,Hex, M10 x 1.5 x 20mm, Cl 8.8, Full Thd

BOLT, Hex, M10 x 20, 8.8, Full Thd

1шт.

11

A176311

BRACKET

BRACKET - alternator mounting

1шт.

12

113-247

BOLT,Hex, 3/8" - 16 x 3-1/4", Gr 5

BOLT, Hex, 3/8"-16 x 3 1/4", G5

1шт.

13

192-21

LOCK WASHER,3/8"

WASHER, LOCK, 3/8"

1шт.

14

129-103

NUT,Hex, 3/8" - 16, Gr 5

NUT, 3/8"-16, G5

1шт.

17

A151632

STRAP

STRAP - alternator adjusting

2шт.

18

814-10040

BOLT,Hex, M10 x 1.5 x 40mm, Cl 8.8

BOLT - hex, M10 x 40 mm

1шт.

19

892-1110

LOCK WASHER,M10

WASHER - lock, M10

1шт.

21

814-10035

BOLT,Hex, M10 x 1.5 x 35mm, Cl 8.8, Full Thd

BOLT, Hex, M10 x 35, 8.8, Full Thd

2шт.

22

195-525

WASHER,3/8", SAE

WASHER - flat, 13/32 x 13/16 x 1/16 inch (10 x 21 x 2 mm)

2шт.

23

192-407

LOCK WASHER,7/16"

7/16"

1шт.

24

192-19

LOCK WASHER,Helical Spring, 0.256" ID, CST, ZND

WASHER, LOCK, 1/4"

1шт.

25

825-1106

NUT,Hex, M6, Cl 8

NUT - hex, M6

1шт.

28

A176245

STRAP

STRAP - alternator anchor, rear

1шт.

29

814-10020

BOLT,Hex, M10 x 1.5 x 20mm, Cl 8.8, Full Thd

BOLT, Hex, M10 x 20, 8.8, Full Thd

1шт.

30

113-208

BOLT,Hex, 3/8" - 16 x 1-1/4", Gr 5

BOLT, Hex, 3/8"-16 x 1 1/4", G5, Full Thd

1шт.

31

192-21

LOCK WASHER,3/8"

WASHER, LOCK, 3/8"

2шт.

32

129-103

NUT,Hex, 3/8" - 16, Gr 5

NUT, 3/8"-16, G5

1шт.

Выбрано товаров: 26