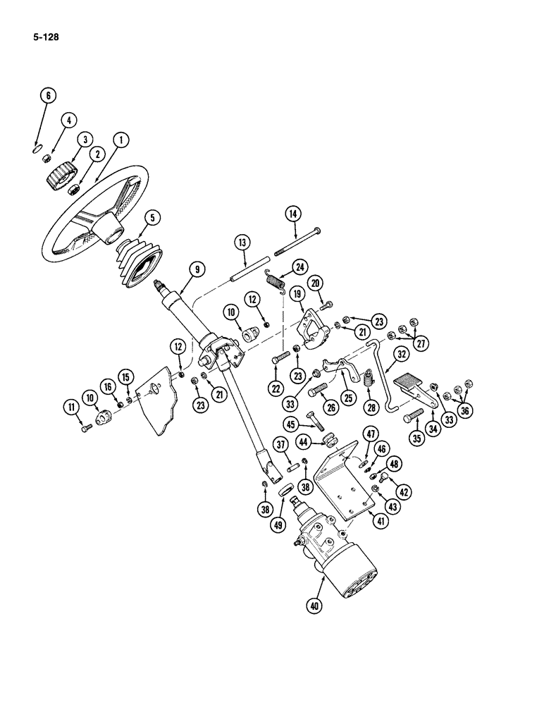
Запчасти Case IH 4994 (5-128) - STEERING COLUMN (05) - STEERING

Схема запчастей Case IH 4994 - (5-128) - STEERING COLUMN (05) - STEERING
23
36
23
40
12
25
49
27
5
37
10
32
12
15
20
24
9
48
22
47
44
10
42
4
6
28
26
11
14
41
21
38
3
21
46
35
19
38
33
34
43
13
1
33
23
16
2
45
FIT
1:1
100%

Артикул

Название

Примечание

Количество

1

A167953

WHEEL

- steering, leather

1шт.

2

F19646

LOCK NUT,13/16"-20, Thin

NUT - wheel to shaft, hex, 13/16 inch NF

1шт.

3

A141827

CAP

KNOB - lock, steering wheel

1шт.

4

87016560

JAM NUT,Jam, 3/8"-16, G5

1шт.

5

A169095

BOOT

- steering column

1шт.

6

A180055

CAP ASSY.

INSERT - steering wheel knob

1шт.

9

A167464

STEERING COLUMN

COLUMN ASSEMBLY - steering (See Figure 5-130)

1шт.

10

A77310

SUPPORT,0.754" ID x 1.375" OD x 0.81"

- column pivot

2шт.

11

113-102

BOLT,Hex, 5/16" - 18 x 3/4", Gr 5

Hex, 5/16"-18 x 3/4", G5, Full Thd

4шт.

12

131-1281

LOCK NUT,Jam, 5/16"-18

NUT - hex lock, 5/16 inch NC

4шт.

13

A167217

SPACER

- column support

2шт.

14

115-107

BOLT,Hex, 5/16" - 18 x 7", Gr 5

- round head, 5/16 NC x 7 inch

2шт.

15

192-20

LOCK WASHER,Helical Spring, 0.318" ID, CST, ZND

WASHER, LOCK, 5/16"

2шт.

16

9635082

NUT,5/16" - 18, Gr 5

2шт.

19

A169739

QUADRANT - column tilt (Replaces A164776)

1шт.

20

113-208

BOLT,Hex, 3/8" - 16 x 1-1/4", Gr 5

3шт.

21

192-21

LOCK WASHER,3/8"

WASHER, LOCK, 3/8"

4шт.

22

A167291

BOLT (SPREADER)

BOLT -, Serial Range: spring-quadrant

1шт.

23

129-103

NUT,Hex, 3/8" - 16, Gr 5

NUT, 3/8"-16, G5

5шт.

24

A166543

SPRING

- tilt return

1шт.

25

A169260

LATCH

- column tilt (Replaces A67307)

1шт.

269

A167501

BOLT (SPREADER)

BOLT -, Serial Range: latch-plate

1шт.

27

129-105

NUT,Hex, 1/2" - 13, Gr 5

3шт.

28

A64125

SPRING

- tilt latch

1шт.

32

A166541

ROD

- tilt latch

1шт.

33

A165668

CAP

- latch rod

2шт.

34

A165426

PEDAL

- steering tilt

1шт.

35

A167501

BOLT (SPREADER)

BOLT - pedal pivot

1шт.

36

129-105

NUT,Hex, 1/2" - 13, Gr 5

3шт.

37

A64000

PIN,9.42mm OD x 38.1mm L

- coupling to pump shaft

1шт.

38

100-3437

SNAP RING,#37, Ext

RING, SNAP, , Pin (Replaces A164904) #37, Ext

2шт.

40

REF

INSTRUCTION

PUMP AND VALVE ASSEMBLY - steering (See Figure 5-144)

1шт.

41

A163855

PLATE

- mounting

1шт.

42

113-207

BOLT,Hex, 3/8" - 16 x 1", Gr 5

4шт.

43

192-21

LOCK WASHER,3/8"

WASHER, LOCK, 3/8"

4шт.

44

A141515

ISOLATOR

MOUNT - insulator

3шт.

45

113-213

BOLT,Hex, 3/8" - 16 x 2-1/4", Gr 5

3шт.

46

192-21

LOCK WASHER,3/8"

WASHER, LOCK, 3/8"

3шт.

47

195-524

WASHER,5/16"

- flat, 3/8 x 1-1/8 x 1/16 inch (10 x 29 x 2 mm)

3шт.

48

129-103

NUT,Hex, 3/8" - 16, Gr 5

NUT, 3/8"-16, G5

3шт.

49

A145915

SEAL,41.148mm ID x 57.15mm OD x 12.7mm Thk

- mounting, Serial Range: plate-firewall

1шт.

Выбрано товаров: 41