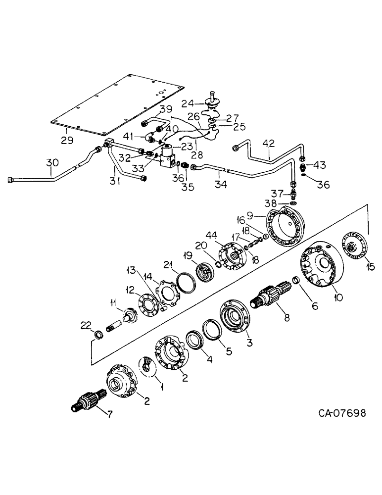
Запчасти Case IH 6388 (07-26) - DRIVE TRAIN, DIFFERENTIAL LOCK, 6388 AND 6588 TRACTORS (04) - Drive Train

Схема запчастей Case IH 6388 - (07-26) - DRIVE TRAIN, DIFFERENTIAL LOCK, 6388 AND 6588 TRACTORS (04) - Drive Train
11
33
21
27
37
36
13
12
1
32
10
22
39
3
23
4
17
19
18
42
30
9
14
20
35
18
29
36
15
41
34
24
26
43
16
2
7
25
8
2
31
5
6
38
40
28
44
FIT
1:1
100%

Артикул

Название

Примечание

Количество

1

529022R2

GEAR

differential bevel RH, 28T

1шт.

2

529023R2

CASE

ASSY, differential

1шт.

3

68684C1

RETAINER

differential brg RH

1шт.

4

ST2104

BEARING ASSY

RH roller cone

1шт.

5

ST986

TAPERED BEARING,133.35mm OD x 22.28mm W

BEARING, RH roller cup

1шт.

6

283375R91

NEEDLE BEARING

ASSY, needle

1шт.

7

104677C1

SHAFT

bull pinion & brake LH

1шт.

8

104702C1

SHAFT

bull pinion & brake RH

1шт.

9

104667C1

COVER

diff lock

1шт.

10

104668C2

HOUSING

RH brake diff lock

1шт.

104706C1

BOLT

BOLT, diff lock cover

4шт.

NLS

NO LONGER SERVICED

5/8 x 4 pln type 5

2шт.

11

104669C1

SHAFT

inner

1шт.

12

71914C92

PACKAGE

diff lock service, Also furnish a tube of loctite 474517C2, Consists of

1шт.

DISC (NSS)

6шт.

PLATE (NSS)

7шт.

350818R1

O-RING,0.984" ID x 0.139" Width

1шт.

22412R1

O-RING,0.139" Thk x 4.734" ID, -248, Cl 5, 75 Duro

-248, 70 Duro, 4.734" ID x .139" Thk

1шт.

355966R1

O-RING,0.424" ID x 0.103" Width

2шт.

104673C1

THRUST WASHER

1шт.

13

104670C1

BUSHING

diff lock stop, spacer

3шт.

14

104705C1

PLATE

diff lock clutch primary

1шт.

15

104671C91

HOUSING

ASSY, piston, Consists of

1шт.

CARRIER (NSS)

1шт.

HOUSING (NSS)

1шт.

20040R1

DOWEL,1/4" x 3/4"

PIN

2шт.

9409954

PLUG,Hex Soc, 1/16"-27

1шт.

179806

BOLT,Hex, 1/4" - 20 x 2 1/4", Gr 5

1/4 x 2-1/4 pln type 5

6шт.

16

104673C1

THRUST WASHER

thrust

1шт.

17

104714C1

SPOOL

diff lock feed

1шт.

18

355966R1

O-RING,0.424" ID x 0.103" Width

7/16 x 5/8 x 3/32

2шт.

19

104674C1

PISTON

diff lock

1шт.

20

350818R1

O-RING,0.984" ID x 0.139" Width

1 x 1-1/4 x 1/8

1шт.

21

22412R1

O-RING,0.139" Thk x 4.734" ID, -248, Cl 5, 75 Duro

-248, 70 Duro, 4.734" ID x .139" Thk

1шт.

22

269916R1

SNAP RING,#212, Ext

Ring, Snap, #212, Ext

1шт.

23

137767C94

VALVE

ASSY, block & solenoid, or

1шт.

23

1272538C91

VALVE

ASSY, diff lock, For list of components refer to differential lock valve this group

1шт.

120375

NUT,Hex, 1/4" - 20, Gr 5

2шт.

179801

BOLT,Hex, 1/4" - 20 x 1 1/2", Gr 5

2шт.

25707R1

WASHER,.281" x 5/8" x .075", HDN

.281 x .625 x .072 hdn

2шт.

24

131332C2

IGNITION SWITCH

SWITCH ASSY, diff lock actuating

1шт.

180018

CONNECTING LINK

1/4 x 5/8 type 5

1шт.

492-11025

LOCK WASHER,1/4"

WASHER, LOCK, 1/4"

2шт.

120375

NUT,Hex, 1/4" - 20, Gr 5

2шт.

25

NOT REQUIRED THIS APPLICATION

1шт.

26

139153C1

CABLE

ASSY, diff lock, Serial Range: switch-sol

1шт.

27

139137C1

CABLE

ASSY, diff lock switch junction

1шт.

399470R1

BOOT

terminal cover

1шт.

28

138842C1

CABLE

ASSY, diff lock solenoid ground

1шт.

29

PLATE, sub-frame platform, Refer to fenders and operators platform listing group 013

1шт.

30

1250147C1

TUBE,0.375" OD, 281.18, 99.82" Length

ASSY, diff lock & trans main

1шт.

31

1250150C1

TUBE,0.375" OD, 204.66, 106.9" Length

ASSY, diff lock & trans divide

1шт.

32

9410202

HYD CONNECTOR,9/16"-18, 37 Degree x 9/16"-18, O-Ring

CONNECTOR, 9/16-18 37 deg hyd flared

1шт.

33

364839R1

O-RING,0.078" Thk x 0.468" ID, -906, Cl 6, 90 Duro

6-1, 90 Duro, .468" ID x .078" Thk, 3/8 OD tube

1шт.

34

139007C2

HYD TUBE

TUBE ASSY, diff lock pressure

1шт.

35

157519C1

HYD CONNECTOR,7/16"-20, 37 Degree x 9/16"-18, O-Ring

REDUCER, 1/4 x 3/8 37 deg hyd flared tube

1шт.

36

364839R1

O-RING,0.078" Thk x 0.468" ID, -906, Cl 6, 90 Duro

6-1, 90 Duro, .468" ID x .078" Thk, 3/8 OD tube

2шт.

37

9410200

HYD CONNECTOR,7/16" - 20 JIC x 7/16" - 20 ORB

CONNECTOR, 7/16-20 37 deg hyd flared

1шт.

39

1250143C1

TUBE,0.375" OD, 96.52, 57.66" Length

ASSY, diff lock dump

1шт.

40

364839R1

O-RING,0.078" Thk x 0.468" ID, -906, Cl 6, 90 Duro

6-1, 90 Duro, .468" ID x .078" Thk, 3/8 OD tube

1шт.

41

9410976

ELBOW,90 Degree, 9/16"-18, 37 Degree x 9/16"-18, O-Ring

9/16-18 x 3/8 tube 37 deg

1шт.

42

120245C1

HYD TUBE

TUBE ASSY, brake lube RH

1шт.

43

120333C2

CONNECTOR, ELEC

CONNECTOR, brake orifice

1шт.

44

CARRIER, diff lock, Not serviced separately, Order piston housing 104671C91

1шт.

38

369751R1

O-RING,0.072" Thk x 0.351" ID, -904, Cl 6, 90 Duro

4-1, 90 Duro, .351" ID x .072" Thk, 1/4 OD tube

1шт.

Выбрано товаров: 65