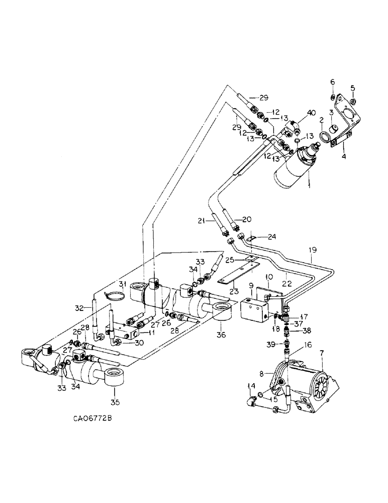
Запчасти Case IH 6788 (10-02) - HYDRAULICS, HYDRAULIC POWER STEERING CONNECTIONS (07) - HYDRAULICS

Схема запчастей Case IH 6788 - (10-02) - HYDRAULICS, HYDRAULIC POWER STEERING CONNECTIONS (07) - HYDRAULICS
32
4
40
12
30
19
34
31
33
38
8
34
26
11
15
29
20
5
18
3
28
22
36
24
23
35
13
2
33
7
9
28
27
29
13
27
14
1
12
26
13
10
6
25
37
12
17
39
21
16
13
FIT
1:1
100%

Артикул

Название

Примечание

Количество

1

1282355C91

PUMP

ASSY, power steering hand, Refer to hydrostatic power steering hand pump this group for list of components

1шт.

617944R1

PIN,3/8" x 1 3/4", Coiled

1шт.

2

104007C1

SEAL

hand pump shaft dust, 6388, Serial Range: -9058

1шт.

2

104007C1

SEAL

hand pump shaft dust, 6588, Serial Range: -9163

1шт.

2

104007C1

SEAL

hand pump shaft dust, 6788, Serial Range: -8809

1шт.

2

148481C1

SEAL,40mm ID x 58mm OD x 8mm Thk

hand pump shaft dust, 6388, Start Serial: 9059

1шт.

2

148481C1

SEAL,40mm ID x 58mm OD x 8mm Thk

hand pump shaft dust, 6588, Start Serial: 9164

1шт.

2

148481C1

SEAL,40mm ID x 58mm OD x 8mm Thk

hand pump shaft dust, 6788, Start Serial: 8810

1шт.

3

104008C1

RUBBER INSULATOR

INSULATOR, pump shaft vibration

1шт.

4

104853C1

BRACKET

ASSY, hand pump mtg

1шт.

13-510

BOLT,Hex, 5/16" - 18 x 5/8", Gr 5, Full Thd

5/16 x 5/8 pln type 5

4шт.

5

104809C1

ISOLATOR,27.94mm OD x 18.29mm L

INSULATOR, hand pump bracket

3шт.

6

536642R1

WASHER

3шт.

9706704

BOLT,Hex, M10 x 1.5 x 41.58mm, Cl 8.8

M10 x 35 class 8.8

3шт.

7

1272916C91

PUMP

ASSY, piston, 12 GPM, Renewed, Replaces 1255006C95

1шт.

1272916C91R

REMAN-HYD PUMP

6388, 6588 & 6788 ( All 1/81-12/83)

1шт.

1272916C91C

CORE-HYDRAULIC PUMP

Return Number

1шт.

8

390618R1

GASKET

pump

1шт.

179884

BOLT,Hex, 1/2" - 13 x 1 3/8", Gr 5, Full Thd

1/2 x 1-3/8 pln type 5

2шт.

25546R1

WASHER,17/32" x 1 1/16" x .188", HDN

.531 x 1.062 x .188 phc hdn

2шт.

9

113680C91

BLOCK

ASSEMBLY, relief valve, Refer to relief valve this group for list of components

1шт.

179837

BOLT,Hex, 3/8" - 16 x 3/4", Gr 5

2шт.

10

134701C1

SUPPORT

relief valve, bracket

1шт.

179850

BOLT,Hex, 3/8" - 16 x 2 3/4", Gr 5

3/8 x 2-3/4 pln type 5

2шт.

102635

NUT,3/8"-16, G5

2шт.

11

142864C95

VALVE

ASSY, alternating check

1шт.

179850

BOLT,Hex, 3/8" - 16 x 2 3/4", Gr 5

3/8 x 2-3/4 pln type 5

2шт.

102635

NUT,3/8"-16, G5

2шт.

12

324273R1

HYD CONNECTOR,3/4"-16, 37 Degree x 9/16"-18, O-Ring

CONNECTOR, 3/8 tube to 1/2 tube hand pump ports, 1282355c91 pump

3шт.

12

324273R1

HYD CONNECTOR,3/4"-16, 37 Degree x 9/16"-18, O-Ring

CONNECTOR, 3/8 tube to 1/2 tube hand pump ports, 1255295C91 pump

4шт.

13

364839R1

O-RING,0.078" Thk x 0.468" ID, -906, Cl 6, 90 Duro

6-1, 90 Duro, .468" ID x .078" Thk, 3/8 OD tube

4шт.

14

9410978

ELBOW,90 Degree, 7/8"-14, 37 Degree x 7/8"-14, O-Ring

7/8-14 x 5/8 tube strg pump

1шт.

15

364885R1

O-RING,0.097" Thk x 0.755" ID, -910, Cl 6, 90 Duro

5/8 OD tube

1шт.

16

134723C3

HOSE

ASSY, supply to rel block, 6388, Serial Range: -9072

1шт.

16

134723C3

HOSE

ASSY, supply to rel block, 6588, Serial Range: -9342

1шт.

16

134723C3

HOSE

ASSY, supply to rel block, 6788, Serial Range: -9062

1шт.

16

1272917C91

HOSE ASSY.

HOSE ASSY, supply to relief block tee

1шт.

1276918C91

HOSE ASSY, supply to rel block, For use on tractors w/o ref. no. 38, 6388, Start Serial: 9073

1шт.

1276918C91

HOSE ASSY, supply to rel block, For use on tractors w/o ref. no. 38, 6588, Start Serial: 9343

1шт.

1276918C91

HOSE ASSY, supply to rel block, For use on tractors w/o ref. no. 38, 66788, Start Serial: 9063

1шт.

17

9411119

TEE,7/8"-14, 37 Degree x 7/8"-14, O-Ring Br

7/8-14 rel block supply, 6388, Serial Range: -9072

1шт.

17

9411119

TEE,7/8"-14, 37 Degree x 7/8"-14, O-Ring Br

7/8-14 rel block supply, 6588, Serial Range: -9342

1шт.

17

9411119

TEE,7/8"-14, 37 Degree x 7/8"-14, O-Ring Br

7/8-14 rel block supply, 6788, Serial Range: -9062

1шт.

17

1272176C1

TEE

relief block, 6388, Start Serial: 9073

1шт.

17

1272176C1

TEE

relief block, 6588, Start Serial: 9343

1шт.

17

1272176C1

TEE

relief block, 6788, Start Serial: 9063

1шт.

18

364885R1

O-RING,0.097" Thk x 0.755" ID, -910, Cl 6, 90 Duro

5/8 OD tube

1шт.

19

1268992C1

HYD TUBE

TUBE ASSY, supply to hand pump, Replaces 134727C2

1шт.

20

134726C1

HOSE

ASSY, supply to hand pump

1шт.

21

134745C1

HOSE

ASSY, return from hand pump

1шт.

22

1268993C1

HYD TUBE

TUBE ASSY, return from hand pump, Replaces 134725C4

1шт.

23

146912C1

SUPPORT TUBE,273 mm Length

SUPPORT, hand pump tubes

1шт.

180173

BOLT,Hex, 1/2" - 13 x 1", Gr 5

2шт.

24

224968C2

STRIP

CLAMP, steering tubes

2шт.

25

224905C1

STRIP

clamp retainer

1шт.

179826

BOLT,Hex, 5/16" - 18 x 2", Gr 5

1шт.

9413952

LOCK NUT,5/16"-18, GB

NUT, 5/16 phc p/t lock type 5

1шт.

25533R1

WASHER

.344 x .688 x .065 phc hdn

2шт.

26

9410203

HYD CONNECTOR,3/4"-16, 37 Degree x 3/4"-16, O-Ring

CONNECTOR, 1/2 tube, strg cylinders

2шт.

27

570828R1

O-RING,0.087" Thk x 0.644" ID, -908, Cl 6, 90 Duro

1/2 tube

2шт.

28

127486C2

HOSE

ASSY, Serial Range: cyl-cyl

2шт.

29

127487C1

HOSE

ASSY, valve to strg pump

2шт.

30

141837C2

HOSE

ASSY, valve to strg cyl

1шт.

31

306132C1

CABLE TIE,14.5" L

STRAP, tie wrap

2шт.

32

142031C1

HOSE

ASSY, valve to strg cyl, RH

1шт.

33

9411105

ELBOW,45 Degree, 3/4"-16, 37 Degree x 3/4"-16, O-Ring

3/4-16 37 deg hyd flared tube 45 deg swivel

2шт.

34

570828R1

O-RING,0.087" Thk x 0.644" ID, -908, Cl 6, 90 Duro

1/2 tube

2шт.

35

128198C92

CYLINDER

ASSY, LH power steering, For 38.75 degree tractor articulation, Refer to power steering cylinders this group for list of components

1шт.

35

142419C92

CYLINDER

ASSY, LH power steering, For 34.00 degree tractor articulation, Refer to power steering cylinders this group for list of components

1шт.

36

140738C92

CYLINDER

ASSY, RH power steering, For 38.75 degree tractor articulation, Refer to power steering cylinders this group for list of components

1шт.

36

142416C92

CYLINDER

ASSY, RH power steering, For 34.00 degree tractor articulation, Refer to power steering cylinders this group for list of components

1шт.

37

364885R1

O-RING,0.097" Thk x 0.755" ID, -910, Cl 6, 90 Duro

5/8 OD tube class 6

1шт.

38

1272186C1

FILTER ASSY

UNION, strg pump to relief block, strainer

1шт.

39

9410204

HYD CONNECTOR,7/8"-14, 37 Degree x 7/8"-14, O-Ring

CONNECTOR, 5/8 C-Z hyd fld short swivel

1шт.

40

615667C1

ELBOW,90 Degree, 3/4"-16, 37 Degree x 9/16"-18, O-Ring

C-Z hyd fld adj 1/2 to 3/8 90D

1шт.

85067C1

KIT

ASSY rotating

1шт.

85064C1

KIT

ASSY trunion cap

1шт.

85065C1

KIT

steering pump air bleed

1шт.

85066C1

KIT

steering pump, swash plate, repair

1шт.

1971441C1

SEAL

shaft

1шт.

Выбрано товаров: 80