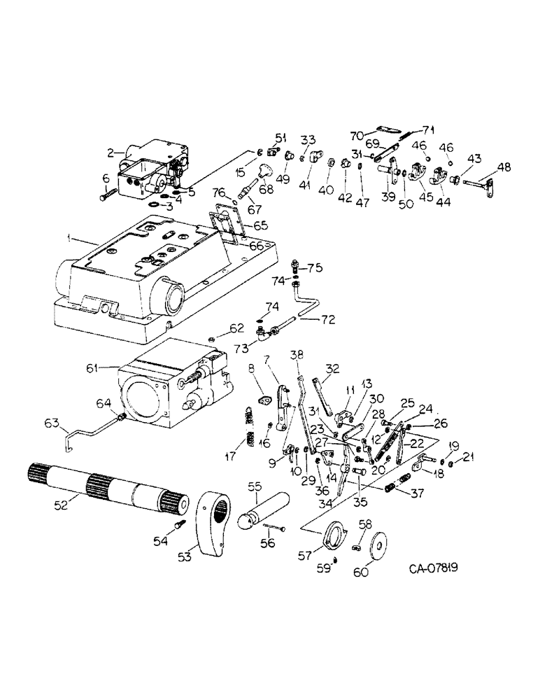
Запчасти Case IH 6788 (10-22) - HYDRAULICS, HYDRAULIC DRAFT CONTROL (07) - HYDRAULICS

Схема запчастей Case IH 6788 - (10-22) - HYDRAULICS, HYDRAULIC DRAFT CONTROL (07) - HYDRAULICS
16
62
3
6
32
43
29
11
38
19
50
25
72
41
61
46
9
58
75
37
4
69
2
67
54
59
24
30
42
68
8
53
21
63
49
36
31
7
46
13
60
12
10
39
52
76
22
48
47
74
40
55
70
26
33
45
44
57
51
18
31
15
74
66
27
20
23
17
65
64
56
71
35
5
34
73
1
28
14
FIT
1:1
100%

Артикул

Название

Примечание

Количество

1

1272206C91

COVER

ASSY, rear frame, Replaces 1259630C91 by also ordering o-ring, 381885R1 and bolt, 28253R1, Refer to rear frame cover, group 7 for list of components

1шт.

2

127925C92

VALVE

ASSY, priority, Refer to priority valve this group for list of components

1шт.

179883

BOLT,Hex, 1/2" - 13 x 1 1/4", Gr 5

1шт.

280161

BOLT,Hex, 3/8" - 16 x 3", Gr 5

3шт.

3

381885R1

O-RING,0.103" Thk x 1.362" ID, -126, Cl 6, 90 Duro

2-5/16 x 2-1/2 x 3/32, large

1шт.

4

381884R1

O-RING,0.103" Thk x 0.987" ID, -120, Cl 6, 90 Duro

1 x 1-3/16 x 3/32, small

1шт.

5

386867R1

O-RING,0.103" Thk x 1.11" ID, -122, Cl 6, 90 Duro

1-1/8 x 1-5/16 x 3/32

1шт.

6

108540C1

SQUARE BOLT

coated lock set

2шт.

114502

JAM NUT,Jam, 5/16"-18, G5

2шт.

7

384511R93

SUPPORT

ASSY, position control stop

1шт.

180124

BOLT,Hex, 3/8" - 16 x 1 1/4", Gr 5

3/8 x 1-1/4 type 5

1шт.

180125

SCREW,Hex, 3/8" - 16 x 1 3/8", Gr 5

BOLT, 3/8 x 1-3/8 type 5

1шт.

103321

LOCK WASHER,3/8"

WASHER, LOCK, 3/8"

1шт.

8

113818C1

SUPPORT

balance spring, bracket

1шт.

9

384513R11

LEVER

ASSY, draft control stop

1шт.

10

381478R1

SNAP RING,#X43, .375" Dia, E-Type

Ring, Retaining, , draft control stop lever #X43, .375" Dia, E-Type

1шт.

11

382825R11

LEVER

BELLCRANK ASSY, position control

1шт.

12

110668R1

CIRCLIP,#37, .300" Dia, E-Type

Ring, Retaining, , position control bellcrank pin #37, .300" Dia, E-Type

2шт.

13

204502R1

SNAP RING,#43, Ext

Position control bellcrank #43, Ext

1шт.

14

113815C91

LEVER

ASSY, draft control, eccentric

1шт.

15

110668R1

CIRCLIP,#37, .300" Dia, E-Type

Ring, Retaining, , draft control eccentric shaft #37, .300" Dia, E-Type

1шт.

16

370290R1

SNAP RING,#50, .392" Dia, E-Type

Ring, Retaining, , draft control eccentric #50, .392" Dia, E-Type

1шт.

17

113817C1

SPRING

balance

1шт.

18

384399R92

ECCENTRIC

ASSY, position control

1шт.

19

355967R1

O-RING,0.364" ID x 0.003" Width

3/8 x 1/2 x 1/16, eccentric shaft

1шт.

20

110668R1

CIRCLIP,#37, .300" Dia, E-Type

Ring, Retaining, , position control eccentric pin #37, .300" Dia, E-Type

1шт.

21

971043R1

SNAP RING,#50, Ext

Eccentric shaft #50, Ext

1шт.

22

382838R1

LINK

, Serial Range: eccentric-rockshaft

1шт.

23

110668R1

CIRCLIP,#37, .300" Dia, E-Type

Ring, Retaining, , rockshaft link #37, .300" Dia, E-Type

1шт.

24

403984R1

LINK

ASSY, walking, Serial Range: beam-valve

1шт.

25

382841R1

PIN

walking, Serial Range: beam-valve

1шт.

26

110668R1

CIRCLIP,#37, .300" Dia, E-Type

Ring, Retaining, , valve pin #37, .300" Dia, E-Type

1шт.

27

382842R1

SCREW,Shldr, Hex, 5/16" - 18 x 0.65", W/ Nylon Pellet

shoulder

1шт.

28

382843R11

BEAM

ASSY, follow-up walking

1шт.

29

104977R1

SNAP RING,#X31, .243" Dia, E-Type

RING, RETAINING, , Follow-up walking beam #X31, .243" Dia, E-Type

1шт.

30

382845R1

LINK

walking, Serial Range: beam-bellcrank

1шт.

31

104977R1

SNAP RING,#X31, .243" Dia, E-Type

RING, RETAINING, #X31, .243" Dia, E-Type

2шт.

32

108539C2

SUPPORT

position control inner, link

1шт.

33

110668R1

CIRCLIP,#37, .300" Dia, E-Type

Ring, Retaining, , position control rod retaining and sensitivity control lever #37, .300" Dia, E-Type

2шт.

34

392225R2

ARM

draft control sensing pickup

1шт.

35

382788R1

PIN

sensing pickup arm

1шт.

36

110668R1

CIRCLIP,#37, .300" Dia, E-Type

Ring, Retaining, , sensing pickup arm #37, .300" Dia, E-Type

1шт.

37

392280R1

SPRING

sensing arm return

1шт.

38

108538C1

SUPPORT

sensing inner, link

1шт.

39

127852C1

SHAFT

ASSY, position control

1шт.

40

128036C1

SPACER

position control lever

1шт.

41

128038C1

LEVER

ASSY, int. position control

1шт.

42

532395R1

BUSHING,19.07mm ID x 20.63mm OD x 16.64mm L

BEARING, position control shaft

2шт.

43

65369C1

BUSHING,22.25mm ID x 23.8mm OD x 16.64mm L

BEARING, sensitivity control shaft

1шт.

44

108536C1

SUPPORT

sensitivity control bearing

1шт.

45

108535C1

SUPPORT

position control bearing

1шт.

413-532

BOLT,Hex, 5/16" - 18 x 2", Gr 5

5/16 x 2 type 5

2шт.

181610

SCREW,Hex, 5/16" - 24 x 1 1/4", Gr 5

BOLT, 5/16-NF x 1-1/4 type 5

2шт.

46

532409R1

SPRING WASHER

safety spring

2шт.

137544C1

NUT

5/16-24 sq

1шт.

47

350429R1

O-RING,0.103" Thk x 0.612" ID, -114, Cl 5, 75 Duro

5/8 x 13/16 x 3/32, position control shaft

1шт.

48

108523C1

SHAFT

ASSY, sensitivity control

1шт.

49

863138R91

PLASTIC RING

BEARING, sensitivity shaft

1шт.

50

379365R1

O-RING,0.07" Thk x 0.364" ID, -12, Cl 6, 90 Duro

3/8 x 1/2 x 1/16

1шт.

51

108531C1

LEVER

ASSY, sensitivity control

1шт.

19304R1

PIN,5.54mm OD x 28.57mm L, Coiled

1шт.

52

392872R3

ROCKSHAFT

hyd draft control

1шт.

53

382810R3

LEVER

BELLCRANK, rockshaft

1шт.

54

382811R1

SET SCREW,Hex, 3/8" - 16, Lok-Thd x 1 1/2", Cone Pt

bellcrank lok-thread set

1шт.

55

382812R4

ROD

piston connecting

1шт.

56

398314R2

PIN,6.35mm OD x 76.2mm L

piston connecting rod

1шт.

16558R1

WASHER

.266 x .625 x .036 pln

1шт.

103384

COTTER PIN,1/8" x 3/4"

Pin, Split (Cotter), 1/8" x 3/4"

1шт.

57

384518R11

CAM

ASSY, rockshaft actuating hub

1шт.

58

376057R1

BUCKET TOOTH KEY

KEY, rockshaft actuating hub cam

1шт.

59

382816R1

SET SCREW

rockshaft actuating hub cam set

1шт.

60

382818R1

RETAINER

rockshaft arm

2шт.

271556

WHEEL CYLINDER,Hex, 5/8" - 11 x 1 1/4", Gr 5

BOLT, 5/8 x 1-1/4 pln type 5

2шт.

61

CYLINDER AND VALVE ASSY, draft control, Refer to draft control cyl & valve this group for list of components

1шт.

62

387926R2

RING

cyl to cover seal

2шт.

63

385942R91

TUBE

ASSY, cyl lub

1шт.

88574

BOLT,Hex, 5/16" - 18 x 1/2", Gr 5, Full Thd

1шт.

103320

LOCK WASHER,5/16"

WASHER, LOCK, 5/16"

1шт.

64

222-502

TUBE NUT,7/16"-24

NUT, 7/16 hi-duty tube fitting

1шт.

65

130679C2

COVER

ASSY, valve adj

1шт.

13-510

BOLT,Hex, 5/16" - 18 x 5/8", Gr 5, Full Thd

5/16 x 5/8 pln type 5

6шт.

66

382415R1

COVER

GASKET, cover

1шт.

67

130677C2

COUPLING

adjusting

1шт.

971043R1

SNAP RING,#50, Ext

1шт.

68

130678C2

KNOB

valve adj screw

1шт.

69

127859C2

LINK

raise speed control

1шт.

70

127861C1

BAR

raise speed control spring

1шт.

71

127862C2

SPRING

raise speed control

1шт.

72

127863C1

HYD TUBE

TUBE ASSY, signal line internal

1шт.

73

9410975

ELBOW,90 Degree, 1/2"-20, 37 Degree x 1/2"-20, O-Ring

1/2-20 37 deg hyd flared tube adj str thd 90 deg

1шт.

75

9403253

FITTING,Blkhd, 1/2"-20, 37 Degree x 1/2"-20, 37 Degree

UNION, 1/2-20 37 deg hyd flared tube bulkhead

1шт.

76

130682C1

O-RING

109 x 116.10MM class 5

1шт.

74

369384R1

O-RING,0.072" Thk x 0.414" ID, -905, Cl 6, 90 Duro

5-1, 90 Duro, .414" ID x .072" Thk, 5/16 OD tube

3шт.

Выбрано товаров: 93