Запчасти Case IH 6788 (10-35) - HYDRAULICS, CLOSE CENTER MOTOR CONTROL VALVE (07) - HYDRAULICS

Схема запчастей Case IH 6788 - (10-35) - HYDRAULICS, CLOSE CENTER MOTOR CONTROL VALVE (07) - HYDRAULICS
39
31
5
19
18
30
26
12
29
1
22
6
40
23
28
38
30
14
15
20
4
10
13
27
25
7
17
16
8
9
11
35
37
24
21
34
2
31
7
33
3
32
36
13
FIT
1:1
100%

Артикул

Название

Примечание

Количество

123032C93

VALVE

ASSY, close center motor control

1шт.

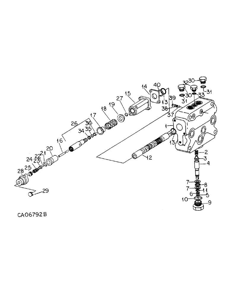
1

BODY ASSY, motor control valve, Not serviced separately, Order valve assy, 123032C93

1шт.

2

62470C1

SPRING

check valve

1шт.

3

113898C1

VALVE

POPPET, check valve

1шт.

4

113897C2

VALVE

flow control

1шт.

5

359158R1

O-RING,0.301" ID x 0.07" Width

-011, 70 Duro, .031" ID x .070" Thk

1шт.

6

138303C2

RING

flow control teflon

1шт.

7

159687R1

WASHER

flow control thrust

2шт.

8

159688R91

THRUST BEARING

BEARING ASSY, flow control thrust

1шт.

9

113899C2

PLUG

flow control valve

1шт.

10

368269R1

O-RING,0.116" Thk x 0.924" ID, -912, Cl 6, 90 Duro

3/4 OD tube

1шт.

11

85633R1

RING

flow control retaining

1шт.

12

SPOOL, valve, Not serviced separately, Order valve assy, 123032C9

1шт.

13

350429R1

O-RING,0.103" Thk x 0.612" ID, -114, Cl 5, 75 Duro

5/8 x 13/16 x 3/32

2шт.

14

1252320C1

RETAINER

motor valve spool

1шт.

15

113910C1

HOUSING

unlatching piston sleeve

1шт.

26629R1

12 PT SCREW,Flg, 1/4" - 20 x 1"

SCREW, 1/4 x 1 phc type 8 12pt flg

2шт.

16

113906C1

PIN,2.78mm OD x 68.6mm L

unlatching piston

1шт.

17

113907C1

CUP

centering spring

1шт.

18

113908C1

SPRING

centering

1шт.

19

62473C2

RETAINER

centering spring

1шт.

20

113909C1

SLEEVE

position control

1шт.

21

17007R1

BALL

7/32 chrome steel grade 25, unlatching sleeve

3шт.

22

17013R1

BALL,13/32" Dia

Unlatching sleeve 13/32" Dia

1шт.

23

62480C1

WASHER

unlatching sleeve ball

1шт.

24

1272204C1

SPRING

detent, Replaces 114032C1

1шт.

25

377803R1

PLUG

centering spring retainer

1шт.

26

113904C91

UNION

ASSY, centering spring actuator

1шт.

27

379795R1

O-RING,0.064" Thk x 0.301" ID, -903, Cl 6, 90 Duro

3-1, .301" ID x .064" Thk, 3/16 OD tube class 6, Centering spring actuator

1шт.

28

62482C1

CAP

unlatching spring housing

1шт.

26629R1

12 PT SCREW,Flg, 1/4" - 20 x 1"

SCREW, 1/4 x 1 phc type 8 12pt flg

2шт.

29

432539

HOLE PLUG BUTTON,7/16"

PLUG, 7/16 button, unlatching sleeve hsg cap

1шт.

30

9410357

PLUG

1/2-20 str-th o-ring boss

2шт.

32

9410354

PLUG,Hex Hd, 5/16"-24 ORB

1/8 C-Z str thd o-ring boss

1шт.

33

369375R1

O-RING,0.064" Thk x 0.239" ID, -902, Cl 6, 90 Duro

15/64 x 23/64 x 1/16

1шт.

34

529909R1

O-RING,1.78mm Thk x 2.54mm ID

centering spring actuating

1шт.

35

529904R1

RETAINER

O-RING, centering spring actuating

1шт.

36

76669C92

PACKAGE

valve repair, Consists of ref. nos. 2, 3, 5, 6, 7, 8, 10, 11, 13, 27, 31 & 33

1шт.

37

17006R1

BALL

3/16 chrome grade 25

1шт.

38

133498C1

SPRING

check valve

1шт.

39

1255020C1

BELLEVILLE WASHER,3.454mm ID x mm OD x 0.381mm Thk

check valve spring retaining

1шт.

40

1263497C1

WASHER,16.02mm ID x 20.32mm OD x 0.51mm Thk

RING, back-up, Replaces 1252321C1

1шт.

1255052C91

PACKAGE

KIT, signal check service, Consists of

1шт.

17006R1

BALL

3/16 grade 25 metal

1шт.

133498C1

SPRING

check valve

1шт.

1255020C1

BELLEVILLE WASHER,3.454mm ID x mm OD x 0.381mm Thk

check valve spring retaining

1шт.

TOOL (NSS)

1шт.

INSTRUCTIONS (NSS)

1шт.

31

369384R1

O-RING,0.072" Thk x 0.414" ID, -905, Cl 6, 90 Duro

5-1, 90 Duro, .414" ID x .072" Thk, 5/16 OD tube

2шт.

Выбрано товаров: 49