Запчасти Case IH 6788 (07-13) - DRIVE TRAIN, TRANSFER CASE (04) - Drive Train

Схема запчастей Case IH 6788 - (07-13) - DRIVE TRAIN, TRANSFER CASE (04) - Drive Train
56
28
38
28
19
21
15
34
30
29
35
30
36
22
18
43
2
40
27
11
49
24
37
51
47
5
54
10
33
29
40
9
39
39
20
55
52
29
30
42
6
44
43
7
32
23
45
41
53
17
31
13
48
8
31
46
34
12
45
30
29
32
4
1
14
25
33
26
21
3
50
16
FIT
1:1
100%

Артикул

Название

Примечание

Количество

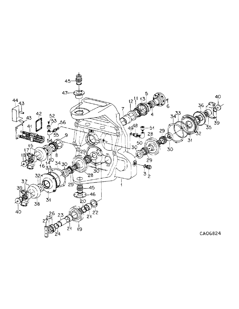
1

134375C95

HOUSING

ASSY W/BUSHINGS, transfer case

1шт.

80722

LUBE NIPPLE,3/16" x .55" lg, Drive

FITTING, 3/16 str drive type lub

2шт.

375362R1

PIN,12.69mm OD x 34.8mm L

dowel, 1/2 x 1-3/8

2шт.

132999C1

BUSHING,44.53mm ID x 50.8mm OD x 23mm L

steering pivot, upper

2шт.

133000C1

BUSHING,35mm ID x 47.5mm OD x 30mm L

steering pivot, lower

2шт.

179884

BOLT,Hex, 1/2" - 13 x 1 3/8", Gr 5, Full Thd

1/2 x 1-3/8 pln type 5

2шт.

17246R1

BOLT (SPREADER),Hex, 3/4" - 10 x 6"

BOLT, 3/4 x 6 pln type 5

3шт.

271619

CIRCLIP

BOLT, 3/4 x 4 pln type 5

4шт.

186290

BOLT (SPREADER)

BOLT, 3/8 x 6 pln type 5

2шт.

9410365

PLUG,Hex Hd, 1 7/8"-12 ORB

1-7/8-12 o-ring boss

1шт.

301016R1

O-RING,0.118" Thk x 1.720" ID, -924, Cl 6, 90 Duro

1-1/2 hyd tube

1шт.

2

134376C1

GAUGE

1-5/16-12 std thd oil level

1шт.

3

297459R1

O-RING,0.116" Thk x 1.048" ID, -914, Cl 6, 90 Duro

1-1/16 x .116 hyd tube

1шт.

4

133001C2

SHAFT

flywheel

1шт.

5

359919C1

BUSHING

flywheel shaft wear, sleeve

1шт.

6

715369C1

SET SCREW

3/8-24 x .31 hex-soc-hd set w/patch

2шт.

1250177C1

PLUG

flywheel shaft rubber

2шт.

7

132966C1

SHIELD

oil splash

1шт.

8

625742C91

BEARING

ASSY, flywheel shaft frt cone

1шт.

9

625743C1

BEARING CUP,90mm OD x 18.5mm W

BEARING, flywheel shaft frt cup

1шт.

10

133006C1

OIL SEAL

flywheel shaft front oil

1шт.

11

659458R91

ROLLER BEARING

BEARING ASSY, flywheel shaft rear cone

1шт.

12

105497H

BEARING CUP,96.85mm OD x 15.77mm W

BEARING, flywheel shaft rear cup

1шт.

13

138803C1

SEAL

flywheel shaft rear oil

1шт.

14

133003C1

SHIM

bearing, light, 2.94

1шт.

14

133004C1

SHIM

bearing, hv, 3.06

1шт.

14

142204C1

SHIM

bearing, 3.16

1шт.

14

142205C1

SHIM

bearing, 3.26

1шт.

14

142206C1

SHIM

bearing, 3.36

1шт.

14

142037C1

SHIM, bearing, 3.46

1шт.

14

147038C1

SHIM

bearing, 3.56

1шт.

15

133007C1

YOKE

ASSY, flywheel shaft

1шт.

16

133005C1

WASHER

oil seal yoke, slinger

1шт.

17

707253R1

O-RING,-222, 70 Duro, 1.484" ID x .139" Thk

1/8 x 1-1/2 o-ring, flywheel shaft yoke

1шт.

18

127288C1

WASHER

flywheel shaft-yoke-washer

1шт.

27407R1

BOLT,1/2" x 2 1/2", Gr 8

1/2 x 2-1/2 phc p/t type 8

1шт.

19

127289C2

GEAR

idler, 33T

1шт.

20

1387751

RING, bearing spacer

1шт.

21

610828C91

NEEDLE BEARING,50.79mm ID x 60.35mm OD x 31.75mm W

needle

2шт.

22

12723C1

WASHER, idler gear thrust

1шт.

23

138773C2

PIN

idler gear

1шт.

24

364108R1

O-RING,0.103" Thk x 1.799" ID, -133, Cl 5, 75 Duro

1-13/16 x 2 x 3/32

1шт.

25

138774C1

RETAINER

idler pin

1шт.

26

295204R1

O-RING,0.103" Thk x 2.8" ID, -149, Cl 5, 75 Duro

2-13/16 x 2 x 3/32

1шт.

27

127291C1

BAR

idler pin locking, plate

1шт.

27280R1

PIN,4.75mm OD x 15.88mm L, Coiled

1шт.

179817

BOLT,Hex, 5/16" - 18 x 7/8", Gr 5, Full Thd

4шт.

28

127293C1

GEAR

34T

2шт.

29

399933C91

ROLLER BEARING,45.24mm ID x 19.81mm W

BEARING ASSY, transfer gears cone

4шт.

30

399934C1

BEARING CUP,73.43mm OD x 15.75mm W

BEARING, transfer gears cup

4шт.

31

127294C1

CAGE

transfer case bearing

2шт.

32

619585C91

SEAL,51.94mm ID x 76.33mm OD x 9.5mm Thk

input & output shaft oil

2шт.

33

26556R1

O-RING,0.103" Thk x 5.737" ID, -162, Cl 5, 75 Duro

bearing cage

2шт.

34

127296C1

SHIM

bearing cage, 0.1 (Or as required)

4шт.

34

127297C1

SHIM

bearing cage, 0.13 (Or as required)

4шт.

34

127298C1

SHIM

bearing cage, 0.18 (Or as required)

4шт.

34

127299C1

SHIM

bearing cage, 0.51 (Or as required)

4шт.

NLS

NO LONGER SERVICED

3шт.

179841

BOLT,Hex, 3/8" - 16 x 1 1/4", Gr 5

3/8-16 x 1-1/4 pln type 5

2шт.

186290

BOLT (SPREADER)

BOLT, 3/8 x 6 pln type 5

2шт.

26310R1

BOLT,Hex, 3/8" - 16 x 1", Gr 8

3/8 x 1 phc p/t type 8

2шт.

35

127395C1

YOKE

ASSY, transfer case input gear

1шт.

36

127393C1

WASHER

oil seal yoke, slinger

1шт.

37

133009C1

YOKE

ASSY, transfer case output gear

1шт.

38

127393C1

WASHER

oil seal yoke, slinger

1шт.

39

293739R1

O-RING,0.139" Thk x 1.359" ID, -220, Cl 5, 75 Duro

yoke

2шт.

40

127301C1

WASHER

gear yoke

2шт.

27406R1

BOLT,Hex, 1/2" - 13 x 1 3/4", Gr 8

1/2 x 1-3/4 phc p/t type 8

2шт.

41

132967C2

COOLER

HEAT EXCHANGE ASSY

1шт.

42

132968C1

GASKET

heat exchanger

1шт.

43

155588C1

SPACER,3/8" X-Strng Pipe x 2"

pipe

2шт.

44

142030C1

GUARD

heat exchanger

1шт.

179839

BOLT,Hex, 3/8" - 16 x 1", Gr 5

2шт.

280161

BOLT,Hex, 3/8" - 16 x 3", Gr 5

2шт.

95-11041

WASHER,3/8"

(.406 x .812 x .051 pln) 3/8"

2шт.

45

127225C1

SPHERICAL BEARING,25.3mm ID x 61.91mm OD x 101.6mm W

self aligning radial

2шт.

46

116893C3

PLATE

brg retainer

1шт.

NLS

NO LONGER SERVICED

6шт.

95-11041

WASHER,3/8"

(.406 x .812 x .051 pln) 3/8"

6шт.

47

80016C1

PACKAGE

transfer case pivot bushing

1шт.

ref #47 (P/N 80016C1) per tech staff bushing now only has 1 hole. Changed to 1 hole because other two bolts were wearing off ear of housing.

1шт.

179839

BOLT,Hex, 3/8" - 16 x 1", Gr 5

3шт.

48

9409288

CONNECTOR, ELEC

CONNECTOR, 5/16-24 hyd flareless tube int pipe thd

1шт.

49

364885R1

O-RING,0.097" Thk x 0.755" ID, -910, Cl 6, 90 Duro

5/8 OD tube

1шт.

50

444044

ELBOW,90 Degree, 1/2"-14 NPTF, Fem x 1/2"-14 NPTF Male

1/2-14 90 deg autom pipe street

1шт.

51

444018

ADAPTER,1"-11 1/2 Fem NPTF x 1/4"-18 NPTF Male

3/4-14 autom hex-hd pipe

1шт.

52

152127H1

BREATHER,1/8"-27, Short

AIR VENT

1шт.

53

444110

UNION,1/2"-14 NPTF x 1/8"-27 NPTF

REDUCER, 1/2 x 1/8 pipe

1шт.

54

444044

ELBOW,90 Degree, 1/2"-14 NPTF, Fem x 1/2"-14 NPTF Male

1/2-14 90 deg autom pipe street

1шт.

55

9402710

HYD CONNECTOR,7/8"-14, 37 Degree x 1/2"-14, NPTF

CONNECTOR, 7/8-14 37 deg hyd flared tube

1шт.

56

364885R1

O-RING,0.097" Thk x 0.755" ID, -910, Cl 6, 90 Duro

5/8 OD tube

1шт.

Выбрано товаров: 0