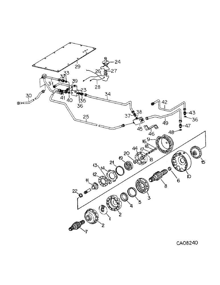
Запчасти Case IH 6788 (07-28) - DRIVE TRAIN, DIFFERENTIAL LOCK, 6788 TRACTOR (04) - Drive Train

Схема запчастей Case IH 6788 - (07-28) - DRIVE TRAIN, DIFFERENTIAL LOCK, 6788 TRACTOR (04) - Drive Train
21
7
43
24
48
26
36
37
25
27
45
28
36
2
11
31
8
47
46
20
40
34
4
3
33
2
29
18
19
30
16
32
6
12
39
38
5
1
44
41
9
17
42
18
14
10
15
23
49
35
13
22
FIT
1:1
100%

Артикул

Название

Примечание

Количество

1

529022R2

GEAR

differential bevel RH, 28T

1шт.

2

CASE ASSY, diff, Refer to differential in this group

1шт.

3

RETAINER, diff brg RH, Refer to differential in this group

1шт.

4

BEARING ASSY, RH roller cone, Refer to differential in this group

1шт.

5

BEARING, RH roller cup, Refer to differential in this group

1шт.

6

283375R91

NEEDLE BEARING

ASSY, needle

1шт.

7

104676C1

SHAFT

bull pinion & brake LH

1шт.

8

104680C1

SHAFT

bull pinion & brake RH

1шт.

9

104667C1

COVER

diff lock

1шт.

10

104668C2

HOUSING

RH brake diff lock

1шт.

104706C1

BOLT

BOLT, diff lock cover

4шт.

271570

SEALING RING COLLAR,Hex, 5/8" - 11 x 4", Gr 5

5/8 x 4 pln type 5

2шт.

11

104669C1

SHAFT

inner

1шт.

12

71914C92

PACKAGE

diff lock service, Also furnish a tube of loctite, 474517C2, Consists of

1шт.

DISC (NSS)

6шт.

PLATE (NSS)

7шт.

350818R1

O-RING,0.984" ID x 0.139" Width

1шт.

22412R1

O-RING,0.139" Thk x 4.734" ID, -248, Cl 5, 75 Duro

-248, 70 Duro, 4.734" ID x .139" Thk

1шт.

355966R1

O-RING,0.424" ID x 0.103" Width

2шт.

104673C1

THRUST WASHER

1шт.

13

104670C1

BUSHING

diff lock stop

3шт.

14

104705C1

PLATE

diff lock clutch primary

1шт.

15

104671C91

HOUSING

ASSY, piston, Consists of

1шт.

CARRIER (NSS)

1шт.

HOUSING (NSS)

1шт.

20040R1

DOWEL,1/4" x 3/4"

PIN, 1/4 x .750 pln hdn dowel

2шт.

9409954

PLUG,Hex Soc, 1/16"-27

1/16-27 pln hex/skt auto pipe

1шт.

702222

SUPPORT

1/4 x 2-1/4 pln type 5

6шт.

16

104673C1

THRUST WASHER

thrust

1шт.

17

104714C1

SPOOL

diff lock feed

1шт.

18

355966R1

O-RING,0.424" ID x 0.103" Width

7/16 x 5/8 x 3/32

2шт.

19

104674C1

PISTON

diff lock

1шт.

20

350818R1

O-RING,0.984" ID x 0.139" Width

1 x 1-1/4 class 5

1шт.

21

22412R1

O-RING,0.139" Thk x 4.734" ID, -248, Cl 5, 75 Duro

-248, 70 Duro, 4.734" ID x .139" Thk

1шт.

22

269916R1

SNAP RING,#212, Ext

Ring, Snap, #212, Ext

1шт.

23

137767C94

VALVE

ASSY, block & solenoid, or

1шт.

23

1272538C91

VALVE

ASSY, diff lock, For list of components refer to differential lock valve this group

1шт.

120375

NUT,Hex, 1/4" - 20, Gr 5

2шт.

179801

BOLT,Hex, 1/4" - 20 x 1 1/2", Gr 5

2шт.

25707R1

WASHER,.281" x 5/8" x .075", HDN

.281 x .625 x .072 hdn

2шт.

24

131332C2

IGNITION SWITCH

SWITCH ASSY, diff lock actuating

1шт.

413-410

BOLT,Hex, 1/4" - 20 x 5/8", Gr 5

1/4 x 5/8 type 5

2шт.

492-11025

LOCK WASHER,1/4"

WASHER, LOCK, 1/4"

2шт.

120375

NUT,Hex, 1/4" - 20, Gr 5

2шт.

25

141905C2

TUBE ASSY, reducing valve to diff valve 0.375" OD, 679.759 mm Length

1шт.

26

139153C1

CABLE

ASSY, diff lock, Serial Range: switch-sol

1шт.

27

139137C1

CABLE

ASSY, diff lock switch junction

1шт.

399470R1

BOOT

terminal cover

2шт.

28

138842C1

CABLE

ASSY, diff lock to solenoid ground

1шт.

29

104165C2

PLATFORM

PLATE, sub-frame platform

1шт.

30

1250147C1

TUBE,0.375" OD, 281.18, 99.82" Length

ASSY, diff lock & trans main

1шт.

31

1250150C1

TUBE,0.375" OD, 204.66, 106.9" Length

ASSY, diff lock & trans divide

1шт.

32

9410202

HYD CONNECTOR,9/16"-18, 37 Degree x 9/16"-18, O-Ring

CONNECTOR, 3/8 C-Z hyd fld short swivel

1шт.

33

364839R1

O-RING,0.078" Thk x 0.468" ID, -906, Cl 6, 90 Duro

6-1, 90 Duro, .468" ID x .078" Thk, 3/8 OD tube, class 6

1шт.

34

139012C2

HYD TUBE

TUBE ASSY, diff lock pressure

1шт.

35

157519C1

HYD CONNECTOR,7/16"-20, 37 Degree x 9/16"-18, O-Ring

REDUCER, 1/4 x 3/8 37 deg hyd flared tube

1шт.

36

364839R1

O-RING,0.078" Thk x 0.468" ID, -906, Cl 6, 90 Duro

6-1, 90 Duro, .468" ID x .078" Thk, 3/8 OD tube, class 6

2шт.

37

9410200

HYD CONNECTOR,7/16" - 20 JIC x 7/16" - 20 ORB

CONNECTOR, 1/4 C-Z hyd fld short swivel

1шт.

39

1250143C1

TUBE,0.375" OD, 96.52, 57.66" Length

ASSY, diff lock dump

1шт.

40

364839R1

O-RING,0.078" Thk x 0.468" ID, -906, Cl 6, 90 Duro

6-1, 90 Duro, .468" ID x .078" Thk, 3/8 OD tube, class 6

1шт.

41

9411130

TEE,9/16"-18, 37 Degree x 9/16"-18, O-Ring Run

3/8 C-Z hyd fld tube adj

1шт.

9410976

ELBOW,90 Degree, 9/16"-18, 37 Degree x 9/16"-18, O-Ring

3/8 C-Z hyd fld adj 90D

1шт.

42

120245C1

HYD TUBE

TUBE ASSY, brake lube RH

1шт.

43

120333C2

CONNECTOR, ELEC

CONNECTOR, brake orifice

1шт.

44

CARRIER, diff lock, Not serviced separately, Order piston housing 104671C91

1шт.

45

133605C91

VALVE

ASSY, pressure reducing, Refer to pressure reducing valve this group for list of components

1шт.

179812

GEAR

5/16 x 1/2 pln type 5

1шт.

46

104592C2

SUPPORT

reducing valve mtg

1шт.

47

9410200

HYD CONNECTOR,7/16" - 20 JIC x 7/16" - 20 ORB

CONNECTOR, 1/4 C-Z hyd fld short swivel

1шт.

49

104676C1

SHAFT

TUBE ASSY, diff lock pressure

1шт.

38

369751R1

O-RING,0.072" Thk x 0.351" ID, -904, Cl 6, 90 Duro

4-1, 90 Duro, .351" ID x .072" Thk, 1/4 OD tube, class 6

1шт.

48

369751R1

O-RING,0.072" Thk x 0.351" ID, -904, Cl 6, 90 Duro

4-1, 90 Duro, .351" ID x .072" Thk, 1/4 OD tube, class 6

1шт.

Выбрано товаров: 72