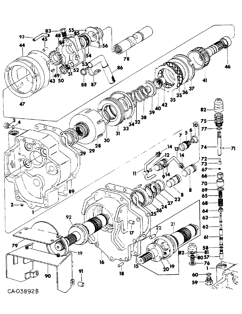
Запчасти Case IH 6788 (07-44) - DRIVE TRAIN, INDEPENDENT POWER TAKE OFF, SINGLE SPEED, 6588 AND 6788 TRACTORS (04) - Drive Train

Схема запчастей Case IH 6788 - (07-44) - DRIVE TRAIN, INDEPENDENT POWER TAKE OFF, SINGLE SPEED, 6588 AND 6788 TRACTORS (04) - Drive Train
42
30
87
75
90
8
40
82
32
74
60
61
4
54
56
14
50
53
16
82
45
72
13
84
81
14
27
89
18
49
5
92
79
19
14
88
25
1
8
76
12
65
67
11
29
66
85
23
44
34
37
69
52
6
71
31
2
57
41
80
36
48
15
21
17
28
62
93
91
39
83
46
58
20
29
64
43
63
70
35
38
7
55
26
33
68
35
51
59
10
77
86
9
3
47
24
22
78
73
19
FIT
1:1
100%

Артикул

Название

Примечание

Количество

1

69065C93

HOUSING

ASSY, IPTO valve, Consists of ref. nos. 2, 61 thru 77 and 82

1шт.

179885

BOLT,Hex, 1/2" - 13 x 1 1/2", Gr 5

1шт.

2

444660

DRAIN PLUG,Sq Soc, 3/8"-18 NPTF

PLUG, 3/8-18 auto sq-soc-hd pipe

1шт.

3

9410355

PLUG,Hex Hd, 3/8"-24 ORB

3/8-24 str thd o-ring boss, gauge hole

2шт.

4

359158R1

O-RING,0.301" ID x 0.07" Width

-011, 70 Duro, .031" ID x .070" Thk, Gauge hole plug

2шт.

5

67340C1

PISTON

ASSY, anti-creep brake

3шт.

6

574069R1

O-RING,0.750" ID x .062"

3/4 x 7/8 x 1/16, brake piston rod

3шт.

7

356005R1

O-RING,1.109" ID x 0.139" Width

1-1/8 x 1-3/8 x 1/8, brake piston

3шт.

8

68074C1

CYLINDER

anti-creep brake

2шт.

9

68073C1

CYLINDER

anti-creep brake

1шт.

10

22458R1

O-RING,1.489" ID x 1.629" OD x 0.07"

1-1/2 x 1-5/8 x 1/16, brake cylinder

3шт.

11

68075C1

TUBE

ASSY, brake supply

1шт.

12

352219R1

O-RING,0.07" Thk x 0.239" ID, -10, Cl 5, 75 Duro

1/4 x 3/8 x 1/16 brake supply connector

1шт.

13

68077C1

TUBE

brake supply

1шт.

14

222-502

TUBE NUT,7/16"-24

FITTING, hi-duty 1/4 tube, brake supply tube

4шт.

15

381481R1

GASKET

IPTO cover and housing

1шт.

16

64786C91

COVER

ASSY W/PRODUCT GRAPHIC, IPTO housing

1шт.

179886

BOLT,Hex, 1/2" - 13 x 1 5/8", Gr 5

1/2 x 1-5/8 pln type 5

2шт.

187152

BOLT,Hex, 1/2" - 13 x 5", Gr 5

1/2 x 5 pln type 5

8шт.

17

19996R1

DOWEL,3/8" x 7/8"

PIN, 3/8 x 7/8 dowel

6шт.

18

19846R1

DOWEL,1/2" x 1 1/4"

PIN, 1/2 x 1-1/4 dowel

2шт.

19

199474H1

OIL SEAL

output shaft oil

1шт.

20

NOT USED THIS APPLICATION

1шт.

21

NOT USED THIS APPLICATION

1шт.

22

NOT USED THIS APPLICATION

1шт.

23

364145R1

O-RING,0.103" Thk x 2.112" ID, -138, Cl 5, 75 Duro

2-1/8 x 2-5/16 x 3/32 IPTO

1шт.

24

357194R1

RING

1000 RPM, output shaft locating ext snap

1шт.

25

ST269A

BALL BEARING,60mm ID x 110mm OD x 22mm W

BEARING, 1000 RPM output shaft rear

1шт.

26

324049R1

RING

1000 RPM shaft rear brg int

1шт.

27

271130R1

RING

1000 RPM shaft rear mtg retaining snap

1шт.

28

381484R2

CUP

clutch

1шт.

29

381485R1

RING,67.13mm ID x 72.21mm OD x 3.12mm Thk

clutch cup seal

2шт.

30

68625C1

RING

clutch cup retaining snap

1шт.

31

68080C2

PISTON

clutch

1шт.

32

258400C1

SNAP RING,#187, Ext

Ring, Snap, , clutch piston stop #187, Ext

1шт.

33

702283R1

O-RING,0.21" Thk x 1.85" ID, -328, Cl 5, 75 Duro

1-7/8 x 2-1/4 x 3/16 clutch piston

1шт.

34

381488R1

RING,120.78mm ID x 134.34mm OD x 4.78mm Thk

SEAL, clutch piston oil

1шт.

35

68803C92

KIT

PACKAGE, IPTO clutch plate and disc, Consists of

1шт.

DISC DRIVEN (NSS)

9шт.

PLATE CLUTCH (NSS)

7шт.

INSTRUCTIONS (NSS)

1шт.

36

381491R1

RETAINER

clutch driven disc

1шт.

37

381492R1

CIRCLIP,M137.16 x 3.07mm Thk, Int

RING, clutch driven disc ret snap

1шт.

38

381493R1

SPRING

clutch release

1шт.

39

381494R1

RETAINER

clutch release spring

1шт.

40

370504R1

RING

clutch release spring ret snap

1шт.

41

68081C2

SHAFT

drive

1шт.

42

10026R

NEEDLE BEARING,0.875" ID x 1.1245" OD x 0.5"

BEARING, 1000 RPM drive shaft front

1шт.

43

124545

WOODRUFF KEY,#5, 1/8" x 5/8", HT

Drive shaft #5, 1/8" x 5/8", HT

1шт.

44

68082C1

NO LONGER SERVICED

CARRIER ASSY, IPTO clutch lube tube

1шт.

44

148474C92

CARRIER

ASSY, IPTO clutch w/loose lube tube, Includes ref. nos. 45 & 93

1шт.

45

19879R1

SPLIT PIN/SAFETY PIN

PIN, 5/16 x 3/4 dowel

2шт.

27907R1

CAPSCREW,Flange, 3/8" x 2.50", Alloy Steel

SCREW, 3/8 x 2.500 pln ast 12pt flg

4шт.

46

359950R91

NEEDLE BEARING

BEARING, drive shaft rear

1шт.

47

529565R1

GASKET

IPTO clutch carrier

1шт.

48

67330C1

HOUSING

pump, Use w/carrier assy, 68082C2

1шт.

48

148475C1

HOUSING

pump, Use w/carrier assy, 148474C1

1шт.

NLS

NO LONGER SERVICED

2шт.

179847

BOLT,Hex, 3/8" - 16 x 2", Gr 5

4шт.

49

381499R1

PINION

GEAR, pump driver

1шт.

50

381500R1

PINION

GEAR, pump idler

1шт.

51

381501R91

NEEDLE BEARING

ASSY, pump idler gear needle

1шт.

52

381502R1

SHAFT

PUMP IDLER GEAR

1шт.

53

68084C1

BAFFLE

drive shaft front

1шт.

54

ST571

BALL BEARING,40 mm ID x 68 mm OD x 15 mm

BEARING, drive shaft front

1шт.

55

381503R1

RETAINER

drive shaft front brg

1шт.

179793

BOLT,Hex, 1/4" - 20 x 5/8", Gr 5, Full Thd

4шт.

103319

LOCK WASHER,1/4"

WASHER, LOCK, 1/4"

4шт.

56

555570R1

SNAP RING

RING, drive shaft front brg snap

2шт.

57

68085CQ

PLUG, IPTO valve

1шт.

58

355967R1

O-RING,0.364" ID x 0.003" Width

3/8 x 1/2 x 1/16 IPTO plug

1шт.

59

9410360

PLUG

7/8-14 str thd o-ring boss

1шт.

60

364885R1

O-RING,0.097" Thk x 0.755" ID, -910, Cl 6, 90 Duro

5/8 OD tube

1шт.

61

70808C1

SPOOL

IPTO valve, Code A

1шт.

61

70809C1

SPOOL

IPTO valve, Code B

1шт.

61

70810C1

SPOOL

IPTO valve, Code C

1шт.

62

26622R1

DOWEL,5/16" x 3/8"

PIN, 5/16 x 3/8 hardened dowel

1шт.

63

70331C1

ROD

ball actuating

1шт.

64

70807C1

RETAINER

ball actuating rod

1шт.

65

68089C1

SPRING

IPTO regulator

1шт.

66

68090C1

RETAINER

ball act. rod stem end

1шт.

67

268552R1

SNAP RING,#18, .145" Dia, E-Type

Ring, Retaining, #18, .145" Dia, E-Type

1шт.

68

68092C1

SPRING

engagement

1шт.

69

68093C1

SPRING WASHER

engagement spring

1шт.

70

68094C1

SPACER

engagement

1шт.

71

17008R1

BALL,1/4" Dia

Chrome-Steel 1/4" Dia

3шт.

72

17012R1

BALL,3/8" Dia

1шт.

73

20031R1

DOWEL,3/8" x 5/8"

PISTON, ball actuating

1шт.

74

68095C1

STEM

control valve

1шт.

75

68096C1

BODY

ASSY, IPTO detent

1шт.

76

68097C1

SEAL

stem

1шт.

77

297459R1

O-RING,0.116" Thk x 1.048" ID, -914, Cl 6, 90 Duro

7/8 OD tube

1шт.

78

68122C1

SHAFT

ASSY, IPTO ext

1шт.

79

68121C3

COVER

shield top

1шт.

126177

WING NUT

NUT, 1/4 wing

2шт.

80

1252025C1

SPRING

activator return

1шт.

81

267805R1

RING

.579 ext ret

1шт.

82

68110C2

BOOT

IPTO valve dust

1шт.

83

69040C92

VALVE

ASSY, regulator, Only serviceable part is

1шт.

69042C2

STRAINER ELEMENT

STRAINER

1шт.

84

392382R1

O-RING,0.551" ID x 0.07" Width

9/16 x 11/16 x 1/16

1шт.

85

364885R1

O-RING,0.097" Thk x 0.755" ID, -910, Cl 6, 90 Duro

5/8 OD tube

1шт.

86

395120R1

TUBE

ASSEMBLY, suction

1шт.

87

381525R1

SUPPORT TUBE,2.8" Length

SUPPORT, suction tube

1шт.

179795

TILLAGE BLADE

1/4 x 3/4 pln type 5

2шт.

109084

NUT,1/4"-20, G5

2шт.

103319

LOCK WASHER,1/4"

WASHER, LOCK, 1/4"

2шт.

88

381526R1

SEAL,25.3mm ID x 36.2mm OD x 4.78mm Thk

suction tube

1шт.

89

381467R1

GASKET

IPTO housing and rear frame

1шт.

90

68116C2

SHIELD

ASSY, IPTO safety

1шт.

26549R1

BOLT, 1/2 x 3 dld crg type 1

2шт.

607896R1

SQ HOLE WASHER,17/32" x 1 1/4" x .120", Sq Hole

.531 x 1.250 x .105 sq/h

2шт.

178627

LOCK WASHER,Ext-Int Tooth, 5/8"

WASHER, 5/8 ext-int tooth lock

2шт.

91

617794R1

SPACER,13.5mm ID x 19.05mm OD x 27mm L

17/32 x 3/4 x 1 znd

2шт.

137156

WING NUT,1/2"-13

NUT, 1/2 wing

2шт.

17272R1

LOCK PIN,1/8" x 1/2", Slotted

Pin, 1/8" x 1/2", Slotted

2шт.

92

139256C1

SHAFT

output, 1-3/8 in. diameter

1шт.

92

144097C1

SHAFT

output, 1-3/4 in. diameter

1шт.

93

148451C2

TUBE,0.035" OD, 115, 48 mm Length

IPTO lube, Use w/carrier, 148474C92

1шт.

222-503

TUBE NUT,1/2"-20

NUT, 5/16 tube

2шт.

77720C92

STRIPPER PACKAGE

PACKAGE, seal and gasket, Consists of ref. nos. 4, 6, 7, 10, 12, 15, 19, 23, 29, 33, 34, 43, 47, 58, 76, 77, 82, 84, 85, 88 and 89 plus

1шт.

381480R91

OIL SEAL

output shaft oil

1шт.

64553C2

PRODUCT GRAPHIC

warning IPTO

1шт.

Выбрано товаров: 123