Запчасти Case IH 9310 (9-016) - FRONT FRAME (09) - CHASSIS/ATTACHMENTS

Схема запчастей Case IH 9310 - (9-016) - FRONT FRAME (09) - CHASSIS/ATTACHMENTS
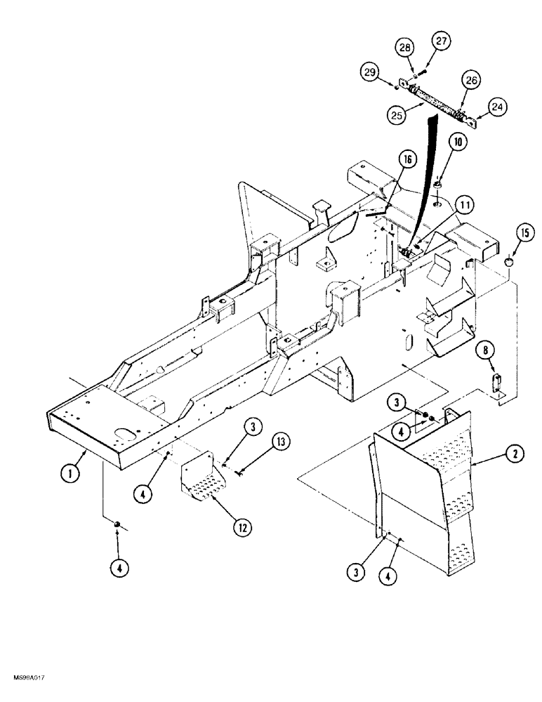
10
26
4
12
16
28
24
13
15
29
2
25
4
8
3
3
4
3
1
27
11
4
FIT
1:1
100%

Артикул

Название

Примечание

Количество

1

70-6510T3

FRAME

- front

1шт.

2

70-6323T2

STEP

- cab access

1шт.

3

496-11053

WASHER,17/32" x 1 1/16" x .095", HDN

11шт.

4

425-108

NUT,1/2" - 13, Gr 5

NUT, , Hex 1/2"-13, G5

11шт.

8

70-3158T2

HINGE

- swing out step

1шт.

10

70-4621T2

BUSHING,44.5mm ID x 57.12mm OD x 25.4mm L

- pivot, frame rear

4шт.

11

219-1

LUBE NIPPLE,1/8" - 27 NPTF

FITTING - grease, straight, 1/8 PT x 21/32 inch

2шт.

12

70-2142T3

STEP

- lower front

1шт.

13

426-824

BOLT,Hex, 1/2" - 13 x 1-1/2", Gr 8

- hex, 1/2 NC x 1-1/2 inch, grade 8

4шт.

15

70-5517T1

BUSHING,38.09mm ID x 54.74mm OD x 33.33mm L

BEARING - self-aligning, steering cylinder pivot

2шт.

16

31-2787

GROMMET

TRIM - edge, 178 mm (7 inch) long, cut from 31-1785 bulk trim, see below

1шт.

24

50-2898T1

TUBE

BRACE - frame

1шт.

25

50-2962T1

CONDUIT

- 2362 mm (93 inch) long, cut from S119717X bulk conduit, see below

1шт.

26

22-824

CABLE TIE,3/16" x 7 1/4"

STRAP - tie, 7 inch

4шт.

27

426-616

BOLT,Hex, 3/8" - 16 x 1", Gr 8

2шт.

28

495-21044

WASHER,3/8"

(7/16 x 1 x 5/64 inch) 3/8"

2шт.

29

425-106

NUT,3/8"-16, Cl 5

2шт.

31-1785

GROMMET

- edge, bulk, 3048 mm (120 inch) long

1шт.

S119717X

CONDUIT

- bulk, 25 (1) ID x 4877 mm (192 inch) long

1шт.

Выбрано товаров: 19