Запчасти Case IH 9310 (2-096) - ENGINE MOUNTING (02) - ENGINE

Схема запчастей Case IH 9310 - (2-096) - ENGINE MOUNTING (02) - ENGINE
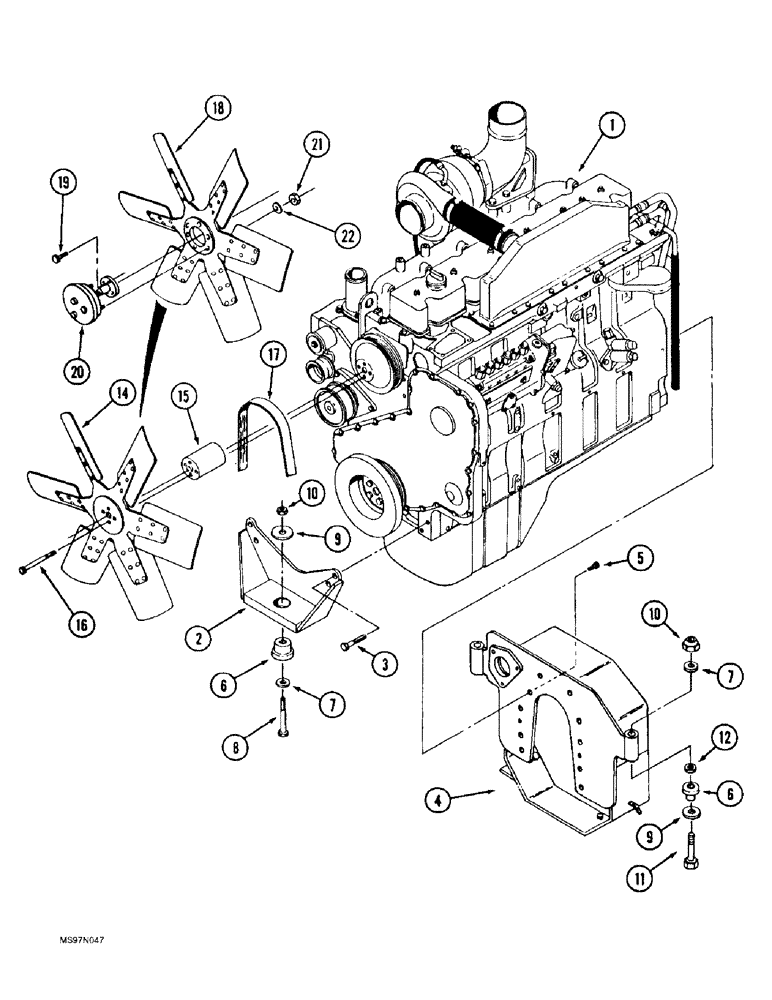
6
18
4
7
19
16
17
6
7
10
20
12
15
22
5
8
14
10
9
3
2
9
11
21
1
FIT
1:1
100%

Артикул

Название

Примечание

Количество

1

REF

INSTRUCTION

ENGINE ASSEMBLY - 6T-830, used with 9310 Tractor, parts list Figures 2-2 - 2-90 and 3-2 - 3-26

1шт.

1

REF

INSTRUCTION

ENGINE ASSEMBLY - 6TA-830, used with 9330 Tractor, parts list Figures 2-2 - 2-90 and 3-2 - 3-26

1шт.

2

90-6432T1

ANCHOR

MOUNT - engine, front

1шт.

3

814-12060

BOLT,Hex, M12 x 1.75 x 60mm, Cl 8.8

- hex, 12 - 1.75 x 60 mm

4шт.

4

70-6422T1

HOUSING

- engine flywheel

1шт.

5

627-12035

BOLT,Hex, M12 x 1.75 x 35mm, Cl 10.9, Full Thd

- hex, full threads, 12 - 1.75 x 35 mm, class 10.9

10шт.

6

24-231

RUBBER MOUNTING

INSULATOR - engine mount, rubber

3шт.

7

396-21066

WASHER,16.66mm ID x 33.33mm OD x 4.27mm Thk

3шт.

8

413-1064

BOLT,Hex, 5/8" - 11 x 4", Gr 5

- hex, 5/8 NC x 4 inch

1шт.

9

19-408

WASHER

- flat, 5/8 x 2-1/2 x 3/16 inch

3шт.

10

232-41110

NUT,5/8"-11, GC

NUT, LOCK, 5/8"-11, GC

3шт.

11

426-10112

BOLT,Hex, 5/8" - 11 x 7", Gr 8

- hex, 5/8 NC x 7 inch, grade 8

2шт.

12

51-128

WASHER

- flat, 5/8 x 3-1/2 x 3/16 inch

2шт.

14

90-5857T1

FAN

- engine, Serial Range: -JEE0036501

1шт.

15

136260A1

SPACER

- fan, Serial Range: -JEE0036501

1шт.

16

814-10080

BOLT,Hex, M10 x 1.5 x 80mm, Cl 8.8

- hex, 10 - 1.5 x 80 mm

4шт.

17

J911572

V-BELT,27.92mm W x 1549.4mm L, 8 Ribs

Fan Drive 3.56 mm W x 1549.90 mm L, 8 Ribs

1шт.

18

140939A1

FAN,8 Blades, 637.5mm OD

- engine, Start Serial: JEE0036501

1шт.

19

614-10025

BOLT,Hex, M10 x 1.5 x 25mm, Cl 8.8

, Serial Range: -JEE0036501

4шт.

20

187441A1

DRIVE,Cooling Fan Viscous

DRIVE - fan, Start Serial: JEE0036501

1шт.

21

825-1408

NUT,M8, Cl 8

, Start Serial: JEE0036501

6шт.

22

496-21034

WASHER,11/32" x 11/16" x 0.89", HDN

, Start Serial: JEE0036501

6шт.

Выбрано товаров: 22