Запчасти Case IH 9330 (4-058) - WIPER DRIVE ASSEMBLY, FRONT WINDOWS (04) - ELECTRICAL SYSTEMS

Схема запчастей Case IH 9330 - (4-058) - WIPER DRIVE ASSEMBLY, FRONT WINDOWS (04) - ELECTRICAL SYSTEMS
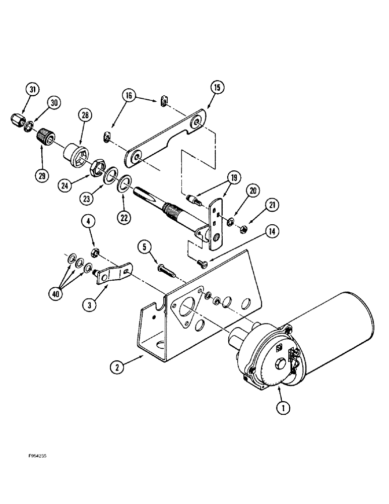
15
22
21
28
29
5
19
4
31
20
2
23
16
24
30
1
40
3
14
FIT
1:1
100%

Артикул

Название

Примечание

Количество

60-6577T91

DRIVE

ASSEMBLY - wiper, no longer available, order component parts separately, Includes: Ref. 1 - 40

1шт.

1

60-6586T1

WIPER MOTOR

MOTOR - wiper drive

1шт.

2

D72850

BRACKET

- mounting

1шт.

3

60-6626T1

LEVER

- drive

1шт.

4

143267A1

LOCK NUT

- special, retaining

1шт.

5

60-6631T1

SCREW

BOLT - special, hex slotted with lockwasher, order 414-412 bolt and 492-11025 washer, 1 each

3шт.

14

2-6870T1

SCREW

- machine, pan head, special

1шт.

15

D71427

LINK,85.85mm L

- connecting

1шт.

16

D71414

CLIP

RETAINER - spring clip

2шт.

2-6869T91

SHAFT ASSY.

DRIVE ASSEMBLY - shaft and pivot arm, Includes: Ref. 19 - 31

1шт.

19

NSS

NOT SOLD SEPARAT

DRIVE - shaft and pivot arm

1шт.

20

493-41026

LOCK WASHER,Ext Tooth, 1/4"

WASHER - external tooth lock, 1/4 inch

1шт.

21

425-114

NUT,1/4"-28, G5

1шт.

22

N6749

WASHER

- felt

1шт.

23

N6750

WASHER

- flat

1шт.

24

60-3497T1

NUT

- hex, jam

1шт.

28

D71420

CAP

- shaft, rubber

1шт.

29

1267556C1

BUTTON

NUT - knurled drive

1шт.

30

493-21039

LOCK WASHER,Int Tooth, 3/8"

WASHER - internal tooth lock, 3/8 inch

1шт.

31

60-6635T1

NUT

- special

1шт.

40

A22431

WASHER

- special, quantity of 1 if equipped with side wiper

3шт.

Выбрано товаров: 21