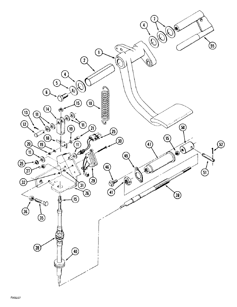
Запчасти Case IH 9330 (6-040) - TRANSMISSION CLUTCH CONTROL (06) - POWER TRAIN

Схема запчастей Case IH 9330 - (6-040) - TRANSMISSION CLUTCH CONTROL (06) - POWER TRAIN
13
5
47
52
11
27
39
26
11
36
12
30
11
20
35
45
21
40
4
19
11
15
1
39
6
25
7
50
19
25
15
32
18
10
41
4
14
55
29
2
31
15
51
46
FIT
1:1
100%

Артикул

Название

Примечание

Количество

1

60-6835T1

PEDAL

- clutch

1шт.

2

60-6836T1

RING RACE

BUSHING - pivot

1шт.

4

19-5635

WASHER

- flat, 1 x 1-3/4 x 3/32 inch

2шт.

5

495-21056

WASHER,1/2"

- flat, 9/16 x 1-3/8 x 7/64 inch

1шт.

6

426-816

BOLT,Hex, 1/2" - 13 x 1", Gr 8

- hex, 1/2 NC x 1 inch, grade 8

1шт.

7

95-81125

WASHER,1 1/16" x 1 3/4" x .065"

- flat, 1-1/16 x 1-3/4 x 1/16 inch

1шт.

10

2-5000T1

SPRING

- pedal return

1шт.

11

495-11041

WASHER,0.406" ID x 0.812" OD x 0.065" W

(Flat, 13/32 x 13/16 x 1/16") 3/8", SAE

6шт.

12

19-5922

CLEVIS PIN,3/8" x 1 1/4"

PIN - clevis, 3/8 x 1-1/4 inch

1шт.

13

32-612

COTTER PIN,3/32" x 3/4"

PIN, SPLIT (COTTER), 3/32" x 3/4"

1шт.

14

60-4384T1

CLEVIS COUPLING

CLEVIS - cable end

1шт.

15

425-155

JAM NUT,Jam, 5/16"-24, G5

- hex, jam, 5/16 inch NF

3шт.

18

60-5048T2

SUPPORT

BRACKET - actuator mounting

1шт.

19

495-21019

WASHER,#8

2шт.

20

131-29

LOCK NUT,#8-32, GB

NUT - hex, self-locking, No. 8 NC

1шт.

21

20-1316T1

ACTUATOR

- mode, magnetic

1шт.

25

60-6027T1

SENSOR

- proximity

1шт.

26

60-6025T1

SUPPORT

BRACKET - control mounting

1шт.

27

425-104

NUT,1/4"-20, Cl 5

- hex, 1/4 inch NC

3шт.

29

20-2340T91

IGNITION SWITCH

SWITCH ASSEMBLY - micro, no longer available, order component parts separately, Includes switch and wire

1шт.

20-2333T1

SWITCH

- micro

1шт.

60-2666T1

ELECTRICAL WIRE

WIRE - switch

1шт.

30

470-10620

SCREW,Pan HD, #6 - 32 x 1-1/4"

- machine, pan head slotted, No. 6 NC x 1-1/4 inch

2шт.

31

495-31016

WASHER,#6

- flat, 5/32 x 3/8 x 3/64 inch

2шт.

32

225-14106

NUT,#6-32

2шт.

35

426-628

BOLT,Hex, 3/8" - 16 x 1-3/4", Gr 8

- hex, 3/8 NC x 1-3/4 inch, grade 8

1шт.

36

425-106

NUT,3/8"-16, Cl 5

1шт.

39

60-4957T1

CABLE

- clutch actuating, 75 inch long

1шт.

40

1-1050

GROMMET

- hole, cable guard

1шт.

41

425-1512

JAM NUT,Jam, 3/4"-10, G5

- hex, jam, 3/4 inch NF

1шт.

45

90-8048T1

FLANGE

RETAINER - cable guard

1шт.

46

458-412

BOLT,Hex, 1/4" - 20 x 3/4", Gr 5

- hex flange, 1/4 NC x 3/4 inch

2шт.

47

90-8047T1

SLEEVE

GUARD - cable

1шт.

50

60-6241T1

END

COLLAR - cable

1шт.

51

19-6041

PIN

- headless

1шт.

52

32-212

COTTER PIN,1/32" x 3/4"

PIN, SPLIT (COTTER), 1/32" x 3/4"

2шт.

55

60-5074T1

PEDAL

MOUNT - pedal, brake and clutch, see Figure 7-2 for mounting hardware

1шт.

Выбрано товаров: 37