Запчасти Case IH 9330 (6-080) - ELECTRIC SHIFT ASSEMBLY (06) - POWER TRAIN

Схема запчастей Case IH 9330 - (6-080) - ELECTRIC SHIFT ASSEMBLY (06) - POWER TRAIN
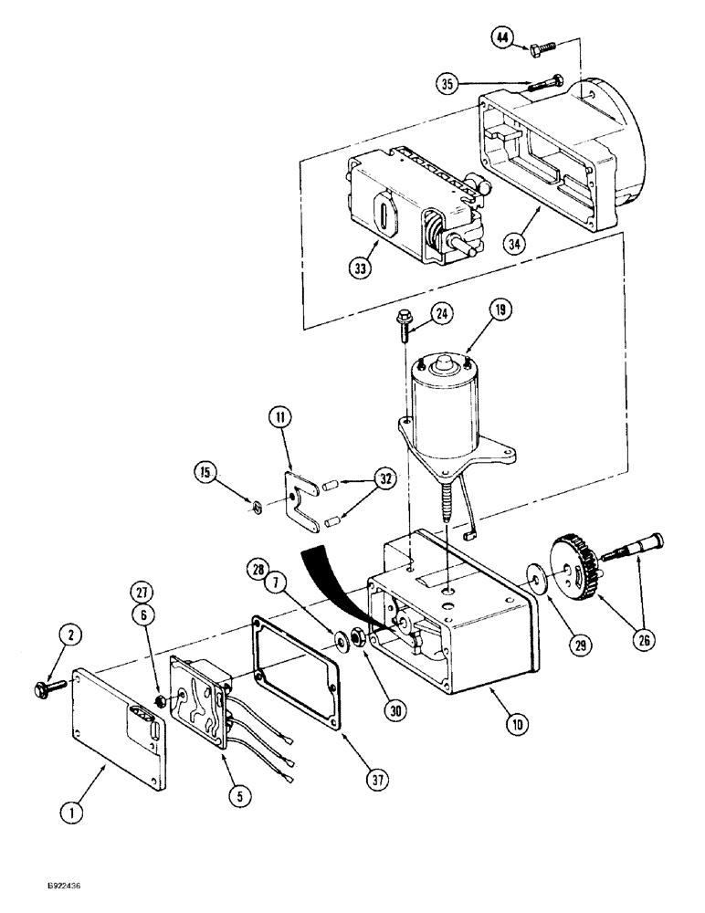
32
19
24
33
27
2
30
28
6
10
11
37
1
34
26
44
29
7
15
35
5
FIT
1:1
100%

Артикул

Название

Примечание

Количество

90-4391T91

SHIFTING UNIT

SHIFT ASSEMBLY - electric, axle, Includes: Ref. 1 - 37

1шт.

90-7580T1

COVER

KIT - circuit board and cover, also, Includes: Ref. 1 - 7 and 37

1шт.

1

NSS

NOT SOLD SEPARAT

COVER - electric shift

1шт.

2

90-4552T1

SCREW

BOLT - flanged

4шт.

NSS

NOT SOLD SEPARAT

BOARD ASSEMBLY - circuit, Includes: Ref. 5 - 7

1шт.

5

NSS

NOT SOLD SEPARAT

BOARD - circuit

1шт.

6

NSS

NOT SOLD SEPARAT

NUT - hex

1шт.

7

NSS

NOT SOLD SEPARAT

WASHER - flat

1шт.

90-4543T91

HOUSING

ASSEMBLY - motor, Includes: Ref. 10 and 11

1шт.

10

NSS

NOT SOLD SEPARAT

HOUSING - motor

1шт.

11

NSS

NOT SOLD SEPARAT

SPRING - switch

1шт.

15

NSS

NOT SOLD SEPARAT

RETAINER - push on

1шт.

19

90-4546T91

MOTOR, ELECTRIC

MOTOR - electric shift

1шт.

24

90-4553T1

SCREW

BOLT - hex flange

3шт.

90-4547T91

GEAR

ASSEMBLY - with shaft, Includes: Ref. 26 - 32

1шт.

26

NSS

NOT SOLD SEPARAT

GEAR - with shaft

1шт.

27

NSS

NOT SOLD SEPARAT

NUT - hex

1шт.

28

NSS

NOT SOLD SEPARAT

WASHER - flat

1шт.

29

NSS

NOT SOLD SEPARAT

WASHER - flat, wear

1шт.

30

NSS

NOT SOLD SEPARAT

NUT - hex

1шт.

32

NSS

NOT SOLD SEPARAT

PIN - cam

2шт.

33

90-4548T1

SLIDE

BLOCK - slide and shaft

1шт.

34

90-4549T1

HOUSING

- slide block and shaft

1шт.

35

90-4554T1

SCREW

BOLT - hex shoulder

4шт.

37

345-85

GASKET - cover, use B17428 (RTV162) gasket

1шт.

44

413-720

BOLT,Hex, 7/16" - 14 x 1-1/4", Gr 5

- hex, 7/16 NC x 1-1/4 inch

2шт.

Выбрано товаров: 26